每周五下午17:00更新优质订单。所有订单均已通过人工审核,企业可放心接洽或报价。
齿轮
工艺:机加工
材料:20#
数量:30000个(需求2-3万个)
需求:按图纸要求报含税运最优价格,具备生产能力的厂商请尽快联系。
截止时间:2025.6.5
收货地:河北
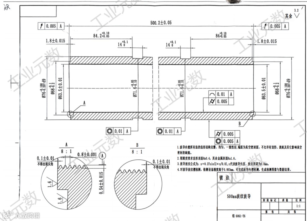
500mm波纹波导
工艺:机加工
材料:SkH51加硬材料
数量:600件/月
需求:每月需求300至600件,按图纸要求报含税运最优价格,具备生产能力的厂商请尽快联系。
截止时间:2025.6.5
收货地:泰州
连接座&连接杆
工艺:机加工
材料:45#
数量:200件
需求:按图纸要求报含税运最优价格,具备生产能力的工厂请尽快联系。
截止时间:2025.6.5
收货地:长沙
压球杆
工艺:机加工
材料:304
数量:10000件
需求:按图纸要求报含税运最优价格,具备生产能力的厂商请尽快联系。
截止时间:2025.6.5
收货地:长沙
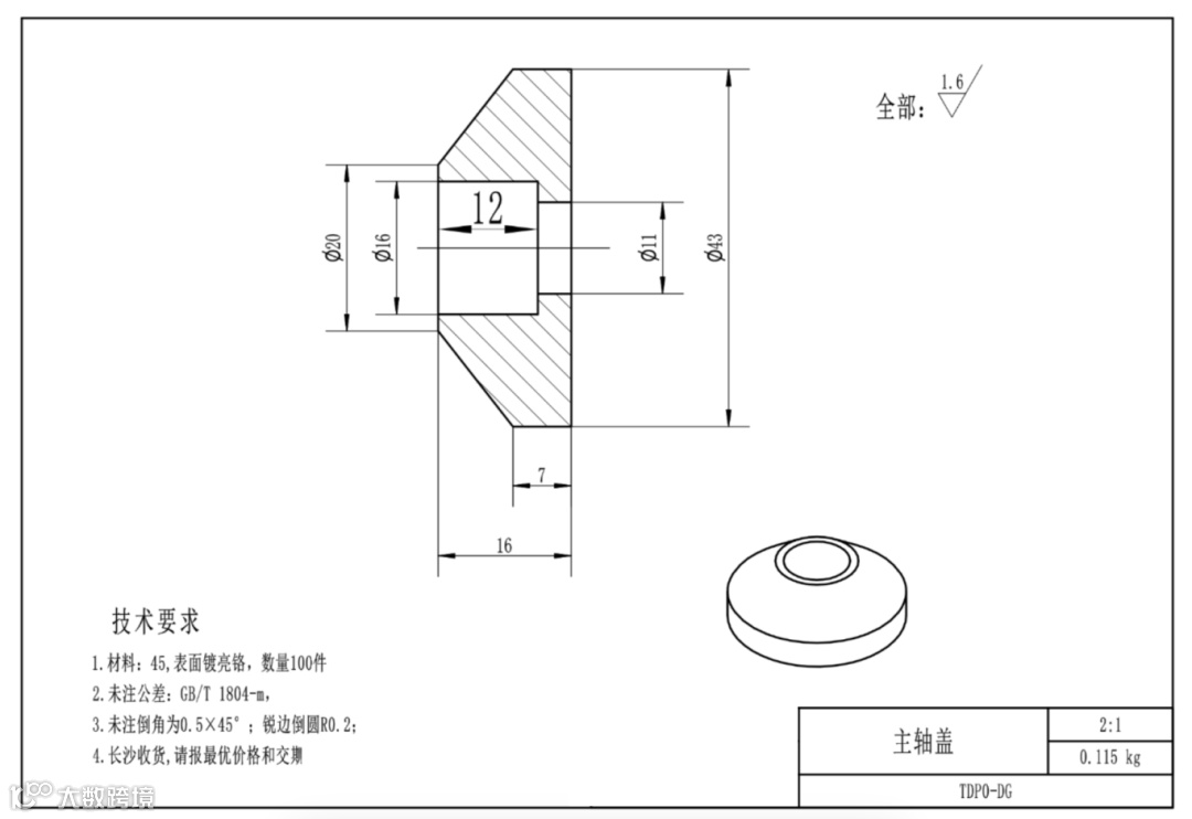
主轴盖
工艺:机加工
材料:45
数量:100件
需求:按图纸要求报含税运最优价格,具备生产能力的厂商请尽快联系。
截止时间:2025.6.5
收货地:长沙
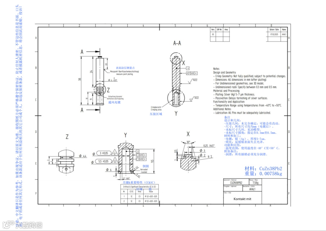
合金件带帽
工艺:表面处理、机加工
材料:CuZn38Pb2
数量:170万件/年
需求:按图纸要求报含税运最优价格,具备生产能力的厂商请尽快联系。
截止时间:2025.6.5
收货地:上海
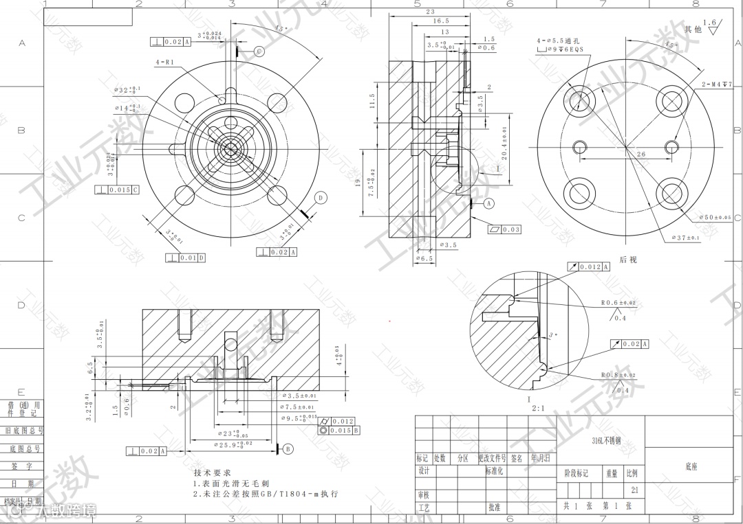
底座
工艺:机加工
材料:316L不锈钢
数量:5000件/月
需求:需按附件图纸打样,打样合格后支付样品费,样品提交截止日期为5月31日前,量产计划待定。
截止时间:2025.5.31
收货地:镇江
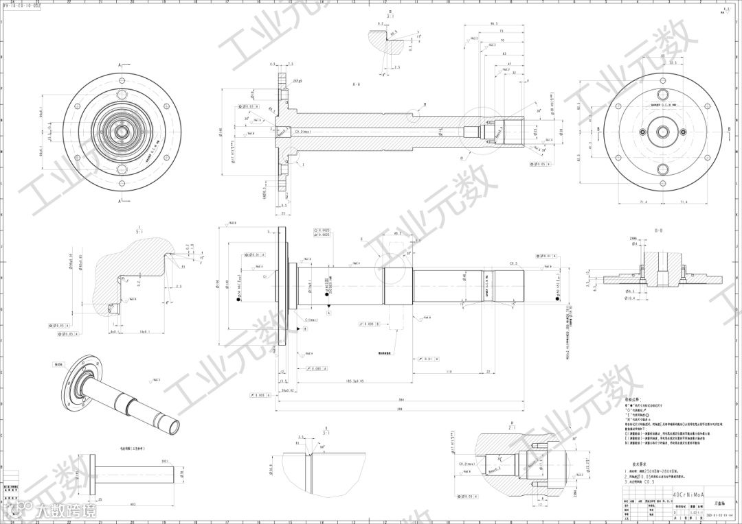
刀盘轴
工艺:机加工
材料:40CrNiMoA
数量:10件
需求:来料加工,按图纸要求报含税运最优价格,具备生产能力的厂商请尽快联系。
截止时间:2025.6.10
收货地:湖南
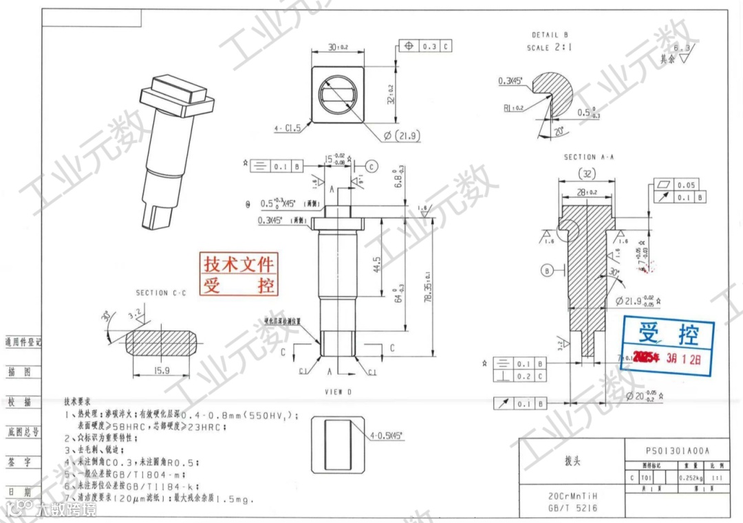
拨头
工艺:机加工
材料:20CrMnTiH GB/T 5216
数量:3000件/月
需求:按图纸要求报含税运最优价格,具备生产能力的厂商请尽快联系。
截止时间:2025.6.10
收货地:无锡
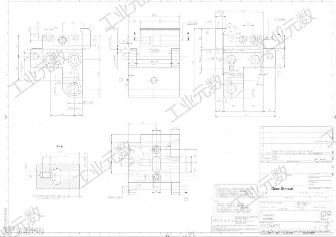
机械零件
工艺:机加工
材料:S355JR EN10025
数量:5件
需求:按图纸要求报含税运最优价格,具备生产能力的厂商请尽快联系。
截止时间:2025.6.10
收货地:上海市
定制接头
工艺:锻造
材料:20MnCr5
数量:10000件
需求:按图纸要求报含税运最优价格,具备生产能力的工厂请尽快联系。
截止时间:2025.6.5
收货地:潍坊
中开面螺母
工艺:机加工
材料:40Cr(本色)
数量:100件
需求:按图纸要求报含税运最优价格,具备生产能力的厂商请尽快联系。
截止时间:2025.6.10
收货地:河北
叶轮
工艺:机加工
材料:6061铝合金
数量:50000件
需求:按图纸要求报含税运最优价格,具备生产能力的厂商请尽快联系。
截止时间:2025.5.31
收货地:泰州
螺栓
工艺:锻造
材料:Q235/20
数量:1832个
需求:按图纸要求报含税运最优价格,具备生产能力的厂商请尽快联系。
截止时间:2025.5.31
收货地:常州
杆端关节轴承
工艺:机加工
数量:100件
需求:按图纸要求报含税运最优价格,具备生产能力的工厂请尽快联系。
截止时间:2025.5.31
收货地:上海


