2020年3月,在靖和1井茅口组储层特征研究中,通过90余件样品的扫描电镜系列分析,第一时间在该地区茅口组首次识别出滑石,并发现了滑石晶间溶孔这一新的储集空间类型。
扫描电镜是储层微观特征研究必不可少的有力工具之一,与能谱分析的结合,既可进行高放大倍数下岩石样品的微观特征观察,又可对样品中不同组分进行 定性及半定量分析。在岩石结构特征观察、矿物种类及含量确定、孔吼类型及相关数据的统计分析和成岩作用研究等方面具有非常直观、快捷和准确的特征,对于重点区块储集层微观特征研究、储层分类评价、油气藏开发等具有重要的指导意义。
日立S-3400N型钨灯丝扫描电镜
岩石结构特征观察
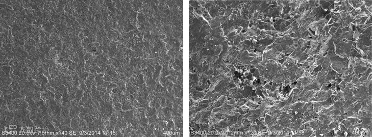
岩石结构特征研究方法多样,常用普通薄片和铸体薄片观察,但这些方法大多只能观察岩石的平面像,且制样较为复杂。扫描电镜放大倍数高、景深大,可对样品进行立体式的观察,是岩石结构研究最简捷和最有效的实验手段。
上图左中,岩石结构紧密,晶体间界线模糊,发育极少量不规则溶孔,零星分布;上图右中,岩石结构较疏松,可见少量自形晶体,发育少量晶间孔
矿物类型及含量确定
一般地,利用扫描电镜分辨率高、成像直观的特征,通过矿物的产状、形貌像和成岩相等,可对岩石的矿物类型进行确定。然而,对于受到强成岩作用改造的原岩或成岩蚀变的产物在判别时总会存在一定困难,特别是碎屑岩储层研究中,矿物种类和成岩相较为复杂。综合扫描电镜观察和辅助能谱分析技术,可较快速和直观的判断。
上图所展示的碎屑岩样品,颗粒部分为石英单体,颗粒间填隙物为绿泥石,对于有实验经验的地质研究人员,通过矿物的形貌和产状可较为容易判断,但对于微观特征不熟悉的科研人员,或许只能分辨出骨架颗粒和填隙物。为此,可在进行扫描电镜微观特征观察的基础上,通过能谱分析技术确认。
在碳酸盐岩储层研究中,利用扫描电镜背散射像,可快速区分白云石和方解石,可直观展示二者的形貌、晶体大小及分布状况。
上图为灰质粉晶白云岩,背散射像可以非常清晰的展示白云岩中方解石的分布特征,图中灰白色部分为方解石,灰色部分为白云石。
对于背散射像难以区分矿物分深布特征的样品,可利用能谱面扫描技术,对岩石中不同元素分布情况进行精细识别,从而较为精确的计算出矿物含量,为岩石定名和分类提供依据。
利用能谱对样品进行面扫描,可清晰的分辨出不同元素的分布区间,上图中分别展示了样品的二次电子像、Si、Ca和Mg元素的分布范围,图像分析软件计算出本样品中硅质(紫色区域)的相对含量为88.86%。
储集空间识别及计算
扫描电镜下,可研究孔隙的类型、大小、含量、几何形态以及孔隙的连通性、吼道大小等,为正确认识储层提供有力的支撑。
上图两张照片为同一样品(同一薄片,样品均质性强,岩性为溶孔微晶白云岩),相同放大倍数对比观察可以发现,在展示的孔的形态、分布及溶蚀特征方面,扫描电镜二次电子照片显著优于普通偏光显微镜透视照片。
扫描电镜背散射成分像研究储集层孔隙形态、大小和面孔率等孔隙结构特征,是运用背散射成分像可以清楚显示出孔隙和矿物颗粒在灰度上的区别。
图像分析软件利用灰度的差异,可将孔隙部分从原始背散射像中分割出来处理。处理后的图像由黑(孔隙)和灰(背景颗粒)组成,类似于铸体薄片的效果。这样的图像不但可以更清楚的显示孔吼的形状、大小及连通性,还可以利用软件计算各类孔径和吼道的大小、面孔率和面缝率等参数,从而可进一步研究储集层孔隙结构及非均质性,上图为某样品的孔隙结构特征图像分析结果。
成岩作用研究
通过对岩石新鲜断面的观察,能发现压实作用强的岩石样品,骨架颗粒接触紧密,云母和非刚性岩屑颗粒等常常被挤压发生形变。
上图所展示样品,非刚性岩屑颗粒表面有凹痕(刚性颗粒挤压所致),粒间云母碎屑被加压弯曲,两种成岩相均显示了该样品经历了较强的压实作用。
在填隙物研究时,通过观察填隙物形貌及赋存特征,可快速、准确的识别。上图中,呈六方长板状集合体的自生矿物为高岭石、叶片状的自生矿物为绿泥石、六方柱状的自生矿物为自生石英。
对于不易识别或区分的胶结物类型,结合能谱技术或背散射像,进行快速判别。比如,上图所展示样品的裂缝附近发育的碳酸盐胶结物,仅扫描电镜二次电子像,难以区分方解石和白云石胶结物,借助背散射像,能较好区分,右图中灰色部分为白云石,而浅灰白色部分为方解石。
普通偏光显微镜难以识别较弱的溶蚀现象,而通过扫描电镜可以迎刃而解。上图所示样品内的白云石晶体(深灰色部分),不但可以看到晶体边缘的溶蚀,还可以观察到晶体内部的溶蚀微孔及其充填物(方解石)。
对于成岩蚀变的研究,扫描电镜也是非常有力的研究工具。上图中展示了样品中自生高岭石具针状末端,能清晰显示高岭石向绿泥石的转化。
目前,扫描电镜在岩石结构特征观察、矿物类型与含量确定、孔隙结构特征研究和成岩作用研究方面正发挥着不可替代的作用,是百日攻坚创效的真正利器。
作者:刘昊年 任海侠 钟玉梅 杨池
审核:尹彤 任明妍

