蜗杆传动齿轮
工艺:机加工
材料:锡青铜QSn7-0.2
数量:10000件
需求:精度按8级,按图纸要求报含税运最优价格
截止时间:2025.7.31
收货地:成都
五金加工件
工艺:机加工、表面处理
材料:铝、铁
数量:40套(每套含三铝一铁)
需求:报含运不含税、不含表面处理价
截止时间:2025.8.4
收货地:杭州
机械零件1
工艺:机加工
材料:AISI 304
数量:200件
需求:按图纸要求报含税运最优价格
截止时间:2025.8.4
收货地:常州
机械零件2
工艺:机加工
材料:AISI 304
数量:200件
需求:按图纸要求报含税运最优价格
截止时间:2025.8.4
收货地:常州
机械零件3
工艺:机加工
材料:AISI 304
数量:200件
需求:按图纸要求报含税运最优价格
截止时间:2025.8.4
收货地:常州
机械零件4
工艺:机加工
材料:AISI 304
数量:200件
需求:按图纸要求报含税运最优价格
截止时间:2025.8.4
收货地:常州
螺丝
工艺:机加工
材料:E52100
数量:50000件
需求:工期1个月,按图纸要求报含税运最优价格,有相关经验优先
截止时间:2025.8.5
收货地:浙江台州
螺母
工艺:机加工
材料:SUJ2
数量:50000件
需求:工期1个月,按图纸要求报含税运最优价格,有相关经验优先
截止时间:2025.8.5
收货地:浙江台州
车加工件
工艺:机加工
数量:5000件/批
需求:报不含税运加工费,优先联系无锡地区轴承专业厂商,账期3个月
截止时间:2025.8.5
收货地:江苏无锡
拇指轮1
工艺:机加工
材料:硬铝合金、316
数量:200件
需求:按图纸要求报含税运价格
截止时间:2025.8.10
收货地:江苏镇江
安装板
工艺:机加工
材料:硬铝合金
数量:200件
需求:按图纸要求报含税运价格
截止时间:2025.8.10
收货地:江苏镇江
拇指轮2
工艺:机加工
材料:硬铝合金、316
数量:200件
需求:按图纸要求报含税运价格
截止时间:2025.8.10
收货地:江苏镇江
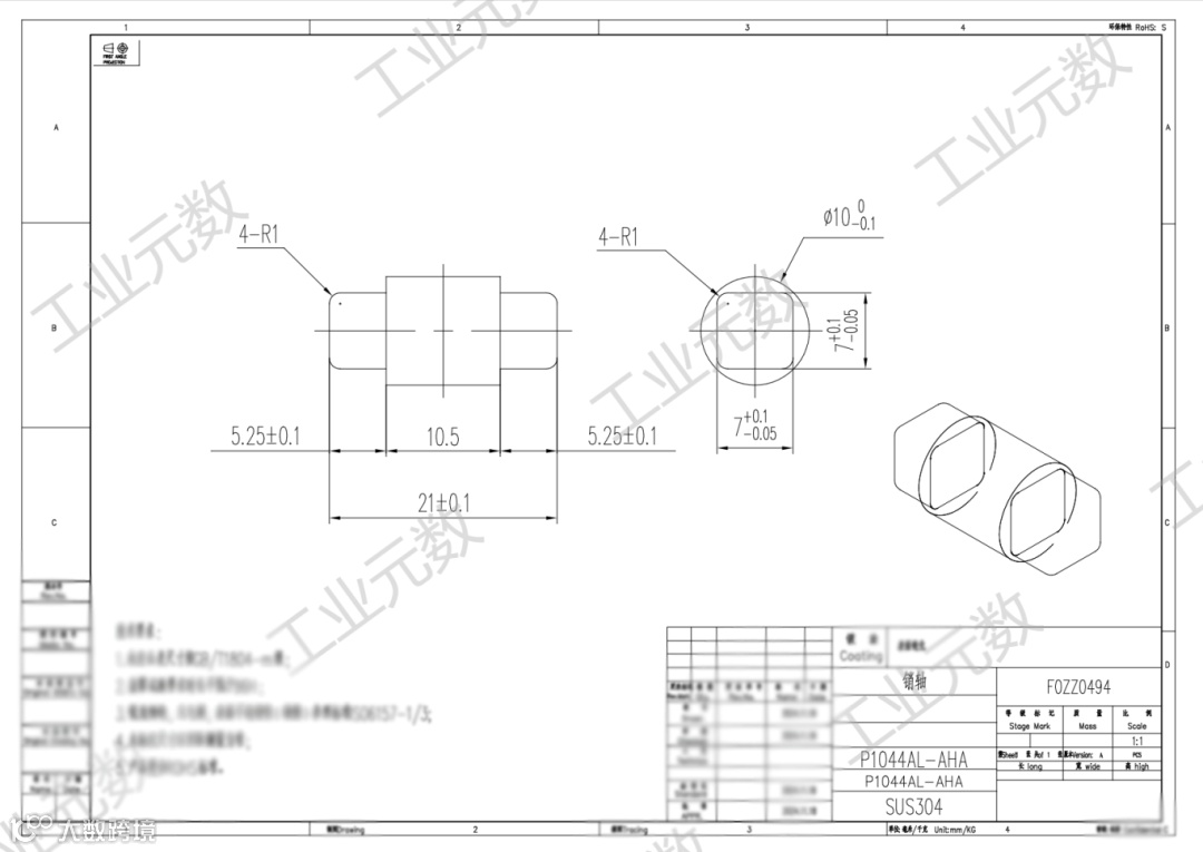
销轴
工艺:机加工、冲压
材料:SUS 304
数量:32000只
需求:按图纸要求报含税运价格
截止时间:2025.8.10
收货地:上海市
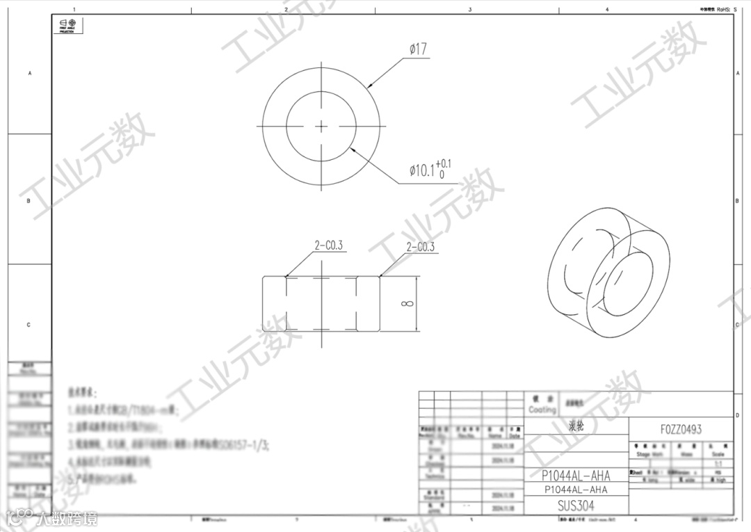
滚轮
工艺:机加工、冲压
材料:SUS 304
数量:32000只
需求:按图纸要求报含税运价格
截止时间:2025.8.10
收货地:上海市
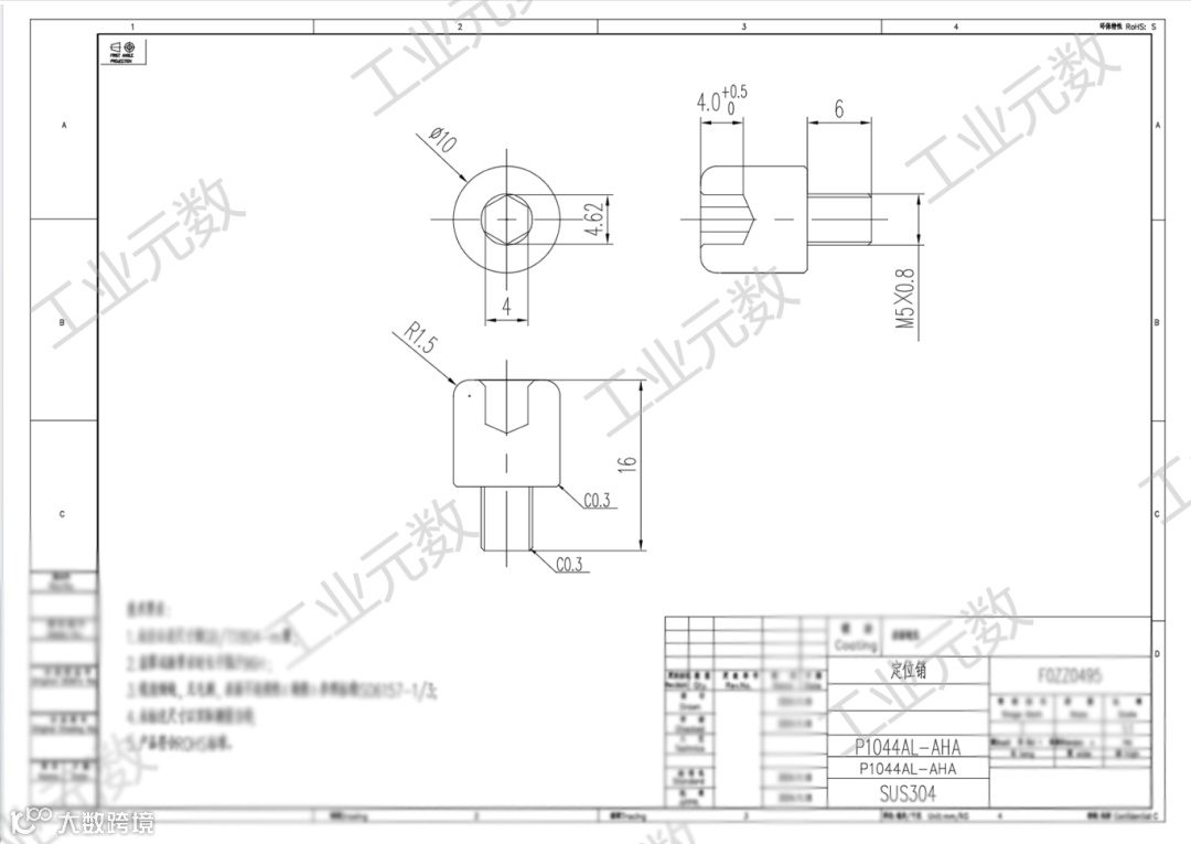
定位销
工艺:机加工、冲压
材料:SUS 304
数量:32000只
需求:按图纸要求报含税运价格
截止时间:2025.8.10
收货地:上海市


