孔板
工艺:机加工
数量:300件
需求:请按图纸要求含税运报价,能接单的厂商尽快联系。
截止时间:2025.8.30
收货地:镇江
钢刮料板
工艺:钣金
材料:SS304
数量:200件
需求:请按图纸要求含税运报价,能接单的厂商尽快联系。
截止时间:2025.8.31
收货地:上海
固定锚栓
工艺:锻造
材料:203
数量:1000件
需求:请按图纸要求含税运报价,能接单的厂商尽快联系。
截止时间:2025.8.31
收货地:长沙
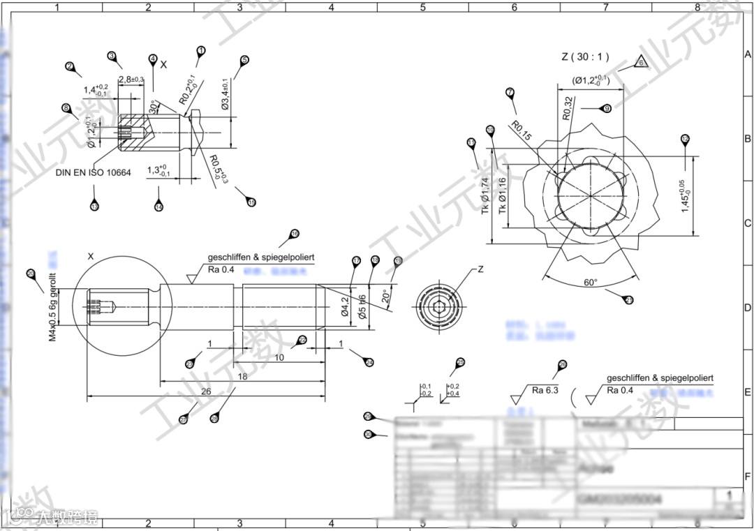
回位杆(涂层)2
工艺:机加工、表面处理
材料:1.0715
数量:10万件
需求:请按图纸要求报含税运最优价格,能接单的厂商尽快联系。
截止时间:2025.9.2
收货地:上海
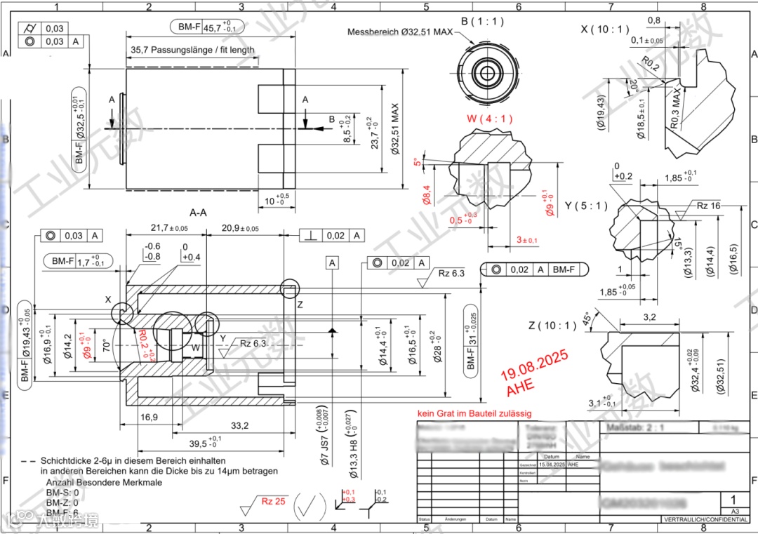
轴1
工艺:铸造、机加工
材料:1.4404
数量:10万件
需求:请按图纸要求含税运报价,能接单的厂商尽快联系。
截止时间:2025.9.2
收货地:上海
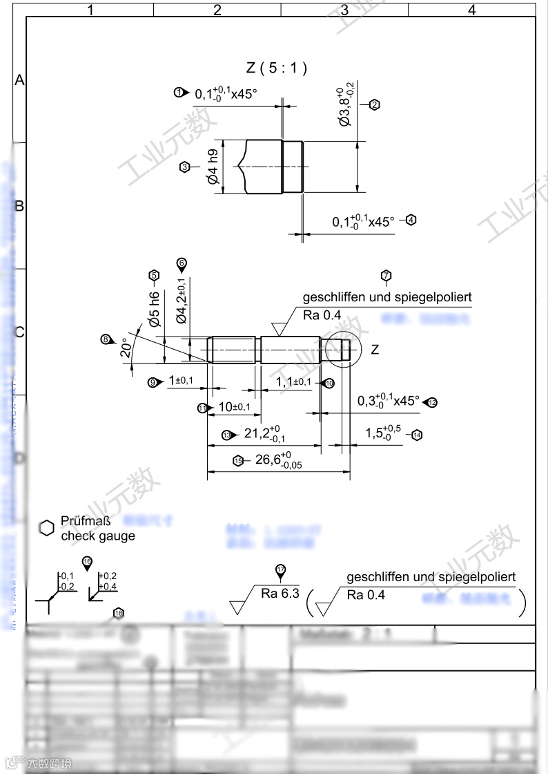
轴2
工艺:机加工、锻造
材料:1.4305+AT
数量:10万件
需求:请按图纸要求含税运报价,能接单的厂商尽快联系。
截止时间:2025.9.2
收货地:上海
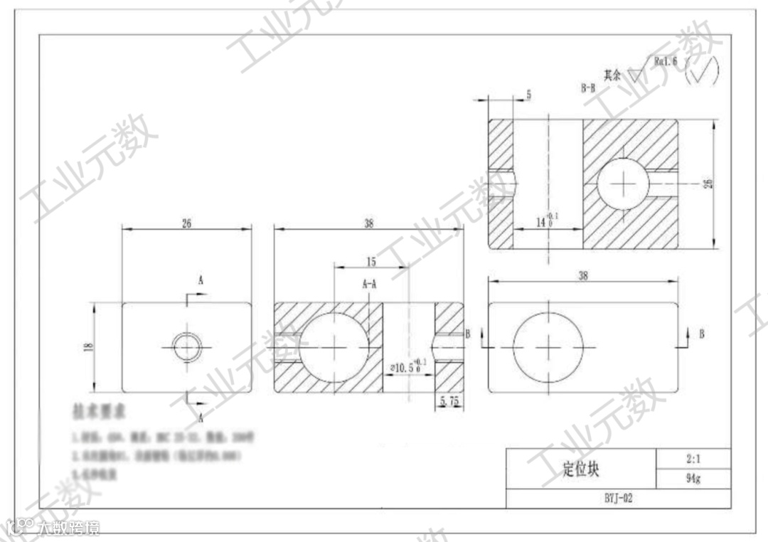
定位块
工艺:机加工
材料:45#
数量:200件
需求:请按图纸要求报含税运最优价格,能接单的厂商尽快联系。
截止时间:2025.9.2
收货地:长沙
衔铁(涂层)
工艺:机加工、表面处理
材料:1.0715
数量:10万件
需求:请按图纸要求报含税运最优价格,能接单的厂商尽快联系。
截止时间:2025.9.2
收货地:上海
外壳(涂层)2
工艺:机加工、表面处理
材料:1.0715
数量:10万件
需求:请按图纸要求含税运报价,能接单的厂商尽快联系。
截止时间:2025.9.2
收货地:上海
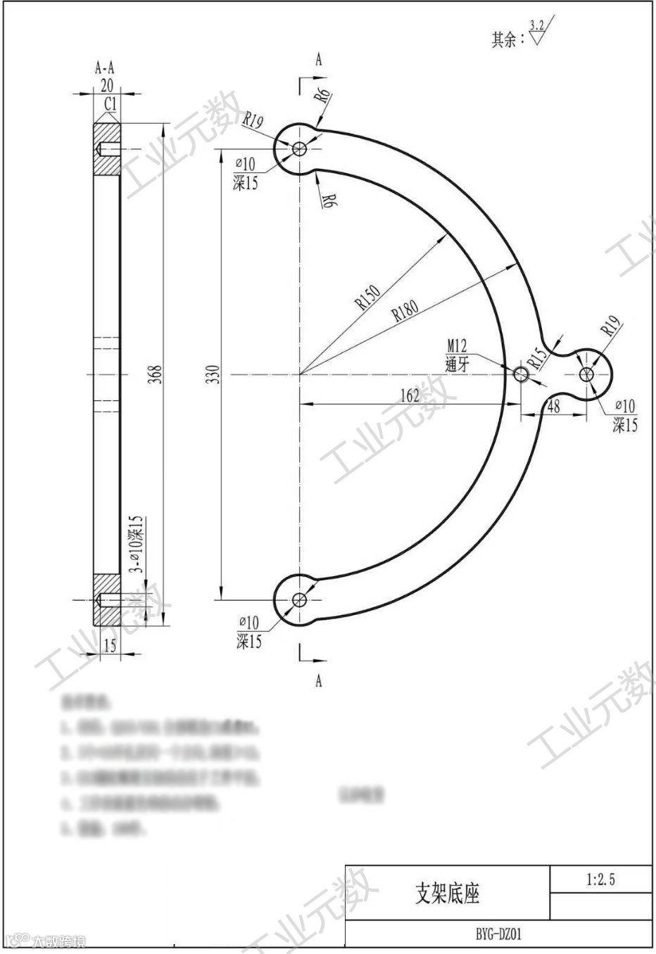
支架底座
工艺:机加工
材料:Q235/45#
数量:100件
需求:请按图纸要求含税运报价,能接单的厂商尽快联系。
截止时间:2025.9.2
收货地:长沙
搅拌轴、叶片
工艺:机加工
材料:304
数量:200套
需求:请按图纸要求报含税运最优价格,能接单的厂商尽快联系。
截止时间:2025.9.2
收货地:长沙
搅拌罐
工艺:钣金、表面处理
材料:不锈钢
数量:100件
需求:请按图纸要求报含税运最优价格,能接单的厂商尽快联系。
截止时间:2025.9.2
收货地:长沙
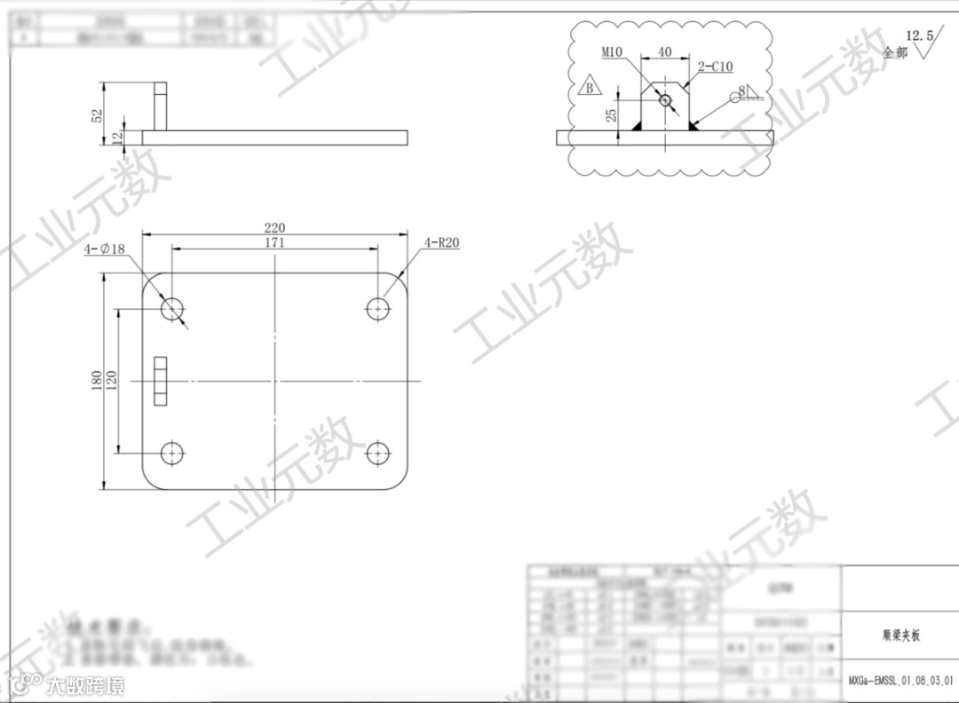
顺梁夹板
工艺:冲压、表面处理
材料:Q235B
数量:139件
需求:产品单个净重3.60kg,表面处理为劳尔7040色号,成品交付,能接单的厂商尽快联系。
截止时间:2025.8.31
收货地:上海
胶木刮料板
工艺:钣金
材料:酚醛胶木板(颜色黄)
数量:200件
需求:请按图纸要求含税运报价,能接单的厂商尽快联系。
截止时间:2025.8.31
收货地:长沙
挡圈
工艺:表面处理、冲压、热处理
材料:16MnCr5
数量:1100件
需求:表面处理需硬化+回火至53±2HRC,硬化深度1mm;报价需含税运及包装FOB上海进仓费,能接单的厂商尽快联系。
截止时间:2025.8.31
收货地:上海

