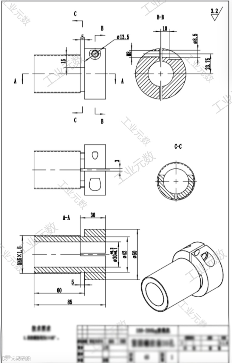
销轴
工艺:机加工
材料:45钢
数量:500个
需求:请按图纸要求,报下调质和不调质价格,具备生产能力的厂商尽快联系。
截止时间:2025.8.18
收货地:泰州
法兰
工艺:机加工
材料:316不锈钢
数量:1200件
需求:请按图纸要求含税运报价,确保产品质量,提供合理价格,具备生产能力的厂商尽快联系。
截止时间:2025.9.30
收货地:南京
不锈钢件
工艺:机加工
材料:不锈钢316
数量:20000只
需求:外径1.3mm,总长7mm,需加工1.05mm内孔(深度3mm),优先寻找温州附近加工厂合作。
截止时间:2025.8.20
收货地:温州
轴适配器
工艺:机加工
材料:42CrMo4+QT
数量:50件/年
需求:请按图纸要求含税运报价,具备生产能力的厂商尽快联系。
截止时间:2025.8.18
收货地:上海
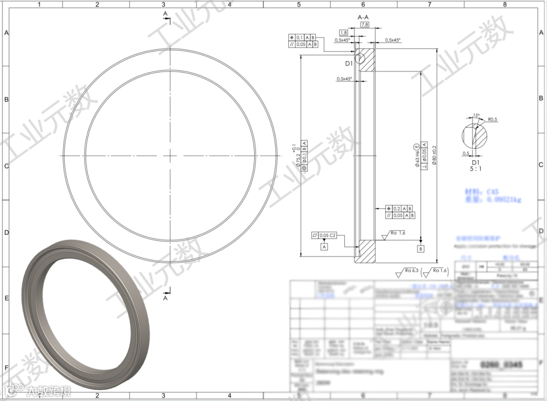
平衡盘挡圈
工艺:机加工
材料:C 45
数量:80件/年
需求:请按图纸要求含税运报价,具备生产能力的厂商尽快联系。
截止时间:2025.8.18
收货地:上海
抱紧螺母
工艺:机加工
材料:45钢
数量:200个
需求:交货期10天,需进行调质处理,请按图纸要求含税运报价,具备生产能力的厂商尽快联系。
截止时间:2025.8.20
收货地:青岛
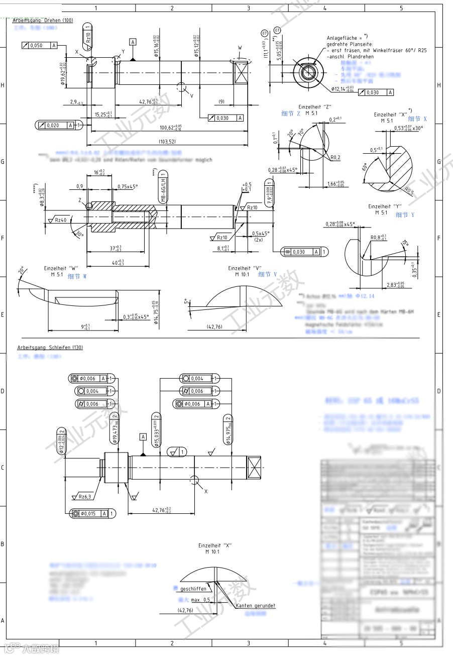
T1516机加项目
工艺:机加工
材料:ESP 65 或 16MnCrS5
数量:85000件
需求:请按图纸要求报含税运及包装FOB上海进仓费,具备生产能力的厂商尽快联系。
截止时间:2025.8.18
收货地:上海
锻造件
工艺:锻造
材料:Acier 36NiCrM016 EN 10083-1
数量:600件
需求:成品交付,请按图纸要求含税运报价,具备生产能力的厂商尽快联系。
截止时间:2025.8.20
收货地:常州
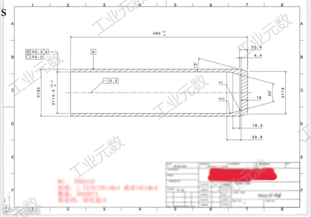
壳体1
工艺:机加工
材料:1.7218/25CrMo4 或 34CrMo4
数量:5000PCS
需求:需热处理球化退火,请按图纸要求含税运报价,具备生产能力的厂商尽快联系。
截止时间:2025.8.20
收货地:常州
壳体2
工艺:机加工
材料:1.7218/25CrMo4 或 34CrMo4
数量:5000PCS
需求:需热处理球化退火,请按图纸要求含税运报价,具备生产能力的厂商尽快联系。
截止时间:2025.8.20
收货地:常州
45#件
工艺:机加工
材料:45#
数量:100件
需求:请按图纸要求含税运报价,具备生产能力的厂商尽快联系。
截止时间:2025.8.20
收货地:长沙
316L不锈钢分流集
工艺:机加工
材料:SUS316L
数量:3500件/月
需求:按图纸加工,需四轴加工,牙孔机攻,注意表面光洁度,无毛刺,具备生产能力的厂商尽快联系。
截止时间:2025.8.21
收货地:常州
轴
工艺:机加工
材料:45#
数量:3500件/月
需求:请按图纸要求含税运报价,具备生产能力的厂商尽快联系。
截止时间:2025.8.21
收货地:常州
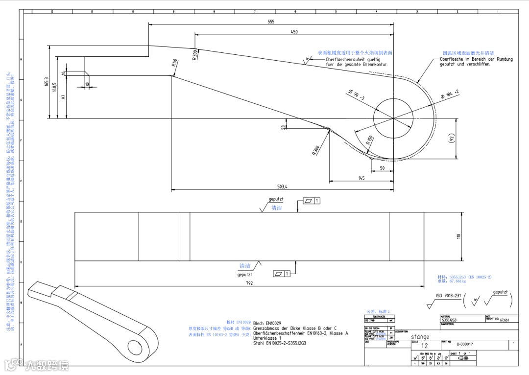
异形件
工艺:机加工
材料:S355J2G3
数量:200件
需求:请按图纸要求含税运报价,具备生产能力的厂商尽快联系。
截止时间:2025.8.22
收货地:上海
电器安装板
工艺:机加工
材料:PVC板/塑料板/胶木板
数量:150件(8mm规格100件,5mm规格50件)
需求:请按图纸要求报含税运最优价格,具备生产能力的厂商尽快联系。
截止时间:2025.8.21
收货地:长沙

