导读
安全天天讲,事故年年有。有的人思想麻痹,开小差,放松了安全意识,就进行了违章作业,酿成了大祸,甚至丢了自身性命!以下是一些安全事故,胆小慎入!!!
视频资料,建议wifi观看:
一、事故简要经过
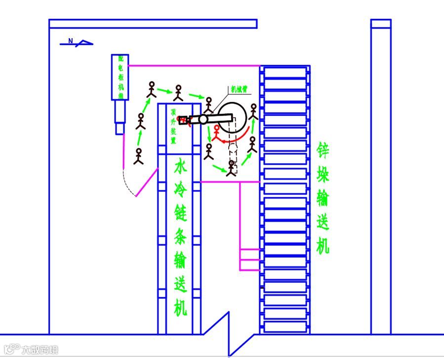
2019年6月6日凌晨5时29分,某冶炼厂熔铸工序307班锌锭码垛作业线机械臂主操手(小组长)金某在自动码锭机组未停机情况下,从未关闭的隔离栏安全门进入自动码锭机作业区域,在机械臂作业半径内进行场地卫生清扫。
5时30分,金某行走至码锭机取锭位置与机械臂区间时,因顶锭装置接收到水冷链条传输过来的锌锭,信号传输至机械臂,机械臂自动旋转取锭,瞬间将金某推倒在顶锭装置上,锌锭抓取夹具挤压在金某左部胸腔。锌锭打包工张某立即启动急停开关,并呼叫附近人员一起实施救援,副厂长王某听到呼叫声,立即赶到现场参与救援。王某、张某等人手动控制将顶锭装置降落复位,并将金某身下压覆的锌锭取出,增大活动空间,但仍无法救出,后使用撬棍抬升机械臂等方式,均未能将金某救出。
熔铸工序307班班长杨某赶到现场后,组织人员拆卸机械臂地脚螺栓,用电动单梁吊吊起机械臂,于5时48分将金某救出,6时05分120救护人员赶到现场实施抢救,后送往某县第二人民医院(某镇卫生院),金某经抢救无效死亡。
二、事故直接原因初步分析
金某违反云某有限公司《机械臂安全环保技术操作规范》Q/YCQXJ3060.新增-2019中4.3.5“严禁在机械臂作业时进入作业区域空间” ,以及5.3.2.3“机械臂断电后,操作人员方可进入作业半径内”的规定,违章进入自动码锭机机械臂作业半径区域进行清扫作业。
三、事故暴露出的问题
(一)违反“十条禁令”行为未能得到有效遏制和杜绝,金某违反第八条“严禁违章穿越或进入正在运转的设备设施”,导致事故发生。
(二)对《机械臂安全环保技术操作规范》、《机械臂技术规范》教育培训不到位,未组织有针对性的复岗培训考试,培训质量不高,员工安全风险防范意识不强。
(三)安全防护设施不完善,隔离栏安全门与机械臂未有效连锁。
(四)现场人员未能清晰掌握机械臂手臂发生人员困住的解救措施,应急处置能力不足。
这样的事故还有很多
男子被卷入设备中,顷刻之间,骨肉分离
类似事故一次次再发生
如印在眼帘
员工被卷入设备,员工“操作”2分钟才停下设备
凌晨3点,徒手操作设备被卷入
直接带入设备
女工两只手臂被卷入机器滚轴之间,
因巨痛女工当场昏迷。
双手被辊卷入,无法 脱身
参观人员直接“飞入”设备
女工长发卷入设备
人被车床卷入的恐怖震撼瞬间!
员工被卷入运转的机器
短短六秒,眼前一条鲜活的生命瞬间就没了
员工被卷入料
看起来,是放松了对运转设备的警惕
实际上,是丢弃了对自己生命的责任
![]()
如何防范机械伤害事故
① 检修机械必须严格执行断电挂禁止合闸警示牌和设专人监护的制度。机械断电后,必须确认其惯性运转已彻底消除后才可进行工作;机械检修完毕,试运转前,必须对现场进行细致检查,确认机械部位人员全部彻底撤离才可取牌合闸;检修试车时,严禁有人留在设备内进行点车。
② 对人手直接频繁接触的机械,必须有完好紧急制动装置。该制动钮位置必须使操作者在机械作业活动范围内随时可触及到;机械设备各传动部位必须有可靠防护装置;各人孔、投料口、螺旋输送机等部位必须有盖板、护栏和警示牌;作业环境保持整洁卫生。
③ 各机械开关布局必须合理,必须符合规定标准。便于操作者紧急停车;避免误开动其他设备。
④ 对机械进行清理积料、捅卡料、上皮带蜡等作业,也应遵守停机断电挂警示牌制度。
⑤ 严禁无关人员进入危险因素大的机械作业现场,非本机械作业人员因事必须进入的,要先与当班机械作者取得联系,有安全措施才可同意进入。
⑥ 操作各种机械人员必须经过专业培训,能掌握该设备性能的基础知识,经考试合格,持证上岗,上岗作业时,必须注意力集中,严格执行有关规章制度,正确使用劳动防护用品,严禁无证人员开动机械设备。
⑦ 供电的导线必须正确安装,不得有任何破损和漏电的地方。电机绝缘应良好,其接线板应有盖板防护。
⑧ 开关、按钮等应完好无损,其带电部分不得裸露在外。局部照明应采用安全电压,禁止使用110伏或220伏的电压。
⑨ 操作前应对机械设备进行安全检查,先空车运转,确认正常后,再投入使用。机械设备在运转时,严禁用手调整;不得用手测量零件或进行润滑、清扫杂物等。机械设备运转时,操作者不得离开工作岗位。
⑩ 工作结束后,应关闭开关。
作为工厂员工
日复一日重复着单调、乏味的动作
以致很多员工养成了普遍的陋习
躐等躁进、漠视规章
亦或在某个岗位待久了
因为太过熟悉这个岗位的流程
致使经常出现忽视操作规章的事
甚至明知违规违章,依然我行我素
这样极易发生生产安全事故
各有关企业要引以为戒
从以上事故案例中汲取教训
结合企业实际全面开展自查自纠
切实落实好安全生产主体责任
严防机械伤害事故发生
...END...
声明: 本号对转载、分享、陈述、观点、图频保持中立,目的仅在于传递更多信息,版权归原作者。
往期精彩呈现(点击标题阅读):
——印刷车间顺口溜!个中的辛酸只有自己清楚.......
——惊悚!广东某印刷厂机房清洁水棍导致起火!?【视频】
这到底是一家“神马”印刷厂?竟然敢买4000万的印刷机?
一起凶杀案毁灭五个家庭,全印刷业都在反思....
一个月要挣多少钱,才能让老婆不上班.......
——印刷英豪出我辈!一入机房岁月催 ......
——那年我十八岁, 听说这个行业很挣钱......
——满分作文《我的爸爸是做印刷的》!
——爸爸,国庆后别再干印刷了,好吗?
——我们不一样之印刷人!看到最后看哭了!——"等我干印刷发财了,就和你离婚"
一名印刷技术工的人生感慨!——10年前与10年后
印刷工转型记.......故人西辞印刷厂, 跑去山东找蓝翔........
——别人开房, 我们开机;别人装逼, 我们装纸;
如果你有朋友做印刷机长的,请好好对他们吧!
印刷苦,印刷累,说起印刷就流泪!
17家造纸企业实施价格垄断被处罚778万元!
——高考后!我们会一直在印刷厂等你!——这是一支从事印刷行业人抽过的烟.....
——纸价一口气涨2000!炒房炒股不如“炒纸”!
印刷人专属平台
动动手指即可关注中★印★网
|印刷技术|趣事|人生感悟|搞笑视频|招聘求职|
公众号
yinshua96
中印网推荐
专业爱色丽密度仪
色差仪买卖维修、回收校准色彩管理培训、GMI认证辅导
13728626380
了解详情长按识别二维码加好友
专业印刷配件商城
【商家免费入驻】
|全新原装|二手拆机|国产代用|闲置处理|检测仪器
公众号feianda
更多精彩 请点阅读原文


































13728626380





