
第一节、电阻上的电流跟两端电压的关系
当电阻一定时,导体中的电流跟导体两端的电压成正比。
当电压一定时,导体的电流跟导体的电阻成反比。
第二节、欧姆定律及其应用
1、欧姆定律
内容:导体中的电流,跟导体两端的电压成正比,跟导体的电阻成反比。(德国物理学家欧姆)
公式:
U=IR
U——电压——伏特(V);
R——电阻——欧姆(Ω);
I——电流——安培(A)
使用欧姆定律时需注意:
不能被理解为导体的电阻跟这段导体两端的电压成正比,跟导体中的电流成反比。因为电阻是导体本身的一种性质,它的大小决定于导体的材料、长度、横截面积和温度,其大小跟导体的电流和电压无关。人们只能是利用这一公式来测量计算导体的电阻而已。
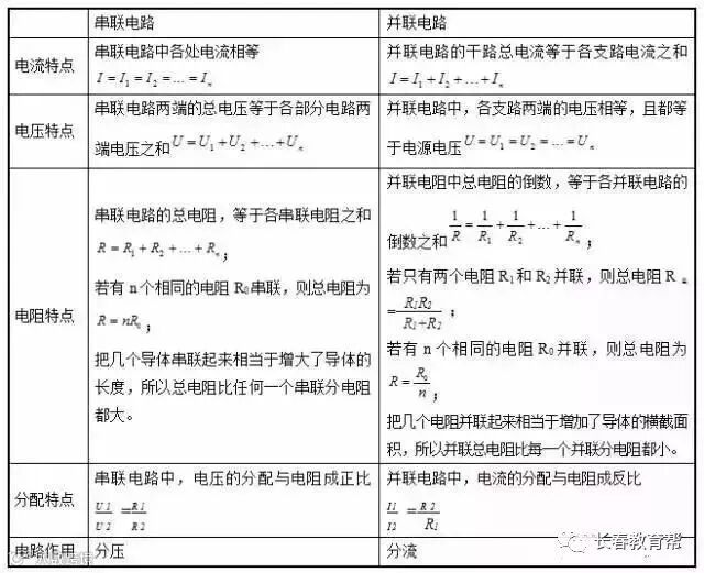
2、电阻的串联和并联电路规律的比较

注意:电路(串联、并联)中某个电阻阻值增大,则总电阻随着增大;某个电阻阻值减小,则总电阻随着减小
习题一:如图,灯L1与L2是两只相同的小灯泡,当开关S闭合时,灯L1发光,而L2不发光,则产生故障的原因可能是( )

A.灯L1的灯丝断了
B.灯L2的灯丝断了
C.灯L1被短路了
D.灯L2被短路了
串联电路中,电流只有一条路径;故障包括短路和断路,断路时,电路中没有电流,所用用电器都不能工作;短路时,电路中有电流通过,被短路的用电器不能工作.
【解析】 D
因为灯泡L1和L2串联连接,并且只有L1发光,说明电路中有电流通过,因此不是断路故障,即L2被短路.
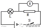
习题二:某同学采用如图所示电路做电学实验时,出现一处电路故障,以下分析正确的是( )

A.若电流表无示数,电压表有示数,则R1可能短路
B.若电流表无示数,电压表无示数,则R2可能断路
C.若电流表有示数,电压表有示数,则R1可能断路
D.若电流表有示数,电压表无示数,则R2可能短路
答案:D
【解析】
A、说法错误,若电流表无示数,电压表有示数,应R2断路.
B、说法错误,若电流表无示数,电压表无示数,应R1断路
C、说法错误,若电流表有示数,电压表有示数,则R1短路
D、说法正确,若电流表有示数,电压表无示数,则R2短路.
习题三:如图甲所示,开关闭合时,电压表V的读数是3V,电压表V1的读数也是3V,则电路故障是 .如图乙所示,电路连接好后,闭合开关,发现电压表V1有示数,电压表V2没有示数,电流表A也没有示数,则电路故障是

(1)由甲图可见,L1和L2串联,电压表V1测量L1两端的电压;电压表V2测量串联电路两端的电压,电压表有示数,说明电压表与电源连接的部分电路无开路,与电压表并联的部分无短路;
(2)图乙中电压表V1有示数,说明电压表V1的正负接线柱与电源正负极之间连接是连通的;电流表无示数说明是某处断路或电流表短路,电压表V2没有示数,说明与电压表并联的部分短路或电压表与电源连接的部分电路开路,综合分析进行判断.
【解析】
(1)甲图中两灯串联,电压表V1测量L1两端的电压;电压表V2测量串联电路两端的电压,并且V1、V2示数相等都为3V;说明L2两端没有电压,因此电路故障可能为L2短路.
(2)图乙中闭合开关,电流表A与电压表V2的示数为零,说明与他们串联的电路是断路状态,但不可能是滑动变阻器断路(如果滑动变阻器断路,电压表V2有示数);电压表V1有示数,说明与V1串联的电路是通路,所以电路故障为电阻R1开路.
故答案为:L2短路;R1开路.
习题四:如图所示的电路中,闭合开关S,发光灯L不亮,电压表
有示数.不考虑灯L和电阻R同时出现故障的情况:
(1)该电路中存在的故障可能是______或______.
(2)为进一步确定故障,小华同学将一个电流表正确串联在该电路中,闭合开关S,观察电流表的示数情况:若电流表有示数,说明故障是______;若电流表无示数,说明故障是______.

(1)灯L不亮,说明灯被短路或电路某处有断路;
(2)电压表有示数,电压表的正负接线柱到电源正负极的连接是连通的,与电压表并联的部分内部可能出现断路.
【解析】
(1)闭合开关S后小灯泡不发光,原因有二:一是电灯被短路,灯不亮,电压表测量电阻R两端的电压,有示数;
二是,电阻R断路,电路中无电流,但电压表的正负接线柱到电源正负极的连接是连通的,电压表有示数;
(2)将一个电流表正确串联在该电路中,若电流表有示数,说明故障是灯L短路;若电流表无示数,说明故障是电阻R断路.
故答案为:
(1)灯L短路;电阻R断路;
(2)灯L短路;电阻R断路.
声明:此文来源于网络,由长春教育帮编辑整理发布,欢迎大家收藏及转发到朋友圈,如涉及版权问题,请及时联系删除!
赞是一种鼓励 分享是最好的支持
放 到 你 圈 子 里,朋 友 们 会 感 激 您
【2019中考的家长】抓紧加帮主进中考群,长春教育帮又要开始为新一届家长朋友送福利了!中考大题名师精讲、中考报考全程指导!快进群吧……

进中考群

