
一到电学,很多同学就表示懵到不行。
物理君为大家整理了超详细的知识点和练习题。
每天都会发一点~
想要有所提高的同学,
一定要记得关注我们准时守候哦!
快拿出草稿本做一做!
错过没看的第一部分请点击这里↓:
重难点1 动态电路的分析
类型1 开关通断类动态电路分析
1.如图所示电路中,R1、R2和R3为定值电阻,电源电压保持不变,先闭合开关S1,再闭合开关S2、S3,电表示数的变化情况正确的是( )

A.电流表示数变大,电压表示数变大
B.电流表示数变小,电压表示数变小
C.电流表示数变大,电压表示数变小
D.电流表示数变小,电压表示数变大
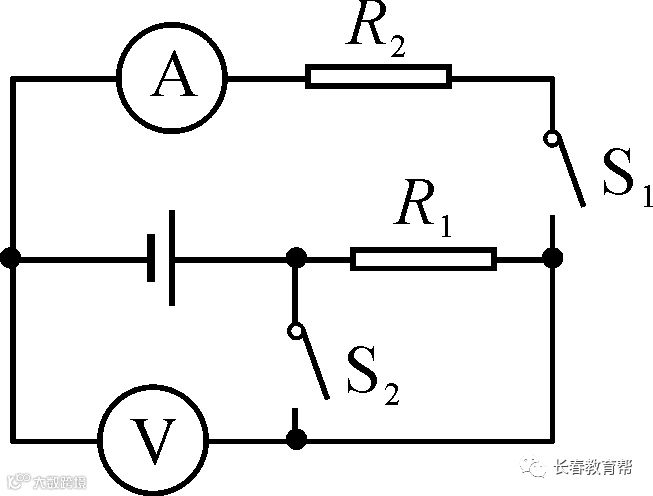
2.如图所示的电路中,R1、R2均为定值电阻,电源电压不变,闭合开关S1、S2,两电表均有示数;再断开开关S2,此时电压表测________两端电压,则电流表示数________,电压表示数________,电压表与电流表示数之比________.(填“变大”“变小”或“不变”)

类型2 滑动变阻器类动态电路分析
3.如图所示电路,电源电压保持不变,闭合开关S,当滑动变阻器的滑片P从a端向b端滑动时( )

A.电压表V2示数与电流表A示数比值变大
B.电压表V1示数与电流表A示数比值变小
C.电流表A示数变大,电压表V1示数变大
D.电流表A示数变大,电压表V2示数变大
4.在如图所示的电路中,电源电压保持不变.闭合开关S后,将滑动变阻器滑片P向左移动时,以下说法正确的是( )

A.两电流表示数的差值变小
B.电压表V示数与电流表A1示数的比值不变
C.电压表V示数与电流表A2示数的比值不变
D.电压表V示数不变,电流表A2示数变大
重难点2 欧姆定律的相关计算
5.(2017·淮安)如图所示电路,电源电压恒定,R1=20Ω,R2=10Ω,当S1闭合,S2、S3断开时,电流表的示数为0.6A,电源电压为________V;当S2闭合,S1、S3断开时,电流表示数为________A;当S1、S3闭合,S2断开时,电流表示数为________A.
6.如图所示为一种人体秤的工作原理示意图,电源电压恒定不变.体重显示表是由电流表改装而成,定值电阻R0起保护电路作用,其电阻值为20Ω.在人体秤上不施加力时滑片P在电阻R的最上端,施加的力最大时滑片P移至电阻R的最下端.该人体秤测量范围0~100kg,电路中电流变化范围0.1~0.6A,则电源电压为________V,滑动变阻器的最大值为________Ω.

重难点3 欧姆定律的相关图象问题
7.(2017·临沂)如图是电阻甲和乙的I-U图象,小明对图象信息作出的判断,正确的是( )

A.当甲两端电压为0.5V时,通过它的电流为0.3A
B.当乙两端电压为2.5V时,其电阻值为10Ω
C.将甲和乙串联,若电流为0.3A,则它们两端的总电压为2V
D.将甲和乙并联,若电压为1V,则它们的干路电流为0.4A
1.A
2.R2 变小 变小 不变
3.C 4.C
5.6 0.2 0.9
6.12 100
7.C
实验突破1 探究电流与电压的关系
1.(2017·宜宾)小明“探究导体的电流与导体两端电压的关系”时,使用的器材如图甲所示,电源电压不变,R为定值电阻.

(1)请用笔画线代替导线,将图中的电路连接完整.(导线不能交叉)
(2)由于导线中的电流可能与两端的电压和导体的电阻都有关系,所以在本次实验中应该保持________不变;滑动变阻器除了保护电路外,还起到________________________的作用.
(3)连接电路时,开关应该________,合上开关前,变阻器滑片P应该处于图中________(填“C”或“D”)端.
(4)某次实验电压表示数如图乙所示,电压为________V.
(5)通过实验,他得到如图丙所示的I-U图象,根据此图象,他初步得到实验结论:导体的电阻一定时,导体中的电流与该导体两端的电压成________.
(6)实验过程中,如果电流表示数为0,电压表示数接近3V,电路发生的故障可能是____________.
(7)小明想将定值电阻换成小灯泡来探究电流与电压的关系,你认为他的实验方案可行吗?请说出理由.
答:________(填“可行”或“不可行”);理由:________________________.
实验突破2 探究电流与电阻的关系
2.(2017·德州)现有下列器材:学生电源(6V),电流表(0~0.6A,0~3A)、电压表(0~3V,0~15V)、定值电阻(5Ω、10Ω、20Ω各一个)、开关、滑动变阻器和导线若干,利用这些器材探究“电压不变时,电流与电阻的关系”.

(1)请根据图甲所示的电路图用笔画线代替导线将图乙所示的实物连接成完整电路.(要求连线不得交叉)
(2)实验中依次接入三个定值电阻,调节滑动变阻器的滑片,保持电压表示数不变,记下电流表的示数,利用描点法得到如图丙所示的电流I随电阻R变化的图象.由图象可以得出结论:________________________________________________________.
(3)上述实验中,小强用5Ω的电阻做完实验后,保持滑动变阻器滑片的位置不变,接着把R换为10Ω的电阻接入电路,闭合开关,向________(填“A”或“B”)端移动滑片,使电压表示数为________V时,读出电流表的示数.
(4)为完成整个实验,应该选取________规格的滑动变阻器.
A.50Ω 1.0A B.30Ω 1.0A C.20Ω 1.0A
(5)当定值电阻为10Ω时,对应的电流表示数为0.2A,接着为了测量更多组数据,又提供了15Ω、25Ω、30Ω、35Ω定值电阻各一个,在(4)小问的基础上,其中____________的定值电阻不能使用.

(6)如图所示,闭合开关,发现电流表指针在如图丁所示位置,且电压表无示数,则可能的原因是:
①电流表________________.
②定值电阻R________.
1.(1)
(2)电阻 改变定值电阻两端电压
(3)断开 D
(4)2.6
(5)正比
(6)电阻R断路
(7)不可行 灯丝的电阻随温度变化明显
2.(1)
(2)电压一定时,导体中的电流与电阻成反比
(3)A 2
(4)A
(5)30Ω和35Ω
(6)①正负接线柱接反了 ②短路
《寒假来七馨,让家长放心,学生舒心!》
赞是一种鼓励 分享是最好的支持
放 到 您 的 朋 友 圈 里,朋 友 们 会 感 激 您

