
编者按
针对皮带轮批量生产中12×M8-6H深30mm螺纹盲孔因径向空间受限、轴向尺寸较大导致加工困难的问题,原工艺采用专用丝锥,存在成本高、易折断、寿命短等缺陷。改进后设计并应用分体焊接式加长转接套,配合普通丝锥完成攻螺纹,有效解决了螺纹中径超差率高的问题,显著提升加工精度与经济性。
1 序言
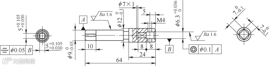
皮带轮需在第二级端面加工12×M8-6H深30mm螺纹盲孔,该位置距上端面有一定距离,且螺纹孔与外圆之间的径向空间仅8mm,无法满足常规攻螺纹夹头的回转半径要求(22mm)。此前采用专用丝锥或丝锥延长杆方案均存在明显弊端:专用丝锥单价达127元,每套仅能加工6~8件,成本高且易断裂;而普通丝锥加延长杆则因制造精度不足,导致螺纹中径超差率超过20%,严重影响成品合格率与生产进度。为此,研发一种分体焊接式加长转接套,实现低成本、高精度攻螺纹加工。
2 专用丝锥攻螺纹加工方案分析
专用丝锥结构如图1所示,实物见图2,加工状态如图3。由于工件单边空间仅为8mm,远小于攻螺纹夹头定位部分回转半径(22mm),故夹头定位平面不能低于工件上表面。经计算,所需丝锥最小长度为100mm(31+31+30+8),而标准M8-H2机用丝锥长度仅70mm,无法满足加工需求,必须定制专用加长丝锥。尽管其可满足尺寸要求,但成本高、寿命短,不适用于大批量生产。
图1 专用丝锥结构
图2 专用丝锥实物
图3 专用丝锥攻螺纹
3 一体式丝锥加长转接套配合普通丝锥螺纹加工方案
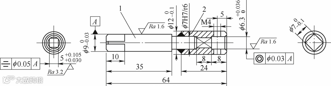
为降低成本,尝试采用一体式加长转接套配合普通M8丝锥加工,结构如图4,三维模型见图5。该转接套一端通过方孔和圆孔定位并由M4顶丝锁紧,另一端与攻螺纹夹头连接。虽然设计简单,但工艺实现难度大:其中<φ8mm×8mm>圆孔与<φ14mm×9mm>方孔之间对称度要求ϕ0.05mm,因方孔为盲孔,需电脉冲加工,难以精确找正,导致装配后丝锥跳动超标,最终造成螺纹中径超差,合格率低,无法满足批量生产要求。
图4 皮带轮用整体式丝锥转接套
图5 一体式加长转接套三维模型
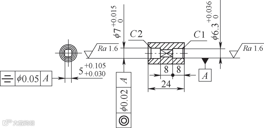
4 分体焊接式丝锥加长转接套配合普通丝锥螺纹加工方案
鉴于一体式方案无法保证精度,提出分体焊接式加长转接套新方案,结构如图6,三维模型见图7。该装置由连接杆与连接套两部分组成,分别加工后组焊,并在外圆磨床上以中心孔及内孔定位,精磨外圆,确保同轴度ϕ0.02mm。连接套两端<φ14mm×8mm>孔与<φ12mm×8mm>孔间同轴度ϕ0.02mm可通过先磨外圆再磨内孔间接保证;中间方孔与圆孔对称度ϕ0.05mm通过线切割精准找正实现,实测可达ϕ0.01mm。
材料选用40Cr,热处理后硬度达45~50HRC,具备良好强度与抗冲击性能。装配时,丝锥通过方孔与圆孔定位,M5顶丝锁紧,整体刚性强,跳动控制优异。实际试验证明,每套普通M8丝锥可加工12~15件皮带轮,螺纹中径合格率提升至99%以上。
a)皮带轮用整体式丝锥转接套
b)连接杆
c)连接套
图6 分体焊接式丝锥加长转接套
图7 分体焊接式丝锥加长转接套三维模型
图8 分体焊接式丝锥加长转接套实物
图9 分体焊接式丝锥加长转接套与专用丝锥对比
图10 分体焊接式丝锥加长转接套与专用丝锥安装攻螺纹夹头后对比
a)分体焊接式加长转接套攻螺纹
b)专用丝锥攻螺纹
图11 分体焊接式加长转接套与专用丝锥攻螺纹对比
5 结束语
通过设计并应用分体焊接式加长转接套,成功实现以普通丝锥替代专用丝锥加工受限空间内的螺纹孔,解决了传统延长杆方案中螺纹中径超差严重的问题。改进后螺纹加工合格率提升至99%以上,刀具成本大幅下降,兼具高精度与高经济性,适用于类似结构零件的大批量生产,具有良好的推广应用价值。
本文发表于《金属加工(冷加工)》2025年第6期51~53+58页,作者:河北华北柴油机有限责任公司 程景龙、崔建华、刘良华,原标题:《攻螺纹专用分体焊接式加长转接套加工方案》。
☞来源:金属加工☞编辑:王倩☞责任校对:勾鑫彤☞审核人:李一帆☞媒体合作: 010-88379790-801

