什么是MOS管?
MOS管,全称MOSFET(Metal Oxide Semiconductor Field Effect Transistor),即金属氧化物半导体场效应管,属于绝缘栅型场效应管的一种,因此也称为绝缘栅场效应管。在电子电路中,MOS管广泛用于放大和开关电路。
MOS管的构造
以N沟道增强型MOS管为例:在低掺杂浓度的P型硅衬底上,通过光刻与扩散工艺形成两个高掺杂的N+区,分别引出漏极(D)和源极(S)。在两者之间的P型区域表面覆盖一层薄二氧化硅(SiO₂)绝缘层,并在其上沉积铝电极作为栅极(G)。该结构使栅极与其他电极之间完全绝缘。同理可制得P沟道增强型MOS管。
MOS管的工作原理
当栅源电压VGS=0时,漏源间存在反偏PN结,无导电沟道,漏极电流ID为零。当施加正向VGS时,在SiO₂绝缘层中形成电场,吸引电子在P型衬底表面形成N型导电沟道。当VGS超过开启电压VT(通常约2V)时,沟道连通,MOS管导通,产生ID。通过调节VGS大小可控制ID,体现了其“电压控制电流”的特性,故称场效应管。
MOS管的特性
- MOS管是电压驱动器件,栅极输入阻抗极高,因其栅源间等效为一个电容。
- 输入特性呈容性,静态下几乎不取电流,驱动功率小。
MOS管的电压极性与符号规则
N沟道MOS管符号中箭头指向内部,P沟道则向外,箭头代表衬底方向。实际产品中衬底常与源极连接,因此符号中箭头也与源极相连以区分漏极与源极。
N沟道MOS管工作时,漏极为正、源极为负,栅极加正压导通;P沟道相反,漏极为负、源极为正,栅极加负压导通,类似于对应类型的三极管。
MOS管与晶体三极管的对比特性
- 功能对应关系:MOS管的源极(S)、栅极(G)、漏极(D)分别对应三极管的发射极(e)、基极(b)、集电极(c)。
- 控制方式不同:MOS管为电压控制(跨导gm),三极管为电流控制(β值)。
- 输入阻抗高:MOS管栅极绝缘,输入电阻可达100MΩ以上,远高于三极管。
- 温度稳定性好:MOS管仅多数载流子参与导电,受温度影响小,噪声低,适用于高信噪比电路。
- 源漏可互换:在未连接衬底的情况下,MOS管源极与漏极可互换使用,性能变化不大。
- 广泛应用:现代大规模集成电路普遍采用MOS技术,逐步替代双极型晶体管。
MOS管在开关电源中的优势
- 高输入阻抗,驱动功率小: 栅源间为SiO₂绝缘层,直流电阻达100MΩ左右,交流输入主要表现为电容特性,所需驱动功率极低,灵敏度高。
- 开关速度快: 多子导电,无少子存储效应,关断迅速,开关时间在10–100ns,工作频率可达100kHz以上,显著优于传统晶体管。
- 无二次击穿现象: MOS管具有负温度系数特性,温度升高时漏极电流下降,避免热失控,可靠性高,大幅降低开关管损坏率。
- 导通呈线性电阻特性: 饱和导通后等效为线性电阻,符合欧姆定律,支持多管并联运行且具备自动均流能力,无需额外平衡电路。
上述优点使MOS管在开关电源领域全面取代传统大功率晶体管。目前MOS管耐压已可达1000V,广泛应用于各类开关电源,未来有望进一步拓展至更高功率场景。
什么是灌流电路?
MOS管作为开关管的特殊驱动需求
MOS管输入端呈容性,在开关过程中需对栅极电容反复充放电,若激励信号内阻较大,则会导致开通与关断延迟,影响效率甚至造成损坏。为此需设计“灌流电路”以提升驱动能力,加快充放电速度。
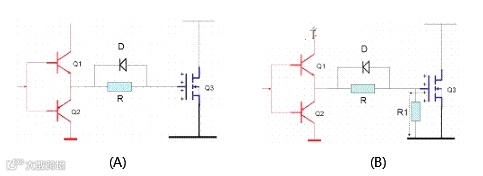
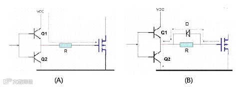
典型灌流电路结构
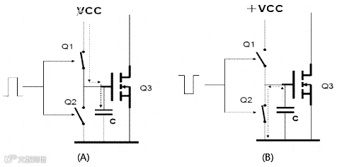
采用一对互补三极管(Q1为NPN,Q2为PNP)构成推挽输出,控制MOS管栅极充放电:
- 正半周: Q1导通、Q2截止,VCC经Q1快速向MOS管栅极充电,实现快速开通。
- 负半周: Q1截止、Q2导通,栅极电荷经Q2迅速释放,实现快速关断。
保护与优化措施
为防止瞬间充电电流过大损伤MOS管,需串联限流电阻R(数十Ω至百Ω级)。但R会影响放电速度,因此并联二极管D,使其在放电时提供低阻通路,确保快速关断。
另一种灌流电路形式
在小功率开关电源中,常用二极管D和PNP三极管Q组成简易灌流电路:
- 激励正半周:D导通,对栅极充电,Q截止。
- 激励负半周:D截止,Q导通,栅极电荷通过Q快速泄放。
MOS管开关应用必须设置泄放电阻
在电源关闭后,MOS管栅极可能仍保留电荷,导致再次启动时误导通,引发过大漏极电流而损坏。为此应在栅极与源极间并接泄放电阻R1(一般5kΩ–数十kΩ),确保电荷及时释放。
灌流电路主要用于解决MOS管容性输入带来的开关延迟问题,适用于开关模式;在线性放大等非开关应用中则无需配置。
实例应用电路分析
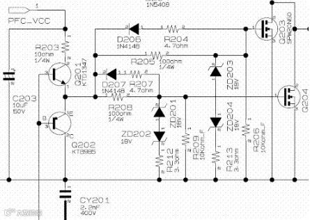
三星等离子V2屏PFC激励电路
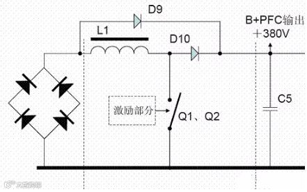
该电路为并联PFC结构,采用两只MOS管Q1、Q2并联以提高输出功率。Q3、Q4为灌流激励管,接收激励信号,提供快速充放电能力。每只MOS管配备:
- 充电限流电阻(R16/R14)
- 放电二极管(D7/D6)
- 关机泄放电阻(R17/R18)
D9用于抑制开机浪涌电流。
(图1:三星V2屏PFC部分电原理图)
(图2:等效电路框图)
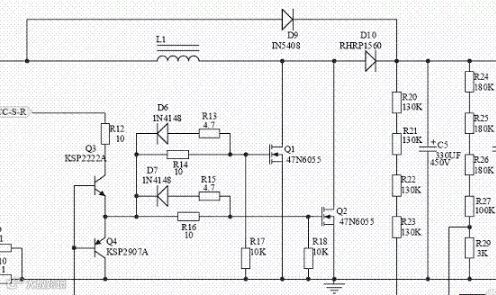
三星V4屏PFC激励电路
结构与V2屏类似,但在栅极泄放电阻(R209、R206等)上并联了过压保护稳压二极管(ZD202/ZD201等),增强抗干扰与防静电能力。
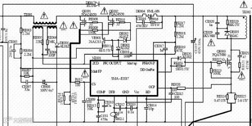
海信液晶电视PFC激励电路
采用复合集成芯片SMA-E1017(集成PFC与PWM控制),激励信号由PFCOUTPUT端输出,通过RE008–RE011、DE002–DE003及VE001构成灌流电路,驱动并联MOS管QE001/QE002。
其中RE011为充电限流电阻,DE003加速VE001导通,提升关断速度。整套系统还包括PWM部分,由QE003和TE002组成,RE050和DE020为其栅极驱动配套元件。
防静电保护
MOS管栅极绝缘,输入阻抗极高,易积累静电高压导致栅氧层击穿。早期产品无内置保护,使用需格外小心。现代大功率MOS管多在栅源间集成稳压二极管(DZ),将静电电压钳位于安全范围,提升抗ESD能力。尽管如此,操作时仍应遵循防静电规范。
检测与代换
MOS管的测试方法
建议使用指针式万用表进行检测,数字表因测试电压不足难以准确判断。常用TO-220F封装MOS管引脚排列为:面对型号标识,左为栅极(G),中为漏极(D),右为源极(S)。
测试步骤如下:
- 万用表置于R×10k挡(电池电压≥9V),红表笔接S极,黑表笔接D极,阻值应为无穷大,否则存在漏电。
- 用100k–200kΩ电阻连接G极与D极,表针应明显偏转至接近0Ω,表明栅极充电形成导电沟道。
- 移开电阻,表针应保持偏转状态,说明栅极电荷保持良好,无漏电。
- 用导线短接G极与S极,表针应回到无穷大,确认沟道消失。
MOS管的更换注意事项
- 优先选用原型号替换,若需代换,应确保电压、电流、功率参数不低于原管。
- 避免盲目选用大功率型号,因其输入电容更大,可能导致与驱动电路不匹配,影响开关性能。
- 案例显示,更换背光板MOS管时若仅关注功率而忽略电容参数,可能出现启动困难或闪烁问题。
- MOS管损坏后,其周边灌流电路元件(如限流电阻、二极管、驱动三极管)也应一并更换,以防隐患复发。
维修建议配备MOS管手册、高性能指针万用表(R×1挡中心阻值≤12Ω)及专业工具,以保障检测与更换质量。

