搜索
首页
大数快讯
大数活动
服务超市
文章专题
出海平台
流量密码
出海蓝图
产业赛道
物流仓储
跨境支付
选品策略
实操手册
报告
跨企查
百科
导航
知识体系
工具箱
更多
找货源
跨境招聘
DeepSeek
首页
>
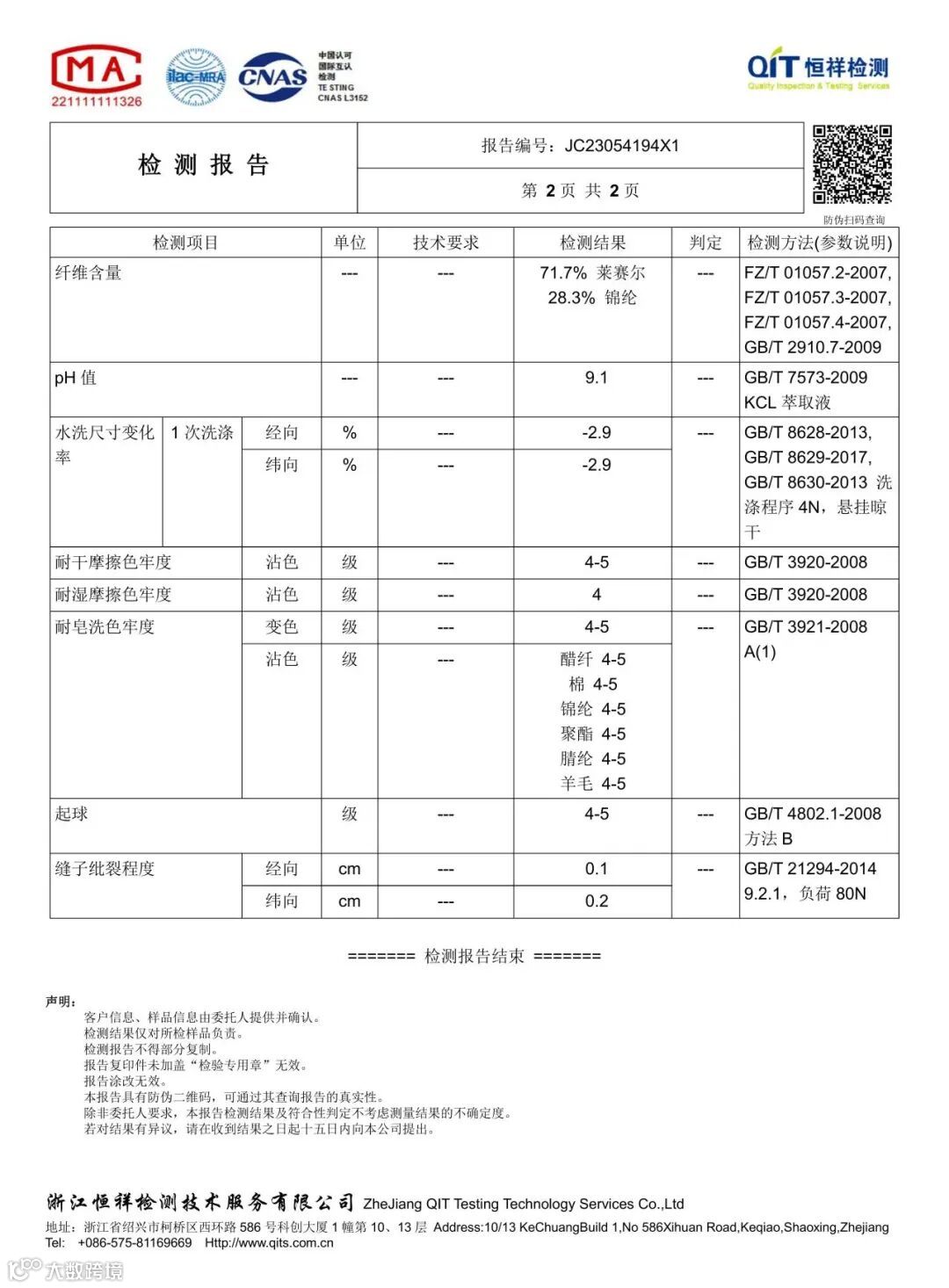
锦丝绉 TS945007
>
0
0
锦丝绉 TS945007
美尚美纺织
2025-12-27
3
导读:源于自然 回归自然
「Comfortable」
咨询色卡关注公众号
美尚美纺织
私信客服
注:以上信息仅供参考,一切以实物为准
【声明】内容源于网络
0
0
美尚美纺织
取之自然,归于自然!美尚美纺织以环保为核心理念,主营天丝、人丝、醋酸、TR。点击“关注”定期推送你的心仪面料。
内容
221
粉丝
0
关注
在线咨询
美尚美纺织
取之自然,归于自然!美尚美纺织以环保为核心理念,主营天丝、人丝、醋酸、TR。点击“关注”定期推送你的心仪面料。
总阅读
52
粉丝
0
内容
221
在线咨询
关注