石化行业是国民经济的支柱性产业,生产废水中除含有原料和产品组分外,通常还含有反应副产物以及原料带入的杂质组分,石化行业各生产环节产生的废水统称为石化综合污水。石化综合污水污染物种类多,组成复杂,治理难度大。

▲ 典型的石化行业产业链
近三十年来,石化废水的排放标准不断修订,排放要求不断提升。“十二五”期间整个行业经历了一次重要提标,从执行《污水综合排放标准》(GB 8978—1996)到《石油化学工业污染物排放标准》(GB 31571—2015),伴随着该标准的实施,石化综合污水处理技术也经历了一次升级。
石化废水处理面临的挑战和问题
我国石化企业(园区)数量多、分布广,化工产品种类多,废水排放节点多,园区综合污水处理厂进水组成复杂,一些园区可检出上百种特征有机物,水质水量差异大。石化园区综合污水处理厂已逐渐成为我国石化废水终端处理的主体,其稳定运行对于我国水体水质改善和水环境风险防控具有重要意义。影响石化综合污水处理厂稳定运行的主要因素有:污水毒性(生物抑制性)高,特征污染物和毒性减排不明,预处理技术不稳定、效率不高,生物处理工艺易受冲击,传统工艺流程难以满足越来越严格的国家排放标准,深度处理与回用技术成本高,易带来二次污染等问题。
因此,对于石化废水建立全面系统的有毒污染物生物抑制性基准体系,从组成复杂的园区污水中识别主要致毒污染物,从生产装置源头进行污染物减排与预处理;对高毒性、高生物抑制性污染物进行解毒和解除生物抑制性的针对性预处理;对传统生物处理工艺进行生物强化技术研究;加强对难降解有机物的深度处理,建立更加科学完善的石化综合废水深度处理技术和回用技术;确定经济合理的处理目标与工艺路线,建立切实有效且成本可控的化工园区综合污水处理全流程技术,是石化综合污水处理面临的挑战和问题。
本课题组在“十一五”至“十三五”期间相继承担了国家水体污染控制与治理科技重大专项课题“松花江重污染行业有毒有机物减排关键技术及工程示范”(2008ZX07207-004)、“松花江石化行业有毒有机物全过程控制关键技术与设备”(2012ZX07201-005)和“石化行业水污染全过程控制技术集成与工程实证”(2017ZX0740 2002),课题负责人均为周岳溪研究员,其中涉及的与石化综合污水处理相关的“石化企业废水有机物强化深度处理关键技术与设备”子课题和“石化园区污水处理厂运行优化与节能降耗技术及应用研究”子课题负责人均为吴昌永研究员,《石化综合污水处理技术与应用》(周岳溪等著. 北京 : 科学出版社, 2024. 12)即属于上述子课题技术成果。
本书针对石化综合污水处理领域面临的共性问题,以典型大型石化企业综合污水处理厂为研究对象,根据该厂的出水水质特性及实际需求,开展预处理、生物强化和深度处理技术小试和中试研究;并在此基础上开展技术集成研究,结合行业污水处理提标的要求,提出工程方案,所研发的技术在依托企业综合污水处理厂提标改造工程中应用,形成行业示范技术。这对于增加石化企业效益、增强石化企业竞争力具有重要意义。

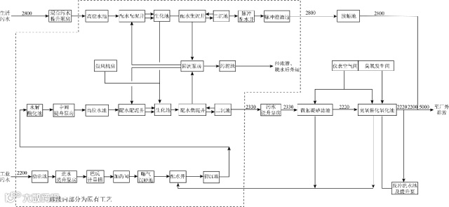
▲ 吉化污水处理厂改造后工艺流程图
吉化污水处理厂结合“微氧水解酸化—A/O—微絮凝砂滤—臭氧催化氧化”集成工艺对原水解酸化池、A/O 池、混合污水提升泵房等进行提标改造,新建微絮凝砂滤池、臭氧催化氧化池等对工业废水进行深度处理。工程改造后,污水厂运行稳定,出水水质满足新标准直接排放特别限值要求,特征污染物去除效果显著,出水毒性指标较低,每吨水处理运行成本降低至2.70 元,节能减排降耗效益显著,形成了较好的行业示范效果
本书的撰写和出版得到了国家水体污染控制与治理科技重大专项课题“石化行业水污染全过程控制技术集成与工程实证”(2017ZX0740 2002)和“松花江石化行业有毒有机物全过程控制关键技术与设备”(2012ZX07201-005)的资助;得到了国家水专项办公室、中国环境科学研究院领导的支持。
本文摘编自《石化综合污水处理技术与应用》(周岳溪等著. 北京 : 科学出版社, 2024. 12)一书“前言”“第1 章 绪论”,有删减修改,标题为编者所加。
(石化行业水污染全过程控制技术丛书)
ISBN 978-7-03-080046-6
责任编辑:郭允允 孙静惠
本书针对石化综合污水水质特点和行业废水排放要求的不断提升,以某典型大型石化园区综合污水为研究对象,系统研发了其预处理、生物强化和低浓度难降解有机废水耦合深度处理技术,在此基础上进行了技术集成研究和工程应用。在技术研发基础上,对相关类似技术也进行了系统梳理对比,可为石化综合污水处理工程及运行管理提供技术支持。
本书具有较强的技术性和可操作性,可供石化、化工、给排水和环境工程研究与设计人员,污水处理工程技术人员,工矿企业有关专业技术人员,环保部门管理人员参考,也可供高等学校环境科学与工程、给排水科学工程及其他相关专业师生参阅。
(本文编辑:刘四旦)

一起阅读科学!
科学出版社│微信ID:sciencepress-cspm
专业品质 学术价值
原创好读 科学品位
科学出版社 视频号
硬核有料 视听科学
传播科学,欢迎您点亮★星标,点赞、在看▼


