现在的业主们装修居住的舒适感提出了较高的要求,进而也引起了大家对装修施工工艺的重视,今天先跟大家分享家里有2个洗手间的情况下,排水管的安装设计工艺标准是怎么样的呢?
1、专业术语定义说明
排水:
顾名思义就是因废弃而外排的水,一般这一类水容易被二次利用。如建筑排水中的洗浴、盥洗、洗衣、厨房、泳池等排水以及类似情况。
排污:
是指被污染了的水,一般在家庭用水中主要是便器排水,又称为粪水。
住宅装修中分别设置有:
1、排污管(粪水管);
2、排水管;
3、排气管。

1、卫生间堵塞常见问题
在装修过程中 ,由于错误管道安装不恰当会导致很多问题,主要分为以下几类:
A、排污管交接位:
排污管交接位不应使用正三通;
正三通容易导致排水回流,排污物冲撞后将滞留在三通管附近位置。


B、拐弯位置:
拐弯位置不宜使用90°弯;
90°弯出现的地方将是一个减压作用,排污及污物将会在拐弯位置进行前后分离,因污物没有水流跑得快,污物将停留在该位置,而排污将随着排水管的斜度流走。



C、排水管坡度:
排水管坡度不宜过大、也不能平走;
没有坡度时,排污与排泄物停留漂浮在管内。
坡度过大时,将会导致排污比污物跑得快,排污污物分离污物停留在管内,排污顺管流走,留下来的污物将需二次冲水才能带走。

D、排水管管径:
管径并不是越大越好:
管径大了,污物不能半飘浮状态随水流排走;
管径小了增加阻力,阻碍污物顺畅排走。
不合理的布管方法将需要消耗更多的水进行冲刷,既不环保也经常堵塞增加卫生间异味。

3、排水管安装指引
根据《建筑给水排水及采暖工程施工质量验收规范》GB 50242-2002的规定:

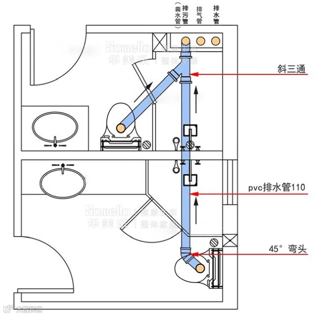
用于室内排水的水平管道与水平管道、水平管道与立管的连接,应采用45°三通和45°四通和90°斜三通或90°斜四通。
立管与排出管端部的连接,应采用两个45°弯头或曲率半径不小于4倍管径的90°弯头。
两个卫生间共用立管平面布管图:





△排污管(粪管)正确安装指引


△排水管正确安装指引
双管交叉安装指引图:


△两个卫生间共用立管,交接处避免使用正三通

4、排水管安装实景图




△以上为错误的布管方式


△以上为正确的布管方式
相信大家看完上面的一整套的批灰工艺知识大概心中都了解了吧,装修最注重的还是细节,很多小小的细节如果做的不到位都会影响到后期入住的舒适度哦。



