研磨是将研磨工具(以下简称研具)表面嵌人磨料或敷涂磨料并添加润滑剂,在一定的压力作用下,使工件和研具接触并做相对运动,通过磨料作用,从工件表面切去一层极薄的切屑,使工件具有精确的尺寸、准确的几何形状和很高的表面粗糙度,这种对工件表面进行最终精密加工的方法,叫做研磨。
湿研将液状研磨剂涂敷或连续加注于研具表面,使磨料(W14~W5)在被加工的产品与研具间不断地滑动与滚动,从而实现对工件的切削。湿研应用较多。
干研将磨料(W3.5~W0.5)均匀地压嵌在研具表层上,研磨时需在研具表面涂以少量的润滑剂。干研多用于精研。
半干研所用研磨剂为糊状的研磨膏,粗、精研均可采用。
设备简单,精度要求高。
加工质量可靠。可获得很高的精度和很低的Ra值。但一般不能提高加工面与其他表面之间的位置精度。
可加工各种钢、淬硬钢、铸铁、铜铝及其合金、硬质合金、陶瓷、玻璃及某些塑料制品等。
研磨广泛用于单件小批生产中加工各种高精度型面,并可用于大批大量生产中。
研磨的实质是用游离的磨粒通过研具对工件表面进行包括物理和化学综合作用的微量切前,其速度很低,压力很小,经过研磨的工件可获得0.001mm以内的尺寸误差,表面粗糙度一般能达到R.=0.4~0.1μm,最小可达Ra=0.012μm,表面几何形状精度和一些位置精度也可进一步提高。
尽管研磨已广泛应用于机械加工中,并且获得了最佳的工艺效果,但人们对研磨过程的机理有多种观点。
纯切削说
这种观点认为:研磨和磨削一样,是一种纯切削过程。最终精度的获得是由很多微小的硬磨粒对工件表面不断切削,靠磨粒的尖劈、冲击、刮削和挤压作用,形成无数条切痕重叠、互相交错、互相抵消的加工面。它与磨削的差别只是磨粒颗粒较细,切削运动不尽相同而已。这种观点在实际过程中可以解释许多现象,也能指导工作。例如,研磨过程中使用的磨料粒度一序比一序细,而获得的精度则一序比一序高。但这种观点解释不了用软磨料加工硬材料,用大颗粒磨粒却能加工出低粗糙度表面的实例,显然这种观点不全面。
塑性变形说
这种观点认为在研磨时,表面发生了级性变形。即在工件与研具表面接触运动中,粗糙高凸的部位在摩擦、挤压作用下被“压平”,填充了低四处,而后形成极低的表面粗糙度。然而在研磨极软材料(如铅、锡等)时,产生塑性变形是有可能的;而用软基体抛光硬材料(如光学玻璃)时,则很难解释为塑性变形。实际上,工件在研磨前后有质量变化,这说明不是简单的压平过程。
化学作用说
这种观点认为:被研磨表面出现了化学变化过程。工件表面活性物质在化学作用下,很快就形成了一层化合物薄膜;这层薄膜具有化学保护作用,但能被软质磨料除掉。研磨过程就是工件表面高凸部位形成的化合物薄膜不断被除掉又很快形成的过程,最后获得较低的表面粗糙度。然而,显微分析表明,经研磨的表层约有微米程度的破坏层。这说明研磨不仅是磨料去除化合物薄膜的不断形成过程,并且对表面层有切削作用,而化学作用则加速了研磨过程。显然化学作用说也不全面。
综上所述,研磨过程不可能由一种观点来解释。事实上,研磨是磨粒对工件表面的切削、活性物质的化学作用及工件表面挤压变形等综合作用的结果。某一作用的主次程度取决于加工性质及加工过程的进展阶段。
抛光是指利用机械、化学或电化学的作用,降低工件表面粗糙度,获得光亮、平整表面的加工方法。主要是利用抛光工具和磨料颗粒等对工件表面进行的修饰加工。
机械抛光
机械抛光是靠切削或使材料表面发生塑性变形而去掉工件表面凸出部得到平滑面的抛光方法,一般使用油石条、羊毛轮、砂纸等,以手工操作为主,表面质量要求高的可采用超精研抛的方法。超精研抛是采用特制的磨具,在含有磨料的研抛液中,紧压在工件被加工表面上,作高速旋转运动。利用该技术可达到Ra0.008 μm的表面粗糙度,是各种抛光方法中表面粗糙度最好的。光学镜片模具常采用这种方法。

化学抛光
化学抛光是材料在化学介质中让表面微观凸出的部分较凹部分优先溶解,从而得到平滑面。该方法可以抛光形状复杂的工件,可以同时抛光很多工件,效率高。化学抛光得到的表面粗糙度一般为Ra10μm。
电解抛光
电解抛光基本原理与化学抛光相同,即靠选择性溶解材料表面微小凸出部分,使表面光滑。与化学抛光相比,它可消除阴极反应的影响,效果较好。
超声波抛光
超声抛光是利用工具断面作超声波振动,通过磨料悬浮液抛光脆硬材料的一种加工方法。将工件放入磨料悬浮液中并一起置于超声波场中,依靠超声波的振荡作用,使磨料在工件表面磨削抛光。
流体抛光
流体抛光是依靠流动的液体及其携带的磨粒冲刷工件表面达到抛光的目的。流体动力研磨是由液压驱动,介质主要采用在较低压力下流过性好的特殊化合物(聚合物状物质)并掺入磨料制成,磨料可采用碳化硅粉末。
磁研磨抛光
磁研磨抛光是利用磁性磨料在磁场作用下形成磨料刷,对工件磨削加工。这种方法加工效率高,质量好,加工条件容易控制。
电火花超声复合抛光
为了提高表面粗糙度Ra为1.6 μm以上工件的抛光速度,采用超声波与专用的高频窄脉冲高峰值电流的脉冲电源进行复合抛光,由超声振动和电脉冲的腐蚀同时作用于工件表面,迅速降低其表面粗糙度。
粗抛
精铣、电火花加工、磨削等工艺后的表面可以选择转速在35 000~40 000 r/min的旋转表面抛光机进行抛光。然后是手工油石研磨,条状油石加煤油作为润滑剂或冷却剂。使用顺序为180#→240#→320#→400#→600#→800#→1 000#。
半精抛
半精抛主要使用砂纸和煤油。砂纸的号数依次为:400#→600#→800#→1 000#→1 200#→1 500#。实际上#1 500砂纸只用适于淬硬的模具钢(52 HRC以上),而不适用于预硬钢,因为这样可能会导致预硬钢件表面损伤,无法达到预期抛光效果。
精抛
精抛主要使用钻石研磨膏。若用抛光布轮混合钻石研磨粉或研磨膏进行研磨,则通常的研磨顺序是9 μm(1 800#)→6μm(3 000#)→3μm(8 000#)。9 μm的钻石研磨膏和抛光布轮可用来去除1 200#和1 50 0#号砂纸留下的发状磨痕。
磨料流加工(AFM)工艺是理想的抛光和去毛刺方法,特别是对于复杂的内部形状和有挑战的表面加工要求。
磨粒流加工技术(Abrasive Flow Machining,AFM)又称为挤压珩磨技术,起源于20世纪60年代,是一种区别于传统机械加工的光整加工方法。利用具有一定黏性的流动磨料介质,在一定压力作用下,通过引导流过工件的待加工表面,磨料对材料形成挤压并进行微量去除,可以达到去除毛刺飞边、孔口倒圆等加工效果,重要的是可以降低待加工表面的粗糙度值,实现光整加工目的。得益于塑性极强的磨料,这种加工技术几乎可以对任意形状的表面进行光整加工,尤其是针对难以加工的复杂内腔表面,能取得较好的光整加工效果,近年来这种技术在航空、航天、汽车和模具等行业得到了广泛应用。

1—活塞 2—工件 3—夹具 4—缸体
磨粒流,简单来说,就是一种通过半流体介质进行抛光去毛刺的工艺,主要面向内孔、以及不规则形状的中小型工件。磨粒流抛光工艺包含三个核心要素,即软磨料、夹具与PLC系统:
软磨料
软磨料是由非常细小的硬质颗粒,混合相关液体,调制而成的半流体状态的介质,磨料颗粒的大小、硬度,以及半流体的粘稠度、遇热后是否会黏贴工件,是影响抛光去毛刺质量的关键。磨料通常选材有碳化硅、白刚玉、金刚石等,根据各自的硬度,对应不同材质的工件。例如铝制品、铜制品工件,选用碳化硅磨料即可。而硬度较高的钨钢、合金钢,选用白刚玉或金刚石更为合适。
工装夹具
选用夹具的原因是,为了提高工件抛光去毛刺的效率。一来,一款夹具上可以同时夹持多个工件,一次性加工。二来,使用工装夹具后,退模换工件时,不必每次校准,大大减少了停机时间。工装夹具设计的关键在于,在提升效率的前提下,如何保持工件均匀受力,而不致于使工件压伤。
PLC系统
PLC系统是整个磨粒流设备的控制中心,PLC系统设计地简洁、规范,既可以让操作人员更快上手,减少培训磨合时间,又可以减少设备故障率,延长设备使用寿命。
(一)可加工内腔复杂的零件
(二)均匀性和重复性好
(三)可实现自动化生产
(四)生产效率高
(五)可控性及可预测性好
(六)加工表面质好
在对零件加工的过程中,会使用到多种工艺,其中珩磨加工是对孔进行精整加工的一种加工方式。
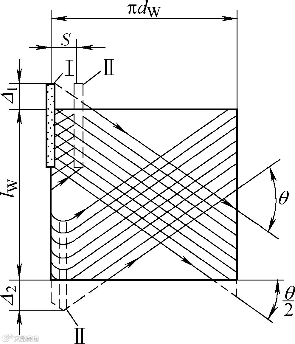
珩磨工艺是一种以被加工面为导向,在一定进给压力下,通过工具和零件的相对运动去除加工余量,其切削轨迹为交叉网纹的精孔加工工艺。
珩磨是利用安装于珩磨头圆周上的一条或多条油石,由涨开机构将油石沿径向涨开,使其压向工件孔壁,以便产生一定的接触面。同时珩磨头旋转和往复运动。零件不动;或者珩磨头只做旋转运动,工件往复运动,从而实现珩磨。


珩磨的切削有三种模式:定压进给珩磨、定量进给珩磨、定压-定量进给珩磨。
加工精度高:特别是一些中小型通孔,圆柱度能达到0.001mm
表面质量好:表面为交叉网纹,有利于润滑油的存储及油膜的保持。
加工范围广:主要加工各种圆柱形孔:通孔、轴向和径向有间断的孔
切削余量少。
纠孔能力强:采用珩磨加工工艺可以通过去除最少加工余量而极大地改善孔和外圆的尺寸精度、圆度、直线度、圆柱度和表面粗糙度。
定压进给珩磨
定压进给中,进给机构以恒定的压力压向孔壁,分三个阶段。第一个阶段是脱落切削阶段,这种定压珩磨,开始时由于孔壁粗糙,油石与孔壁接触面积很小,接触压力大,孔壁的凸出部分很快被磨去。而油石表面因接触压力大,加上切屑对油石粘结剂的磨耗,使磨粒与粘结剂的结合强度下降,因而有的磨粒在切削压力的作用下自行脱落,油石面即露出新磨粒,此即油石自锐。第二阶段是破碎切削阶段,随着珩磨的进行,孔表面越来越光,与油石接触面积越来越大,单位面积的接触压力下降,切削效率降低。同时切下的切屑小而细,这些切屑对粘结剂的磨耗也很小。因此,油石磨粒脱落很少,此时磨削不是靠新磨粒,而是由磨粒尖端切削。因而磨粒尖端负荷很大,磨粒易破裂、崩碎而形成新的切削刃。第三阶段为堵塞切削阶段,继续珩磨时油石和孔表面的接触面积越来越大,极细的切屑堆积于油石与孔壁之间不易排除,造成油石堵塞,变得很光滑。因此油石切削能力极低,相当于抛光。若继续珩磨,油石堵塞严重而产生粘结性堵塞时,油石完全失去切削能力并严重发热,孔的精度和表面粗糙度均会受到影响。此时应尽快结束珩磨。
定量进给珩磨
定量进给珩磨时,进给机构以恒定的速度扩张进给,使磨粒强制性地切入工件。因此珩磨过程只存在脱落切削和破碎切削,不可能产生堵塞切削现象。因为当油石产生堵塞切削力下降时,进给量大于实际磨削量,此时珩磨压力增高,从而使磨粒脱落、破碎,切削作用增强。用此种方法珩磨时,为了提高孔精度和表面粗糙度,最后可用不进给珩磨一定时间。
定压--定量进给珩磨
开始时以定压进给珩磨,当油石进入堵塞切削阶段时,转换为定量进给珩磨,以提高效率。最后可用不进给珩磨,提高孔的精度和表面粗糙度。

