
货代单证操答案
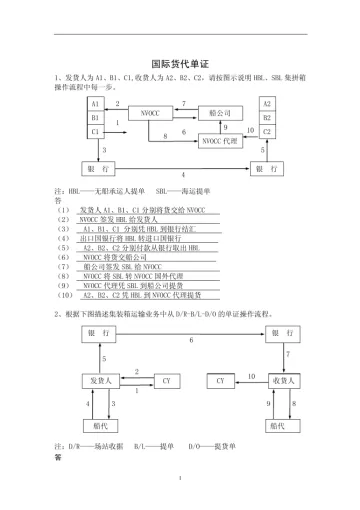
本文件深度剖析了国际货代单证操作全流程,为出海企业提供了从发货、报关、托运到提货的全链路单证实务指南。文件指出,随着跨境电商与传统外贸对物流合规性要求日益提高,跨境从业者必须掌握关键单证流转逻辑,避免因单据错误导致清关延误、资金冻结或货物滞港。 高价值信息速览 HBL与SBL双提单运作机制:详解无船承运人(NVOCC)如何通过签发HBL对接发货人,并凭船公司签发的SBL完成实际运输,实现集拼箱业务
报告时间:2023-02-28
报告来源:刚哥的运营笔记
1 · 12页
在线咨询
报告预览
报告解读
声明:
1. 大数跨境研报所有资源均由用户上传分享,大数跨境仅提供信息存储空间服务;
2. 用户下载文档后并非拥有版权。文档仅供网友学习交流,不得用于其他商业用途;
3. 大数跨境不对文档的完整性、权威性及其观点立场正确性做任何保证或承诺,不构成投资或商业建议;
4. 若文档内容存在违规,或者侵犯商业秘密、侵犯著作权等,请与本站联系,我们将第一时间核实、处理。

