此篇针对厨柜一字型、L型和U型户型,用L型户型厨柜案例进行讲解、分析。
1.1出图之前先把厨卫空间的柜体、台面,脚线等组合

1.2进入厨柜空间出图

1.3对厨卫图纸进行标注调整

1.4对生成的各个视图调整合理比例

1.5下载平面图和立面图

如果图纸没保存下来点击再次下载

1.6台面图框替换
(1)因酷家乐台面图无法直接下单,需下载CAD图框二次编辑,选中台面平面图点击顶部替换图框按钮替换厨柜台面图框

(2)台面图下载

1.7对下载好的台面图进行信息完善
(1)需要手动修改的有以下几点:

2.1 平面图
(1)平面图体现柜体深度、宽度, 转角柜衔接位置,以及水槽、电器使用位置。
(2)地柜与吊柜需分开出平面图。
(3)订单图纸信息栏需备注清楚柜体花色、门板类型、线条类型、五金型号、电器型号等信息。
(4)标准单元柜需带出对应序号,并在右上角空白区域捕捉出柜体信息。
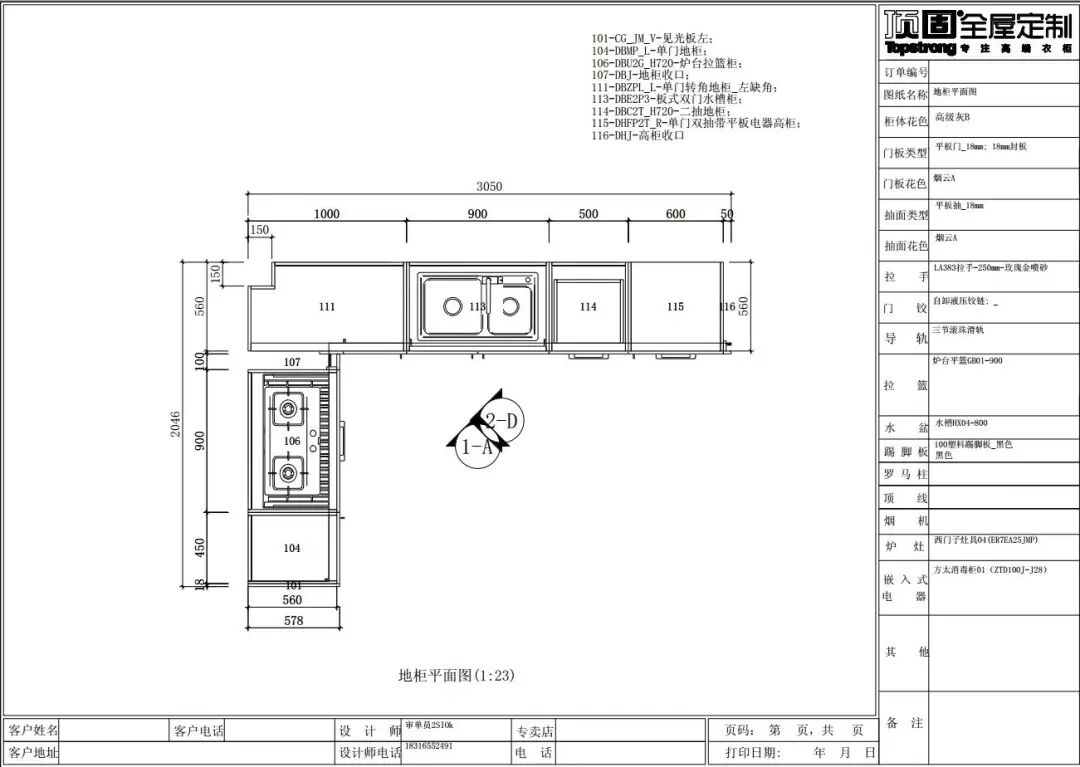
(5)地柜平面图(地柜俯视图)、吊柜平面图(吊柜俯视图)必标尺寸信息:
地柜平面图

吊柜平面图

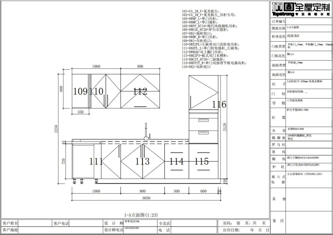
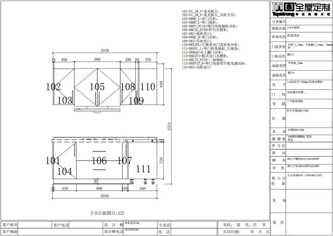
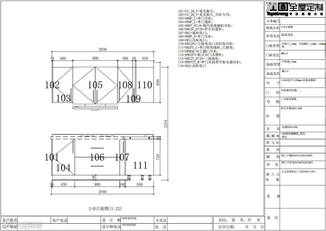
2.2 立面图
(1)立面图体现设计方案;涵盖柜体、电器、台面等信息。
(2)标准厨柜柜体以模数变化为基础搭建而成,不需要柜体结构图纸;
(3)订单图纸信息栏需备注清楚柜体花色、门板类型、线条类型、五金型号、电器型号等信息。
(4)标准单元柜需带出对应序号,并在右上角空白区域捕捉出柜体信息。
(5)存在多个立面情况,需分开出图。
(6)立面图必标尺寸信息:
立面图1

立面图2

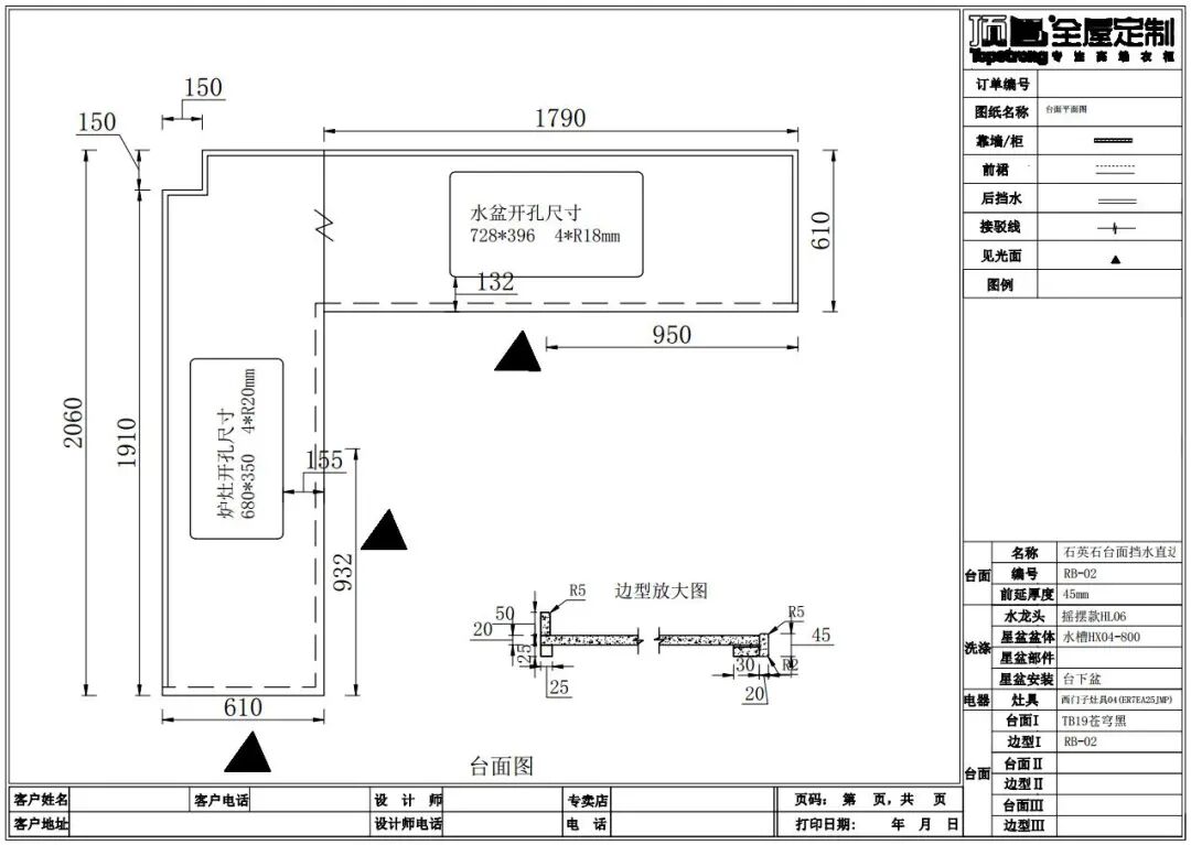
2.3 台面图
(1)台面图纸体现台面整体尺寸、台面铣型信息。
(2)台面图信息:
(3)台面画图过程中,需要使用对应的图例来表示。

(4)台面图必标尺寸信息:

注意事项
1、厨柜出图、标尺可参照以上案例,视图位置按图例上为准、视图齐全、视图大小适中,符合规范标准。
2、尺寸标注总高、宽、深,平面图、立面图、台面图,按以上例子作好标尺,保持图纸简洁化、规范化,注意方案内颜色是否正确。
3、最终目的要做到图纸简洁、清晰、规范、标准;图纸案例大同小异,万变不离其宗,致力于其图纸的标准化,美观化。
4、酷家乐模型必须与所上传的PDF图纸保持一致,图纸必须按此规范要求进行下单,否则退单处理。
5、实际以软件操作为准,如存在问题或疑问可及时联系咨询组反馈解决。


