一
产品模块存放位置
1
门板位置
①、组件库→吸塑门型→喷粉平板门
②、组件库→门板→特殊拉手门,总共有喷粉免拉手、喷粉拱形门、简尚 V 型门、L/C型喷粉免拉手、横装L/C型喷粉免拉手五个模块


2
抽面位置
组件库→抽拉部件→抽屉类,总共有喷粉平抽面、喷粉R5抽面、喷粉简尚 V 型抽面、L型喷粉免拉手抽面、喷粉免拉手五个模块

3
台面位置
产品库→装饰部件→吸塑台面→一字台面

4
封板位置
产品库→辅料组件→自定义板件→一吸塑封板

5
墙板位置
产品库→护墙板→现代护墙→一吸塑平板

二
模块参数工艺说明
1
门板、 抽面、 台面、 封板、墙板可选花色

2
喷粉平板门
①、基础参数
类别 |
高度H |
宽度W |
厚度D |
门板 |
280≤H≤2700mm |
160≤W≤600mm |
22mm |
翻门 |
160≤W≤600mm |
280≤H≤2700mm |
|
平板抽面 R5抽面 |
120≤H≤600mm |
310≤W≤1100mm |
②、工艺说明
门板双面四周倒角R1,门板不装拉直器,仅可配置外装拉手;
正面倒角R5,仅可配置外装拉手。


3
喷粉免拉手门板
①、基础参数
类别 |
高度H |
宽度W |
厚度D |
门板 |
280≤H≤1600mm;1600≤H≤2700mm |
160≤W≤600mm |
22mm |
抽面 |
120≤H≤600mm |
310≤W≤1100mm |
②、工艺说明:
1、免拉手门板只可做竖装;
2、免拉手门板在 280-1600mm 时,拉手高度固定 200mm高,拉手方向可选择上方或者下方;
3、免拉手门板在超过 1600mm 时,拉手高度固定 1000mm高,拉手方向固定下方;
4、门板不装拉直器;
5、此款免拉手不做翻门;
6、抽面免拉手为通体拉手,拉手方向可选择上方或者下方。

4
喷粉拱形门
①、基础参数
类别 |
高度H |
宽度W |
厚度D |
门板 |
280≤H≤1600mm;1600≤H≤2700mm |
160≤W≤600mm |
22mm |
②、工艺说明
1、拱形门不做抽面、翻门和连开门结构;
2、门板不装拉直器,仅可配置外装拉手;
3、弧形 R 只能在门板下方。
5
简尚V型门
①、基础参数
类别 |
高度H |
宽度W |
厚度D |
门板 |
280≤H≤1600mm |
280≤W≤600mm |
22mm |
翻门 |
160≤W≤600mm |
280≤H≤1600mm |
|
抽面 |
120≤H≤600mm |
310≤W≤1100mm |
②、工艺说明
1、简尚 V 型门及抽面拉手位置居中且大小固定, 拉手只做横装结构, 拉手位置可在上方或者下方;
2、简尚 V 型门不装拉直器;
3、不做连开门结构。


6
L/C型喷粉免拉手
①、基础参数
类别 |
高度H |
宽度W |
厚度D |
竖装L/C门板 |
280≤H≤2700mm |
160≤W≤600mm |
22mm |
横装L/C门板 |
280≤H≤1600mm |
160≤W≤600mm |
|
翻门 |
160≤W≤600mm |
280≤H≤1200mm |
|
抽面 |
120≤H≤600mm |
310≤W≤1100mm |
②、工艺说明
1、L/C 型免拉手平板门竖装时, 拉手位置在侧边且为通体;
2、L/C 型免拉手平板门不装拉直器, 可设计为直转角柜门, 不可设计于常规转角柜门、 五角柜门;
3、抽面拉手为通体, 拉手位置可在上方或下方, C 型免拉手不做抽面。



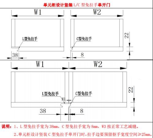
③竖装拉手设计说明


7
喷粉台面
①、基础参数
类别 |
高度H |
宽度W |
厚度D |
台面 |
200≤H≤2700mm |
200≤H≤1200mm |
22mm |
②、工艺说明
1、台面造型边数量可由设计师自行选择,选择无造型,台面为平板造型,不带边型;
2、台面仅可正常出十厘三合一连接孔和木榫孔。
8
喷粉封板
①、基础参数
类别 |
高度H |
宽度W |
厚度D |
封板 |
200≤H≤2700mm |
50≤H≤1200mm |
22mm |
②、工艺说明
1、封板双面四周倒角R1
9
喷粉墙板
①、基础参数
类别 |
高度H |
宽度W |
厚度D |
墙板 |
200≤H≤2700mm |
200≤H≤1000mm |
22mm |
②、工艺说明
1、造型同平板门一致
2、墙板应用可参考墙板工艺
HAPPY NEW YEAR
扫码关注我们吧

