智能电能表作为智能电网建设的重要基础设备,加快其发展对于电网实现信息化、自动化、互动化具有重要支撑作用。
从2009年开始,我们国家开始大批量更换智能电表,国家智能电网建设大规模进行已有10年,按规定智能电表使用寿命为8-10年,标志着2020年智能电表的大规模更换周期已然来临。
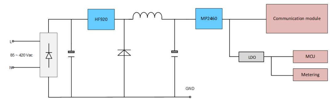
下一代智能电表的功能模块将持续增加,因此技术难度也变得越来越高,尤其在电源设计方面,随着技术的迭代,整表的电源设计遇到了诸多新挑战,需要更大的功率、更小的体积、更高的电源质量和更复杂的系统组成。
智能电表类型也变得多样化,主要分为以下4种:




针对不同智能电表应用,MPS提供了完整可靠的解决方案。如果您还在苦恼如何更“芯”,来逛逛 MPS 摆出的“摊位”吧,总能挑出一款适合您。

扫码查看产品详情


扫码查看产品详情


更多产品信息可联系 MPS 北中国区销售办公室:021-22251700
摊位5 — 数字隔离器件应用,推荐MPS容隔离产品:MP27631

更多产品信息可联系 MPS 北中国区销售办公室:021-22251700

扫码查看产品详情

MPS不仅为智能电表推出了一系列硬核产品,还针对新一代整表电源设计难题和EMI注意事项举办了一场技术干货直播,详细讲解了反激电源功率级设计和EMI优化技巧,感兴趣的朋友可以扫描以下二维码,Get更全的技术分享!

扫码免费观看工程师生动讲解
MPS联系方式
深圳办事处:
Tel:+86-755-3688-5818
Email: china-sz@monolithicpower.com
上海办事处:
Tel:+86-21-2225-1700
Email: china-sh@monolithicpower.com
感谢您的阅读!如果您觉得本文还不错,请轻戳右上角“…”分享此篇文章,让更多人了解MPS!
点击“阅读原文”,了解更多电表产品信息

