点击上方蓝字“MPS芯源系统”,关注我们,了解更多。
天下武功,无坚不摧,唯快不破!无论是武侠小说里的绝顶武功(如东方不败的“绣花针”,小李飞刀,凌波微步等),还是实战场上的战斗机,拼的全是速度,就连今年年初突如其来的新冠疫情,决胜的秘诀都与响应的速度息息相关。
那么在Buck电路中说到快速响应,会有什么东西闯入各位看官的脑海呢?

没错,就是它——恒定导通时间控制模式(COT控制模式)!今天我们就来聊聊它。
COT控制本质属于电压型控制模式,一般结构框图如下图:

图注:一般COT控制模式结构框图
输出电压作为反馈参与控制回路。
优点:结构简单,单环控制,系统延时少,对输出电压响应好。
缺点:抗干扰能力差,所以需要外加纹波或者采用ESR较大的电容来保证正常工作。同时也有电压型控制模式共同的缺点,对电流的响应不好,也需要外加措施进行过流保护。

图注:纹波COT控制模式结构框图
同样是输出电压作为反馈参与控制回路,但是由于有两个电压环路,所以称为V2控制模式。
优点:可以进一步精确输出电压。
缺点:同样会在低ESR的情况下,因为次谐波振荡带来不稳定,所以也需要外部谐波补偿来提高系统稳定性。同时电压型控制模式的缺点也一样拥有。

图注:V2控制模式COT结构框图
实际上为一种电流控制模式,引入了电流环。
优点:相比于之前的电压型控制模式,对电流有着更精确的响应,因为本身采样了电流信号,所以可以避免次谐波振荡,设计各种保护也更为简单。
缺点:结构较为复杂,系统延时较高。

图注:谷值电流模式COT结构框图
最后我们把三种控制方式的优劣在一个表格中总结一下:
方式/项目 |
抗干扰 |
次谐波震荡 |
稳态误差 |
过流保护 |
纹波模式 |
弱 |
有 |
有 |
需外加 |
V2模式 |
强 |
有 |
无 |
需外加 |
谷值电流模式 |
强 |
无 |
无 |
无需外加 |
目前大多数的COT芯片采取的是前两种模式,这也解释了为什么有时候建议采用一定ESR的电容来保证系统稳定。
原因主要有两个:
纹波和V2控制模式COT环路中没有电流环,且环路均由比较器组成,比较器具有较高的带宽,较短的延迟时间,所以会有较好的瞬态响应。
因为没有时钟信号,COT在瞬态调整中,可以在其他控制模式一个时钟周期中完成多次调整,所以可以快速达到调整目的。
在实际应用中,工程师对COT还会有哪些疑问呢?以下整理几个较为常见的问题和解答:
因为在特殊工况下,由于定频工作时芯片在纹波上会有更好的响应,因此常有定频工作需求。那么,COT究竟是如何实现定频工作的呢:
此时COT芯片会根据输入输出电压,调节导通时间,导通时间不再恒定,这种COT模式也称为ACOT模式。
One Shot Timer(OST) 自动调节时间环节,此环节可以帮助COT实现定频和更快的响应。OST环节也分为两种模式,
由电压调节称为电压增强型;
由电流调节称为电流增强型。目前市场上的芯片二者都有使用。
由于前两种COT环路均由比较器组成,可以构建小信号模型但是通过小信号测试仪无法得到闭环传函的波特图,所以无法通过传统方案直接判断其稳定性。我们一般通过其动态响应来判断其是否稳定。

COT芯片设计是较为简单的,和目前的主流的DCDC芯片基本相同。由于目前市面上多数的COT芯片环路中只有比较器的存在,FB分压电阻和环路无关,所以取值范围也会比峰值电流模式分压电阻选择更宽。而且由于COT芯片体积一般较小,还可以带来布板和电感电容选择上的便利。
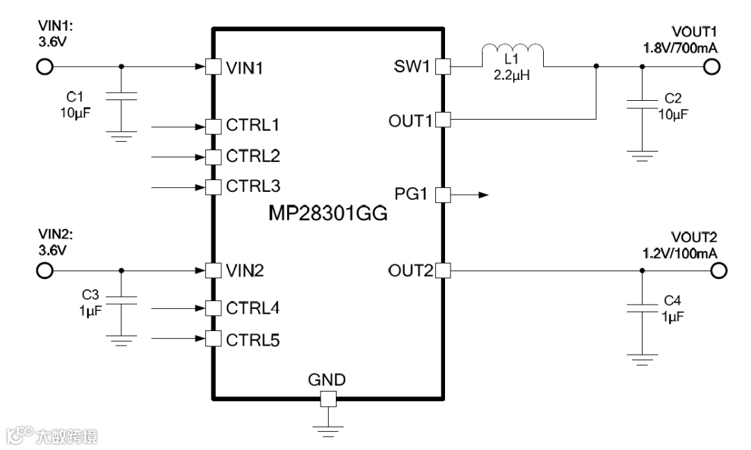
下面为大家推荐一款MPS公司的新型COT芯片 —— MP28301

MP28301采用QFN-12(2mm x 2mm)小型封装,可以很好利用PCB面,其内部集成了一个LDO和一个Buck电路,满足了用户多路输出的需求,并且超低的Iq(Buck为500nA,LD0为300nA)为有静态功耗要求的客户带来了福音。1.5MHz支持100%占空比应用,可以实现较宽范围的输出,在低电压输出条件下能尽可能满足更多工况。

MPS联系方式
深圳办事处:
Tel:+86-755-3688-5818
Email: china-sz@monolithicpower.com
上海办事处:
Tel:+86-21-2225-1700
Email: china-sh@monolithicpower.com
感谢您的阅读!如果您觉得本文还不错,请轻戳右上角“…”分享此篇文章,让更多人了解MPS!
点击“阅读原文”,了解更多MP28301产品信息

