点击上方蓝字“MPS芯源系统”,关注我们,了解更多。
隔离型变换器在电力电子系统中有着广泛的应用。在电力电子设备高效率与小型化需求越来越迫切的当下,EMI滤波器元件也需要减小或移除。而其EMI问题则成为了关键瓶颈。
本文将以反激(Flyback)变换器为例,来说明如何通过变压器的设计来降低传导EMI。

图1:消费电子中的传导EMI标准与测量。
在电力电子系统中,MOSFET,二极管等器件在高频开关过程中会产生高dv/dt节点与高di/dt环路,这些是EMI产生的根本原因。而传导EMI噪声可通过缆线或其他导体传到受害设备。一些测试标准(如CISPR22,EN55032/22等)规定了其限值。
传导EMI可根据传播途径的不同分为两类:差模和共模。
差模噪声(DM)主要在两条线间流动;而共模电流则可通过设备对地的杂散电容以位移电流的形式流到地上,再流回电网。这两种噪声的传播途径和抑制机理不同。在测量中,我们可以使用噪声分离器来得到它们,据此就可知道造成EMI超标的原因到底是差模还是共模噪声。
值得一提的是,对于隔离型的变换器来说,其变压器设计针对的是共模噪声。下图表示了一个反激变换器中的共模噪声路径。

图2:反激变换器中的共模噪声通路。
在反激变换器中,共模电流一般有两条路径:一是从原边MOS管的漏级通过对地的杂散电容流到参考地上,并通过接在设备和参考地之间的LISNs流回被测设备;二是通过变压器流到副边,再通过副边对地的杂散电容流到参考地,最终回到被测设备。
对于第一条通路,在很多情况中,由于MOS有自身散热器,通过把散热器接地即可将共模电流引回原边地而不会产生噪声。这时,变压器的设计对于共模电流的抑制就至关重要。

图3:传统两绕组变压器模型。
传统变压器的建模一般是在每两个节点之间连接杂散电容。同时,因为原副边电压可以用两个有线性关系的电压源等效,适当化简后剩下四个电容。
然而,在实际电路中,通常我们会使用多绕组变压器,比如需要给芯片供电的辅助绕组,多个输出绕组等等。这时,模型会变得非常复杂,因此,对变压器进行建模和简化很有实际意义。

图4:多绕组变压器及其两电容模型。
由于绕组电压的线性关系,通过推导可得出,仅用一个电压源以及两个等效电容即可表征它的共模特性。电压源即为原边绕组上的电压,而两个等效电容的和是变压器原副边之间的总电容,它们分别表示产生和不产生共模电流的电容。
在得到了变压器模型之后,我们将把它放在反激变换器中来得到EMI模型。EMI建模的第一步是把开关用电流源或电压源进行等效,等效之后,电路各处的电流和电压依然不变。然后可以使用叠加定理来具体分析每一个源的影响。对于反激变换器,在变压器漏感影响不显著的前提下,实际上对起到作用的源只有原边MOS管两端的电压。
因此,我们可以得到最终如下图示的模型。ZED代表共模滤波器阻抗,Cy代表原副边之间的Y电容,ZSG代表副边地对地的寄生阻抗。

图5: 反激变换器共模EMI噪声模型
根据模型可以知道,解决共模噪声的主要途径是:
增大共模滤波器
增加Y电容
通过变压器设计来减小CBD的影响
其中,增加共模滤波器意味着体积更大,增加Y电容会增大漏电流,因此,最佳方案则为变压器的优化。
对变压器的优化,核心问题将产生噪声的等效电容减小至零。那么如何来减小呢?
首先,我们需要有一种方便的方法来得到两个等效电容的值。实际上,总电容可以通过分别将原边短接,副边短接,并直接测量原副边之间阻抗得到;而两电容的比例可通过在原边加激励,并测量分压关系得到。如下视频中会有更多细节,可扫码观看:

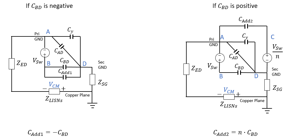
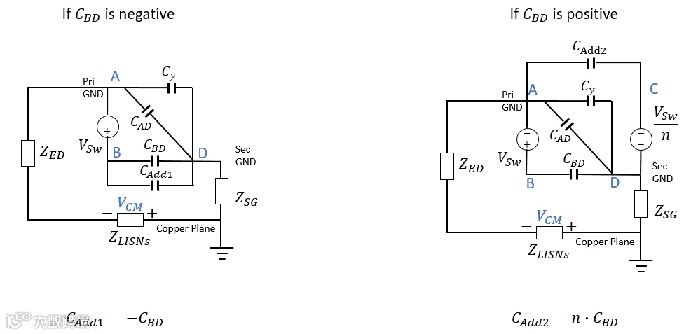
在得到电容的值之后,一个最直接的补偿方法也就呼之欲出了。如果CBD为正,则可在副边高电位跳动点到原边地直接跨接一个电容;如果CBD为负,则可以在原边高电位和副边地之间跨接一个电容。
接法如图6所示。在补偿之后,可以再次测量两电容的值,来判断是否达到了理想的补偿效果。

图6: 共模EMI噪声补偿电容的接法
图7所示为跨接补偿电容将CBD平衡至零之前和之后测量的共模EMI噪声。可以发现,共模噪声虽然有一定的改善,但仍未降到非常低的水准。

图7: 跨接补偿电容前后的共模噪声比较
因此,我们有必要分析其他的原因。由于变压器放置在PCB上,变压器的磁芯临近原副边开关管的散热器,除此之外,在变压器内部会有原边或者副边绕组临近磁芯。因此,会产生如下图所示的杂散电容。在EMI频段,磁芯因为有较高的介电常数可以近似短路,而共模噪声将会通过这些杂散电容进行传播。
为了解决这个问题,可以将磁芯接原边地,磁芯到原边地的电容即被短路,而磁芯到副边地的电容则成为一个不产生共模噪声的Y电容。原边绕组到磁芯的电流会直接流回原边地,不经过LISN;而为了解决副边绕组到原边的电流,可以在绕制的时候使得副边绕组不临近磁芯。

图8: 变压器磁芯的近场电场耦合与解决方法
磁芯可以用铜皮胶带环包并引线连到原边地上。下图比较了几种情况的EMI噪声:原始噪声,只用平衡电容,平衡电容+不接地屏蔽层,平衡电容+接地屏蔽层。
从图9中可知,屏蔽层不接地是无效的,这也佐证了这个问题根源是电场的耦合。在接地之后,噪声可以降低到非常低的水准。

图9: 变压器磁芯屏蔽的影响
跨接电容虽然可以减小EMI,但是并不是最佳方案,因为增加了一个安规电容的成本,且可能使得原副边漏电流增大。所以它最好作为变压器结构不方便再做修改时的一种解决方案。实际上,变压器也可以直接通过绕组设计来减小EMI。

图10:变压器连接及其绕组截面图示例
图10中,对于相邻绕组来说,如果认为绕组是均匀且紧密绕制的,其总电容(CPS)是可以用间距为d,相对面积为2πrh的平行板电容器来计算的,其中d为绕组间距,h为绕组高度,r为绕组对磁芯中心的距离。此外,由于绕组两端的dv/dt已知,若假设此dv/dt沿绕组均匀变化,则相邻绕组间流过的共模电流可以积分求得。
一个更为简明的结论是,相邻绕组间的共模电流,与相邻绕组的dv/dt的平均值的差成正比。因此,设计时的原则即是尽量减小相邻原副边绕组的dv/dt之差。
以图11中的变压器为例,我们想要设计的变压器有三层原边(每层匝数Np),一层副边(匝数为Ns)和一层辅助绕组(匝数为Na),那么我们先可以先画出所有绕组的压降。然后我们选取差值最小的两个绕组(原边第一层与辅助绕组)来和副边临近。同时考虑到使用三明治绕法来减小漏感,则得到图中的绕组结构。

图11: 变压器绕组dV/dt与结构的选择
需要注意的是,图11中dV/dt的方向和变压器绕组的极性是有关系的。而这也会和电路的拓扑有关。图12所示为副边二极管分别在高侧和低侧时的绕组dv/dt变化图,可见,当二极管或同步整流管在高侧时,EMI噪声更低。

图12: 副边二极管(或同步整流管)在高、低侧的绕组dv/dt示意图
很多情况下,仅仅调整相邻绕组的位置并不能让我们完全平衡EMI。这时,有两种方法可以采用:
一是传统方法,即在相邻的原副边之间加屏蔽层并将其接地;
二是使用补偿绕组。补偿绕组是一个一端接地,另一端悬空的绕组。它的优势在于便于自动化生产,且相同体积下对EMI的补偿能力更强。
补偿绕组的接法也是比较灵活的,既可以接在原边也可以接在副边(接在副边需要使用三层绝缘线),图13给出了两电容模型中CBD为正值时的接法:既可以从原边地开始,以相对原边的相反极性绕制,也可以从副边高电位开始,以相对副边的相同极性继续绕制。绕制完成后,可以通过测量两电容来确定变压器已经达到平衡。

图13:CBD为正时补偿绕组的接法示意图
图14给出了采用跨接电容和使用带补偿绕组变压器的反激变换器的共模噪声对比。从图中可见,使用补偿绕组也可以取得良好的效果,并将共模EMI噪声降到足够低的水平。

图14:CBD为正时补偿绕组的接法示意图
以上便是本文分享的全部内容了,如果对于变压器设计其他的一些细节感兴趣(比如漏感影响,近场耦合等等),可以参看如下视频中及视频中的参考文献来进一步了解。

扫码观看MPS工程师对本文的详细讲解

MPS联系方式
深圳办事处:
Tel:+86-755-3688-5818
Email: china-sz@monolithicpower.com
上海办事处:
Tel:+86-21-2225-1700
Email: china-sh@monolithicpower.com
感谢您的阅读!如果您觉得本文还不错,请轻戳右上角“…”分享此篇文章,让更多人了解MPS!
点击“阅读原文”,观看更多MPS干货技术视频

