告别了苦乐参半的2022年,在新一年的曙光中我们迎来了新的展望:远离病毒,冲一冲“单车”变“电摩”!
让我们把梦想照进现实,让“单车”和“电摩”都返璞归真,你就会发现真的会有很大一部分人新年的小目标就是买/换一辆两轮电动车。因为相比自行车和汽车,在1-3公里之内的出行,小电驴实在是太香了。那是不是随便买一辆就OK了呢?当然不是!
在过去的很长一段时间内,中国两轮电动车的主流都是铅酸电池,而近年来随着 “锂电风”的盛行,电动两轮车的风向标也在悄然转变。
锂电池成功上位:内外夹击的推波助澜
在中国,庞大的人口带来了多样化的绿色出行方式,快递及配送行业的兴起促进了及时配送与共享电单车的需求增长,内部的市场需求使得两轮电动车市场拥有非常大的增长潜力。 与此同时,节能减排、碳达峰等政策的推出,让铅酸换锂电、电动车智能化成为大势所趋。2019年3月26日,工业和信息化部发出消息,电动自行车新强制性国家标准《电动自行车安全技术规范》于2019年4月15日正式实施。在新国标的促进作用下,锂电池在两轮电动车中的渗透率从曾经的不到10%增长到如今的30%左右。

【备注: 此表数据来源于网络(艾瑞咨询www.iresearch.com.cn)】
看到这里,很多小伙伴会想:选择锂电两轮车准没错!NO,其实并没那么简单!!
瑕瑜互见的锂电池两轮车
锂电池能够成功上位,自然与其自身的先天优势密不可分。首先,锂电池的使用寿命更长,是同类型号铅酸电池的两倍,因此耐用价值更高;其次,它质量很轻,电池提取也比较方便;另外,它更加绿色环保、能量密度大,即使是在铅酸电池中价位比较高的石墨烯电池,续航里程也不一定比锂电池高。
可万物都有其两面性,正因为锂电池的能量密度高,电池内部化学物质活性强,当电芯出现过充、过放等非正常使用时,极有可能出现电池损坏,极端情况下,还会导致起火和爆炸,而近年来锂电池两轮电动车发生的火灾事故也是屡见不鲜。还有,锂电池的制造工艺及材料成本高也成为其掣肘之一。
如何修补锂电池的“瑕”
在面对锂电池安全问题这一头号“瑕疵”劲敌时,设计人员通过分析起火因素,了解到过充电、电池单体故障、电气线路短路是导致电动车电气火灾的根本原因。因此,为了降低安全风险,锂电池必须配备一套可靠的电池管理系统(BMS),用于随时监控锂电池的电压,电流等参数,一旦超过事先设定的阈值,则直接关断电池主回路,保护电池包的安全。
而两轮车相比于其他应用,安全问题则更加任重而道远:由于其应用环境十分恶劣,震动幅度更大,温度范围更宽;同时充电不规范带来了诸多不可控因素,很多充电系统来自二级市场,安全隐患高。因此,两轮车应用对BMS的保护需求更高,即更加重视BMS板的鲁棒性(Robust)。当然,成本也需要控制在可接受的范围内。
鉴于此,MPS推出了非常适应市场需求的BMS解决方案,可以从安全、成本两方面来帮助两轮车锂电池“遮瑕”,助力实现瑕不掩瑜。
MPS先进的模拟前端(AFE)MP2797是一颗用于7-16串BMS电池监测保护芯片,可为两轮车锂电池提供完整的软硬件双重保护,提高其安全性能。

图1 MP2797及其典型应用电路
首先,MP2797集成了全面的芯片硬件保护功能:充放电过流保护(OCP)、单节电芯及电池组的欠压保护(UVP)和过压保护(OVP)、电芯高/低温保护、芯片高温保护等。
其次,除了全方位的硬件保护,MP2797还可以通过多方位的数据监测,实时掌握电池的健康状况,及时发出预警,做好软件保护:
电池电压电流监测:通过集成两个独立的模数变换器(ADC)可分别对Cell电压和电流进行高精度监测,以便实时掌握电池组的状态,更安全地使用电池;

图2 常温下,MP2797的ADC电压测量误差≤5mV,电流误差≤0.5%
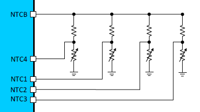
电池温度监测:MP2797不仅可以测量芯片的温度,还能复用15位电压采样ADC提供4个通道进行外部 NTC 热敏电阻的温度采样。

图3 4通道NTC采样
众所周知,锂电池自身的成本问题已然束缚了其普及速度,若配套的BMS方案价格不友好,则更是雪上加霜。
值得称赞的是MP2797在成本控制方面也十分出色,其三大“王牌”招数可直接或间接地降低整体方案的成本:
内置的软启动功能可防止启动电流过大带来的安全隐患,而且还直接节省了外围预充电电路;
采用极具特色的高边驱动,可驱动多个并联 N 沟道 MOSFET,与低边驱动相比,节省了隔离电源和信号隔离器件;
内部集成最高58mA的被动均衡MOSFET,可以满足大部分电动两轮车的均衡需求,节省外部均衡管的成本,也大大节省了PCB板面积。
MP2797凭借自身的高性能、高性价比优势,对两轮车锂电池管理进行了一定程度上的“遮瑕”操作,帮助其扬长避短,发挥最大优势。
所以,要选一辆好的两轮电动车,不光要选锂电的,还要选内置了优秀BMS方案的锂电两轮车,才能助你安全稳定地实现小小目标哦!
END

扫码关注我们
www.monolithicpower.cn
MPS 深圳:0755-36885818,
china-sz@monolithicpower.com
MPS 上海:021-22251700,
china-sh@monolithicpower.com
点击“阅读原文”,了解MP2797更多产品信息

