点击上方蓝字“MPS芯源系统”,关注我们,了解更多。
一年一度的购物大狂欢6.18马上就要来临了,买家小主们估计早已填满购物车,等待大战使劲薅羊毛了,相信一键买单付款的购物体验是极度舒适的~

但是大伙有没有想过,如果购物电商平台的App在大促时经常挂掉,买家小主付款的时候时不时就报“后台服务连接错误”,又会是什么样的感受??

为了避免这样的事情发生,“云计算”这个最“底层”的幕后英雄可谓是功不可没。它通过不断的技术升级加速,给用户带来了非常流畅稳定的体验。
因此,为满足未来智能世界对于计算加速的需求,各大厂商分别推出了基于GPU (图形处理器),FPGA (可编程逻辑门阵列),以及ASIC(专有集成电路)芯片的硬件加速系统。

常言道“兵马未动,粮草先行”,用于计算加速的“兵马”装备升级了,后勤的“粮草”供给 --- 电源,怎能拖后腿!!
日前,MPS就推出了一大波聚焦于大电流与多输出应用场景的电源模块新品,为数据中心以及硬件加速卡提供了完整的电源解决方案,完美地升级了“粮草”性能。
1
首先,MPS独特的COT(constant-on-time)以及MCOT(multi-phase constant-on-time) 控制方法,可以实现大动态负载下的高速响应 (Agility),极大地减少了输出电容的数量,减低了客户的BOM成本。
以 MPM3695-100 四模块并联应用为例,如图一所示,对于12V输入,0.75V输出,0A-250A的负载大动态切换(100A/us),MPS电源模块可以超快速响应,实现不超过+/-3%的输出电压偏移。
MPS电源模块的高响应速度帮助客户完美解决了各类加速芯片对于输入电压精度的高要求以及由于计算负载切换而产生的大动态电流的矛盾。

图 1:MPM3695-100四模块并联大动态响应
(VIN=12V; VOUT=0.75V; 100A/us切换速率;0A-250A动态切换)
2
MPS单晶圆多路输出的芯片设计以及先进封装工艺的应用,使MPS电源模块在提供高效率转换 (Efficient)的同时还具有高度集成性(Integration),从而减少客户占板面积和成本。
随着人工智能在多领域广泛应用,硬件加速芯片也在片内集成了更多的功能单元,如高带宽内存(HBM),数模转换器(ADC),加速引擎等。更高的加速芯片集成性对于供电系统的设计也提出了挑战。
加速芯片中的多个功能单元需要多路电源输入,同时对于电压、电流的要求也各不相同。假如使用多个分立的供电芯片或者模块供电,会极大的增加电源部分的占板面积,使原本已经非常紧凑的加速硬件设计更为困难。
为了应对以上挑战,MPS推出了多款多路输出电源模块,采用先进封装技术集成了多路输出的功率芯片与被动元器件,提供了全集成的模块解决方案。
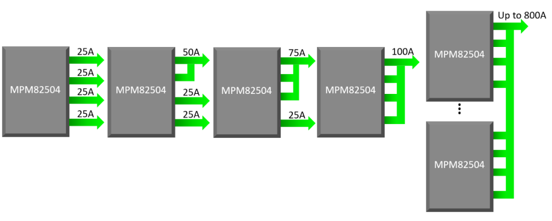
其中,业界首款四路电源模块MPM82504完美地诠释了这一优势,如图2所示,该产品为四路25A电源模块,同时可实现并联两路,三路,四路,也可以多个MPM82504模块并联,实现更灵活的输出组合。

图 2:MPM82504四路输出可拓展电源模块, 支持多路并联及多模块并联

图 3:MPM82504极大改善客户在加速硬件板卡上的占板面积
MPS还具有多种全集成多路输出电源模块,包括双路输出、四路输出产品,为更多的应用提供了完整解决方案。
图4展示MPS多路输出模块的规格,其中双路输出模块MPM3690系列产品有三种输出规格可选,它的双路EN/PG管脚可用作时序控制。四路输出模块MPM81204是一款双路 12A / 双路 5A 电源模块,具有高速动态响应,外部元件极其简单,非常适合5G 信号收发器等应用。当然还有曾荣获“年度电源管理/电压转换器”称号的MPM54304(首款带数字电源管理功能的电源模块),以及它的升级款MPM54504-四路5A电源模块。

图 4:MPS多路输出电源模块规格
3
MPS多路可并联电源模块为加速芯片日益增加的电流需求提供了可拓展性(Scalable),为不同场景下多路电源及不同电流的需求提供了单一模块的解决方案,进一步减少了客户新产品的研发成本及时间,同时可快速匹配加速芯片厂商对于不同的加速场景所推出的各类芯片。
MPS推出的可拓展电源模块,能助力加速硬件设计师重复使用单一电源模块设计,通过并联电源模块的多个输出或并联多个模块来实现输出电流的拓展。
以MPM3695-100 为例,该产品可以由单模块100A输出扩展为:双模块200A,3模块300A, 最多8模块并联800A输出等供电方案,以支持更广泛的系统要求。图5展示了该模块在8模块并联的应用。

MPS电源模块优势独特, 可以满足云计算硬件加速客户的严格要求。
MPS联系方式
深圳办事处:
Tel:+86-755-3688-5818
Email: china-sz@monolithicpower.com
上海办事处:
Tel:+86-21-2225-1700
Email: china-sh@monolithicpower.com
感谢您的阅读!如果您觉得本文还不错,请轻戳右上角“…”分享此篇文章,让更多人了解MPS!
点击“阅读原文”,了解更多模块产品信息

