1. 了解 MPS Axign 独特的后置滤波器反馈技术带来极致的 THD 表现;
2. 了解 MPS Axign 独特的 ZCM 调制方式,带来极高的效率,真正做到 500W 以内功放零散热器解决方案。
【点击上图可查看下载直播课件】
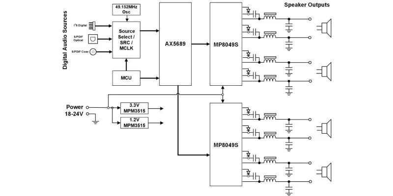
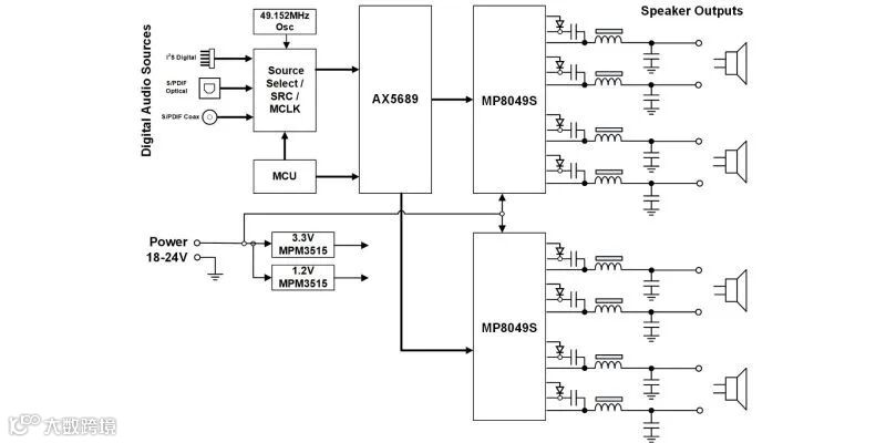
A:MPS Axign 主要提供D类音频控制器/处理器方案,目前量产的芯片主要用于四通道以及两通道的D类音频控制器,它接收I2S/TDM音频输入,产生PWM驱动信号给开关功率级,并从喇叭端取得反馈信号,构成所谓PFFB应用,极大降低系统失真。
A:MPS Axign 提供各类Class-D音频功率放大器方案,从集成式Power Stage到基于MOSFET,氮化镓的分立Power Stage。输出功率从25W@4ohm到1000W@1ohm。
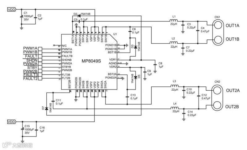
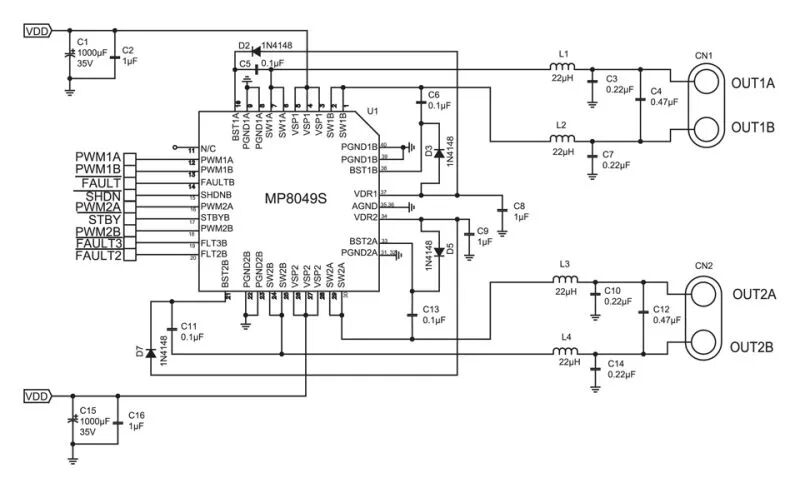
A:AX5689+MP8049S;AX5689+GaN,低失真,低静态损耗,高效率。
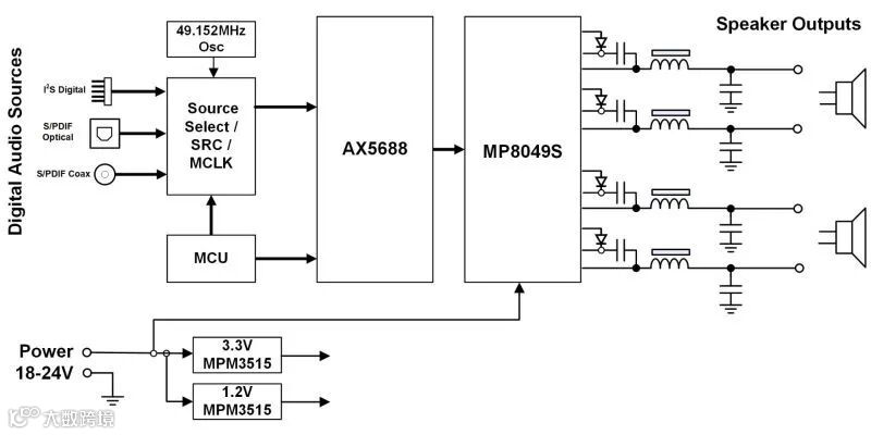
点击下图可查看下载AX5689产品手册
A:
①D类功放里面做到较低失真水平,0.005% THD+N, 6KHz;
②静态功耗低;
③频响曲线与喇叭阻抗无关;
④阻尼系数可以做到>1000。
A:我们会有极高的效率和极低的THD。
A:这个是 MPS Axign 的一个核心优势,我们的后级采样和5阶的数字滤波器让我们能够做到极高的效率。如50V供电4欧姆,250W输出,我们的效率可以达到97%左右。
A:简单来说,ZCM模式就是静态的时候,控制器输出占空比在1%左右,对应于传统功放零偏置位置。当有输入信号时,大部分时间内,均为一个半桥工作,另一个半桥输出为零。MPS Axign 的数字后端反馈技术可以克服零偏引起的交越失真等问题。
A:主要有二点:
①ZCM调制方式极大降低了功率级的静态功耗;
②配套功率级优化了开关管Rdson等参数,降低了导通损耗等。
A:静态功耗:0.75W,50V 供电;0.3W,24V供电。
A:
①LLADC技术的引入,使负反馈信号在音频范围内延迟为零,增强了系统设计带宽和稳定性;
②高阶数字滤波环路的引入,使之在音频范围内保持较高的环路增益和反馈深度,整个音频带宽内均能大幅降低失真;
③ZCM调制方式的引入,极大降低了功放静态功耗。
A:典型应用中,带宽为20KHz。同时支持Hi-res应用,提供40KHz音频带宽,不过20KHz以上信号,最大音频输出功率受系统限制。
A:Vo= Vddp*D
Vddp为电源电压,D为占空比。
A:112dB A-wt.
A:对于我们来说,码率越高越好,44.1K, 48K, 96K, 192K是比较常用的。
A:
①功放电源波动一般不大于+/-10%;
②输出LC滤波器元器件值偏差:L +/- 20%,C +/- 5%。
A:我们的下一代产品会更好的契合智能家电的设计需求。
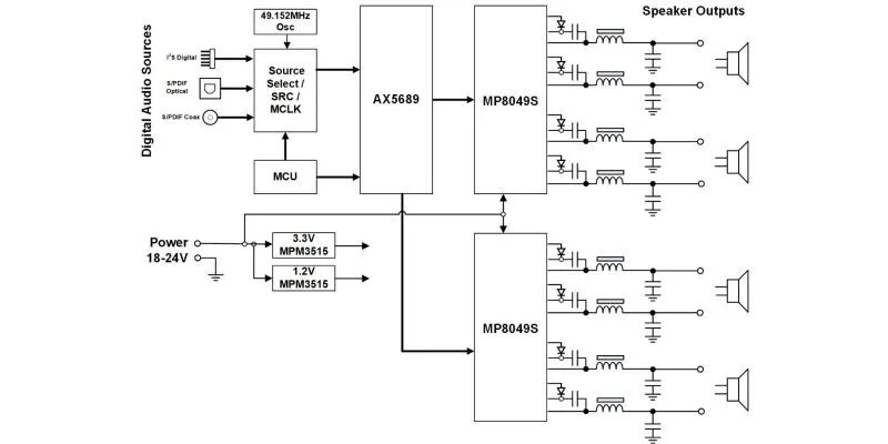
A:AX5688支持立体声输入,AX5689最大支持四个声道。
点击下图可查看下载AX5688产品手册
END
▼
更多相关参考资料
▼





