生活中多路输出电源应用广泛,但是多路输出电源的交叉调整率是个头疼的问题。今天,我们就来讨论一下交叉调整率的改善之道!
视频文字部分
如今,随着产品功能的丰富、系统结构的复杂和电源体积的限制,越来越多的场景需要多种不同的电压供电。因为电源结构简单、易于输出扩展,多路反激受到很大关注。

图1:供电场景复杂繁多
什么是交叉调整率?
在多路输出的开关电源里面,利用变压器的耦合关系,通过增加变压器绕组的数量,在同一个磁回路上分摊其能量,来满足多路的、不同电压的电源输出。
由于变压器漏感以及寄生参数的存在,当其他路带载时,对某一路输出电压会有一定影响。通常情况下,当主路输出满载,辅路输出轻载时,辅路输出电压将上升。当主路输出轻载,辅路输出满载时,辅路输出电压将下降。
那么交叉调整率概念公式如下所示:
S=∆Vo/Vo∙100% (最大电压变化量与其对应的额定电压的百分比)
交叉调整率改善之道其一:降低漏感法
利用绕组间的互感耦合传递能量,由于漏感存在,在现实当中变压器的耦合系数不能做到1。副边绕组与副边绕组间的耦合不完全,造成LK1与LK2漏感大小不一样,就会导致两路分配到的电流不一致。
变压器漏感是交叉调整率的根源,那么优化交叉调整率的核心是——降低漏感。
1. 从变压器绕法入手,采用三明治绕法,使绕组间耦合更好。理论上来讲绕组交叠越多,耦合越好,漏感越小。

图2:降低漏感法1
2. 多路输出电源副边绕组之间的漏感也会对交叉调整率带来较大影响。那么可以采用副边绕组并绕,副边绕组之间三明治绕法等方式来降低副边绕组之间的漏感,改善交叉调整率。

图3:降低漏感法2
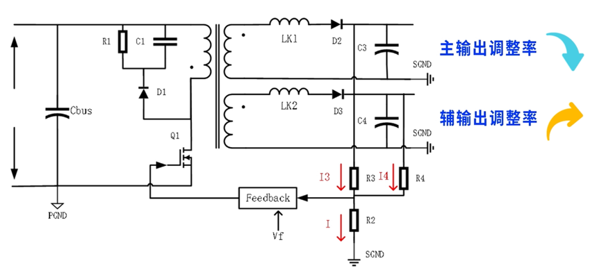
交叉调整率改善之道其二:加权反馈法
它的原理在于牺牲一部分主输出绕组的调整率,来增加另一路输出绕组的调整率。

图4:加权反馈法
根据如下公式可以看出,如果I3>I4,则Vo1在反馈中占据主要成分。在稳态条件下,Vo1的调整率会好于Vo2的调整率。
Vf=I∙R2
I3=K1*I=(Vo1-Vf)/R3,K1为Vo1路权重
I4=K2*I=(Vo2-Vf)/R4,K2为Vo2路权重,K1+K2=1
在多路输出的设计中分配原则是:主功率输出路应该分配到相对大的采样电流。那么可以根据两路输出的权重比来计算出采样电阻的值。
其中,加权法优点在于:
线路简单,方便实现
可自由选择精度最好的一组
同样缺点有:
不适合对输出要求精度高的场合
仅用于副边相互不隔离的应用
不能两路输出同时得到改善
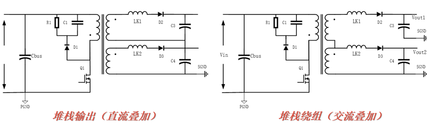
交叉调整率改善之道其三:堆栈法
堆栈法仅是次级输出的一种结构,可以和加权法等结合应用。堆栈法可分为直流叠加和交流叠加两种。

图5:堆栈法
堆栈法的交流叠加输出具有如下优点:
调整率相比于独立绕组改善可观
绕组的圈数减少
同样缺点也存在:
低压绕组的线径承受的电流是两个输出的总和
不能适用于负电压输出场合
直流叠加相比于交流叠加具有如下优点:
减少二极管D2的应力
同样缺点也存在:
低压绕组的线径和整流二极管D3承受的电流是两个输出的总和
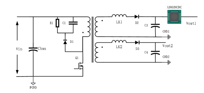
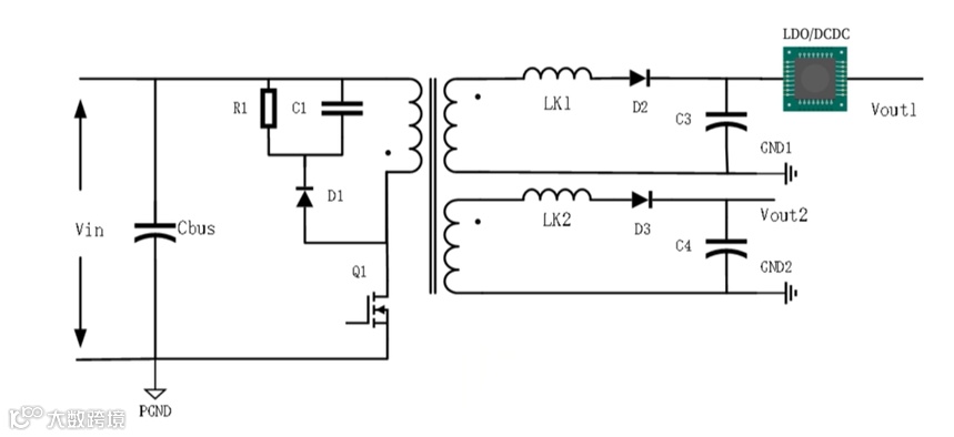
交叉调整率改善之道其四:二次稳压法
在对于系统输出精度较高的电路中同时功率也不是很大,可以在输出中增加LDO、DCDC等电路来满足电源需求。

图6:二次稳压法
LDO的价格相对便宜,但这种策略也有局限,当电路的输出电流很大时,就会增加很大一部分的损耗,影响到器件的效率和可靠性。
DCDC电路在如今使用较多,它具有较高的精度,较高的效率。但是成本也会相对的增加。
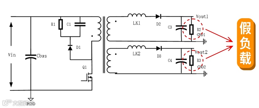
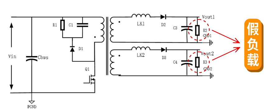
交叉调整率改善之道其五:假负载法
假负载法主要用于改善轻载时的交叉调整率,并且会有不错的效果,同样带来的问题就是空载损耗的增加。使用此方法时要注意空载损耗是否符合样机的规格标准。

图7:假负载法
END
▼
往期精彩回顾
▼
电源小课堂第五季第三话:发现 SW 大小波,应该联想到什么?应排查什么?

