MPS 的汽车展区呈现了全方位的汽车电源解决方案,在为汽车电气化发展提供充沛、安全动力的同时,也致力于实现更加智能化的驾驶体验。高性能 ADAS 方案,为 SoC 核心电源轨供电,护航智驾步入超级芯片时代。
明星产品 MPQ86960-50A Intelli-Phase™ DrMOS,可实现超高功率密度和效率;MPQ2967 控制器采用 ACOT PWM(ACP™)技术可实现快速瞬态响应。
48V 前灯解决方案
如 MPQ7210、MPQ9934 等产品
动态尾灯模块解决方案
如 MPQ763xx、MPQ76300FS 等产品
高集成度 PMIC 摄像头供电方案
如 MPQ7024x 等产品


MPS 的新能源展区涵盖了 BMS 解决方案,如 MP279x 系列 AFE、MPF4279x 电量计等产品,适用于电动自行车和电摩、轻型电动汽车、储能、UPS 应用等场景;同时展示了 SiC 与隔离产品解决方案,可覆盖服务器电源、UPS 电源、OBC 牵引逆变器、光伏逆变器/优化器、储能、48V DCDC 空调压缩机等多元应用。
用于高功率电池的完整 BMS 解决方案


新材料碳化硅(SiC)解决方案
MPS 的 SiC SpeedFin 功率器件,可支持耐压 650V-1700V,其可靠性与 Si 器件相当,具备优于 GAN 2 倍以上的击穿电压,相比于传统 Si MOSFET 方案能降低 10 倍损耗,相比主流 SiC MOSFET 方案层数能降低 40%。

隔离电源解决方案
MPS 拥有一整套隔离解决方案,包含 MP(Q)18831 等隔离驱动器、MP(Q)18913 和 MID1W2424 等隔离电源模块/隔离电源、MP(Q)279xx 系列数字隔离器等。 MPS 的隔离方案与主流方案 P2P,兼容性强,较宽的驱动偏置范围使客户 FET 选择更灵活(兼容 SiC/GAN/IGBT),更高的拉电流和灌电流使效率更高。
人工智能应用的快速发展让 48V 新型供电架构备受关注,它能够更好地承载 AI 高性能计算的发展需求。MPS 本次展出的服务器电源方案和 48V AI 模块供电方案,包含了近期推出的一系列新产品。
48V AI 模块供电方案:
垂直供电解决方案
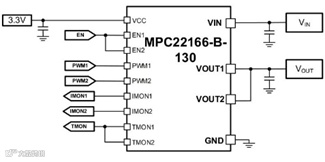
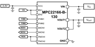
例如 4mm,130A,高效率的 AI 模块 MPC22166-B 等产品

水平供电解决方案
例如 8mm,130A,新结构,高效率的 MPC22157 等产品

MPS 在工业领域具有非常丰富的解决方案,包括 ACDC 电源产品、电源模块产品、 ADC 方案、音频功放控制器,电机驱动和传感器产品等。

ACDC 电源:适用于多场合的 ACDC 电源方案
MPS 高峰值功率的高效电源方案 HR12xx,100W 集成氮化镓(GaN)解决方案等多元 ACDC 电源方案。
其中,MA600 是专用于运动控制的高灵敏度、高带宽、高分辨率的磁性位置传感器,能够帮助实现机器人执行单元的精确位置定位。

另外,MPS 展示了空心杯一体化电机、驱动器等解决方案。


如您想要了解更多产品详情
欢迎私信或留言咨询~

