
大家平时上班都开车还是骑车?相信有不少离公司近又怕堵的童鞋们都是骑电动自行车吧。每次骑电动车从堵车的队伍旁边呼啸而过时,怎一个爽字了得!
骑车是爽,但电瓶车的安全问题常常被我们忽视,尤其是现在电动车品牌太多,质量更是参差不齐,什么线路短路,自燃,相信大家也是屡见不鲜。
Q
提问
对于电动自行车的工程师和厂家们, 怎么提高电动自行车的可靠性,防止电动车因为控制线路故障导致过流或短路从而有效降低自燃风险呢?
传统方案一般采用分立元件搭建电源系统,元器件数量多导致可靠性相对较差,而且缺乏完善的保护功能。那我们应该怎么办呢?
A
回答
瞧这儿!MPS最新研发的超极新品 --- MP5423。
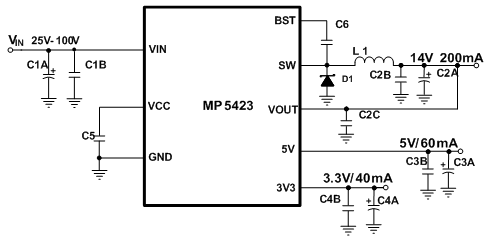
集成1路100V buck和两路LDO,绝对是您替换分立方案提高系统可靠性的理想之选。
说的这么牛,是骡子是马咱们马上给您拉出来遛遛:

图中两位选手,上面的是MPS公司的MP5423方案,下面的是传统解决方案。
大家应该可以直观的看出:MP5423完胜传统解决方案!
如果说上图仅是展示了MP5423的三头六臂,那么下面小编将采访下MP5423,追问其其他厉害的“功夫”:
MP5423你好,都说你人小“力气大”,请问你是如何办到的?
是的,我虽然只有SOIC8的小封装,但是我在同一块晶片上集成了100V的高压buck和2路LDO,特别适合PCB空间有限的场合。
我平时经常遇到电动车罢工,甚至看到报道说晚上电瓶车放屋里自己着火了的。吓得宝宝都不敢把车放家了。你有啥招吗?
相对于传统方案,我集成了多种保护功能,buck和LDO电流限保护、过流/短路保护、170°C过温保护。不仅如此我还通过了严酷的可靠性实验包括:高低温循环实验、高温老化实验、高低温存储实验、高温高湿实验…..这下您可以放心睡觉了吧。
你这么厉害,价格不便宜吧!
相对于传统方案,我不会额外增加您的成本,而且我这么小的身材还能为您节约不少PCB空间呢。
总结
MP5423芯片的实际性能:
25-100V超宽输入电压;
buck效率高达90%;
14V,5V,3.3V固定电压输出,无需外接分压电阻;
170°C OTP,SCP,OCP保护;
SOIC8-EP小封装。

图注:Buck效率曲线

图注:芯片温升

图注:MP5423 典型应用电路图

MPS联系方式
深圳办事处:
Tel:+86-755-3688-5818
Email: china-sz@monolithicpower.com
上海办事处:
Tel:+86-21-2225-1700
Email: china-sh@monolithicpower.com
感谢您的阅读!如果您觉得本文还不错,请轻戳右上角“…”分享此篇文章,让更多人了解MPS!

