国庆假期终于开启倒计时啦⌛
🎉 MPS 预祝大家节日快乐!
特此奉上备受催更期待的
MPS 电源小课堂!最新一话!📚
↓ 精品力作,让你的假期电量满满 ↓
经常会被很多工程师朋友问到,Buck电源芯片在Layout过程中,输入电容应当如何放置以及放置不好对芯片工作有何影响?
今天,我们就来谈一谈Buck电路输入电容位置放置的问题。
视频文字部分
01
众所周知,Buck变换器在使用过程中,欲使输入端以最小的纹波代价,快速提供Buck变换器每个开关周期所需要的能量,输入端的MLCC是必不可少的。


图1:Buck变换器开关周期图
那么在实际Layout的过程中,输入端的MLCC摆放到底有什么讲究呢?
带着这个疑问,我们查阅MPS的大电流Buck变换器 MP87XXX的Layout Guidelines一探究竟:
MP87XXX PCB Layout Guidelines :
Place the MLCC input capacitors as close to VIN and PGND as possible.
输入MLCC尽可能的靠近芯片VIN和PGND pin脚放置。
Place as many VIN and PGND vias underneath the package as possible. Place these vias between the VIN or PGND long pads.
在芯片下方尽可能的多放置Vin和PGND的通孔,且通孔需要放置在芯片的VIN或者PGND的pad上。
Place a VIN copper plane mid-layer 2 to form the PCB stack (positive/negative/positive) to reduce parasitic impedance from the MLCC input capacitor to the MP87XXX.
在PCB的L2层铺VIN的铜皮网络,使得Top层,L1层和L2层形成正/负/正的堆叠结构,其目的是减小输入MLCC到MP87XXX的寄生阻抗。
Layout Guidelines提到的这3点,究竟是从什么方面去考量的呢?下面我们对其进行逐条分析:
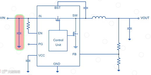
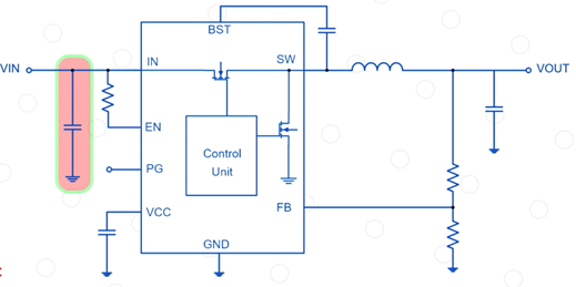
Place the MLCC input capacitors as close to VIN and PGND as possible.
输入MLCC尽可能的靠近芯片VIN和PGND pin脚放置。

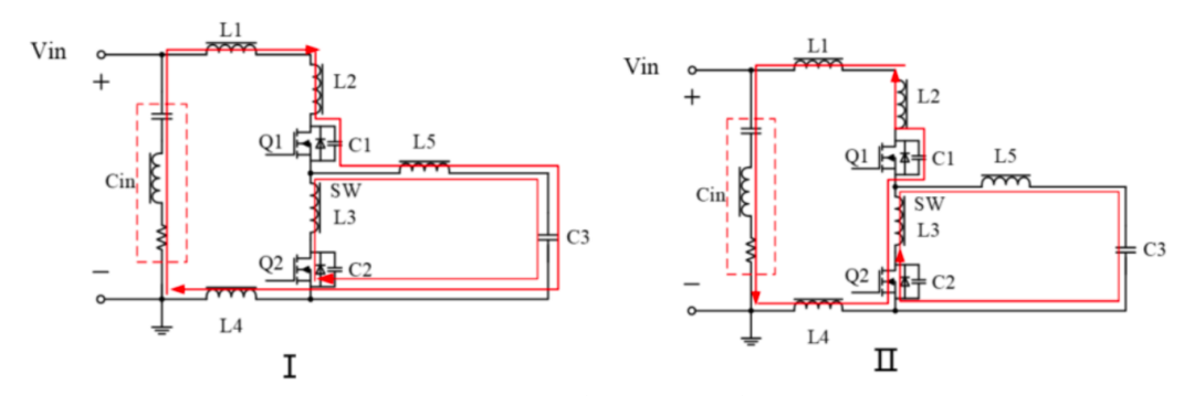
图2:顶视图和底视图
我们简化输入MLCC到芯片VIN和PGND pin脚的Layout模型如下:

图3:简化后的芯片Layout模型图
其中Ctop为top面的输入MLCC,Cbottom为Bottom面的输入MLCC,L1和L2分别为Top面输入MLCC到芯片VIN和PGND的寄生电感,L3和L4分别为Bottom面输入MLCC的VIN和PGND过孔的寄生电感。
通过简化模型可以看出,输入MLCC靠近芯片VIN和PGND pin脚放置可以减小寄生电感L1和L2。
02
Place as many VIN and PGND vias underneath the package as possible. Place these vias between the VIN or PGND long pads.
在芯片下方尽可能的多放置Vin和PGND的通孔,且通孔需要放置在芯片的VIN或者PGND的pad上。

图4:MLCC到芯片VIN和PGND Pin脚的寄生电感
对于Top面的MLCC来说,打VIN和PGND的通孔,除了连接内层VIN和PGND的铜皮以外,本质上是增加了VIN和PGND的电流路径,除了增加通流能力以外,还会使得不同层间的寄生电感并联,达到减小输入MLCC到芯片VIN和PGND寄生电感的目的。
对于Bottom面的MLCC来说,多打VIN和PGND的通孔,除了使得Bottom面的MLCC有更好的滤波效果以外,同时也会使得通孔间的等效电感并联,达到减小寄生电感L3和L4的目的。
03
Place a VIN copper plane mid-layer 2 to form the PCB stack (positive/negative/positive) to reduce parasitic impedance from the MLCC input capacitor to the MP87XXX.
在PCB的L2层铺VIN的铜皮网络,使得Top层,L1层和L2层形成正/负/正的堆叠结构,其目的是减小输入MLCC到MP87XXX的寄生阻抗。

图5:Top层、L1层和L2层形成正/负/正的堆叠结构
我们都知道PCB的层与层之间相当于一个寄生电容,那么当在TOP层,L1和L2层铺成正/负/正的网络时,由于通孔的存在,相当于在芯片的VIN和PGND之间增加了很多寄生电容,等效增大了输入MLCC的容值。
另外增加VIN或者PGND层数,本身就会减小输入MLCC到芯片间的寄生电感,第二条有提到,就不再赘述。
综上所述,对于Buck变换器来说,输入MLCC的放置,一定要朝着减小输入MLCC到芯片VIN和PGND pin脚寄生电感的方向去优化。
那么为何要减小这两个寄生电感呢?下面我们将从Buck变换器上下管电压应力的角度去分析原因。
关于寄生电感对EMI的影响可以参考MPS电源小课堂之《汽车DCDC EMI》:
在Buck变换器下管电压应力测试中,当我们使用最小环测试芯片的SW和PGND pin时仍然会看到如下类似波形,开关节点SW的上升沿和下降沿会产生很大的震荡,上升沿震荡的峰值远超过VIN电源电压,下降沿甚至会震荡到负值,过大的正压和负压都会造成下MOS管的损坏。
下面我们分别研究一下上升沿和下降沿尖峰产生原因。
首先看一下上升沿尖峰产生的原因:


图6:上升沿和下降沿尖峰
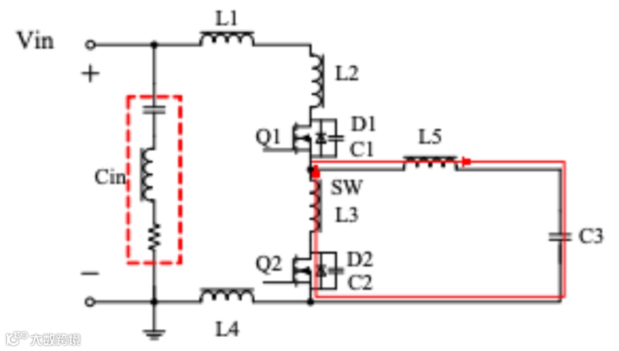
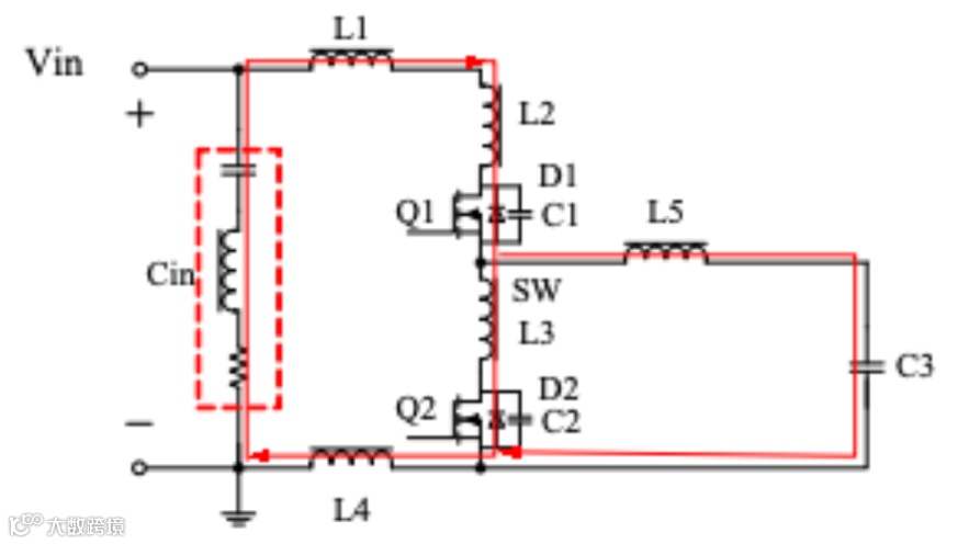
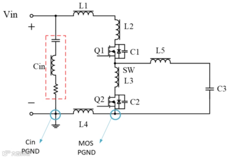
如下为Buck变换器等效模型:

图7:Buck变换器等效模型
其中Cin为输入MLCC且包含寄生ESL和ESR;L1和L4分别为输入MLCC到芯片VIN和PGND的寄生电感;L2与L3为Buck芯片内部上下管MOS的等效寄生和引线电感,对于集成MOS的Buck变换器来说,L2和L3由芯片工艺和内部走线决定;L5和C3分别为Buck变换器的输出电感和输出电容。
本文对Cin电容的ESL,ESR和L2,L3不做过多分析,重点讨论L1和L4的大小对Buck变换器上下管电压应力的影响。
下面我们通过仿真波形来辅助分析SW上升沿震荡产生的原因:

图8:仿真波形图
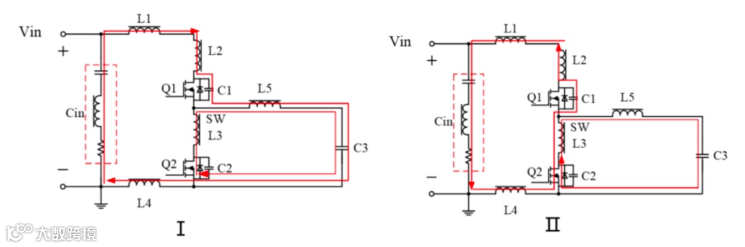
截取SW电压和下管体二极管iD2的波形,我们将波形分为Ⅲ部分:
Ⅰ:t0-t1时刻,Q1和Q2都关断,此时电感L5的电流由二极管D2续流,可以看到SW有-0.7V左右的二极管压降;

图9:t0-t1时刻
Ⅱ:t1-t2时刻,t1时刻,Q1开通,此时二极管D2会承受来自Vin的反压,导致二极管电流迅速减小,由于二极管本身存在反向恢复,所以会看到二极管电流会变负;在这个过程中,D2,L3支路的电流减小,因此会在电感L3上面感生出上正下负的电压,这就是t1-t2时刻,SW第一段阶跃的原因;此时二极管D2仍在导通,C2还未进行充电;

图10:t1-t2时刻
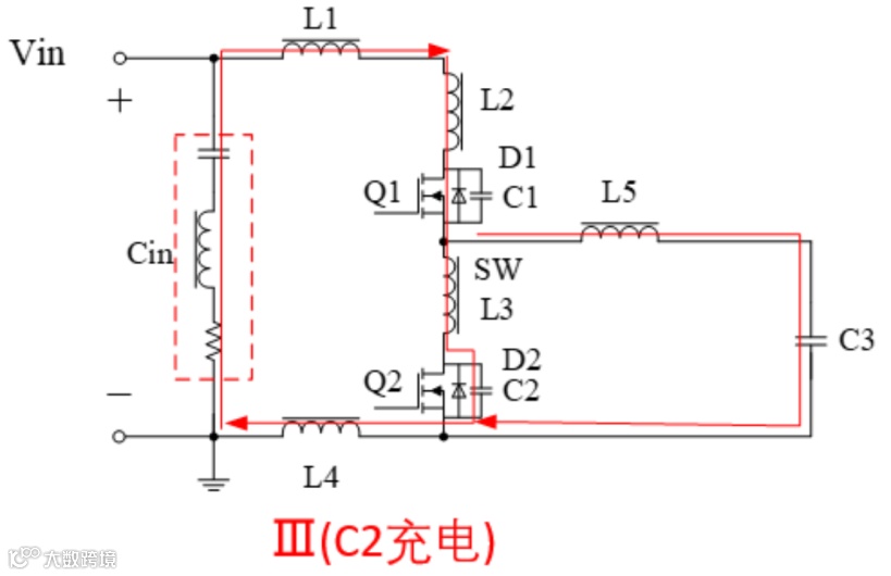
Ⅲ:t2时刻之后,iD2的电流因为反向恢复变为负值,此刻进入第三阶段,谐振阶段;
谐振阶段又可分为对C2充电和对C2放电二个阶段,仿真波形中增加电感L1和L3的电流iL1和iL3。
通过仿真波形可以看到:

图11:谐振阶段波形图
t2-t3时刻,电感电流iL1同时对C2和L5充电,此时SW点电压慢慢爬升,由于SW点电压小于Vin电压,iL1电流不断增大,因为负载电流恒定,因此电感L3电流不断增大,直到SW电压等于Vin电压时,电感L1电流达到最大,C2继续被充电,SW电压高于Vin,之后电感L1电流开始减小,iL3也开始减小,直到为0,此时C2停止充电,SW电压到达最高点,且iL1等于负载电流;

图12:t2-t3时刻
t3-t4时刻,由于SW电压大于Vin电压,iL1继续减小,不足以为负载提供电流,此时C2通过C2-L5-C3-C2路径放电,SW电压开始下降,直到C2电流放到0,SW电压达到最低点;
之后重复C2充电和放电的过程,由于线路寄生电阻的存在,SW电压最终会稳定到Vin电压。
图13:t3-t4时刻
了解SW上升沿尖峰产生的原因之后,我们看一下L1和L4的大小对SW上升沿尖峰有什么影响呢?
由于这两个寄生的电感的大小在实际的PCB中很难去精准量化,所以我们通过仿真的方式进行验证。仿真参数如下,通过选取4组不同的L1和L4的电感值,读取max(Vsw)值,结果如下:
图14:仿真结果图
通过仿真可以看到,L1与L4任何一个电感的感量大小都对下管SW上升沿尖峰的Max值都有影响,且L1与L4的感值越大,下管的SW的正向尖峰越大。
仿真参数如下:
Vin=12V,Vo=0.8V,Io=40A,Fs=500K; L2=L3=500pH;C1=C2=5nF;Cin=40u,忽略寄生ESR,ESL。
下面我们介绍一下SW下降沿负尖峰产生的原因和影响因素。
同样结合SW电压,iL1和iL3的电流仿真波形,可以看到:

图15:SW电压,iL1和iL3的电流仿真波形图
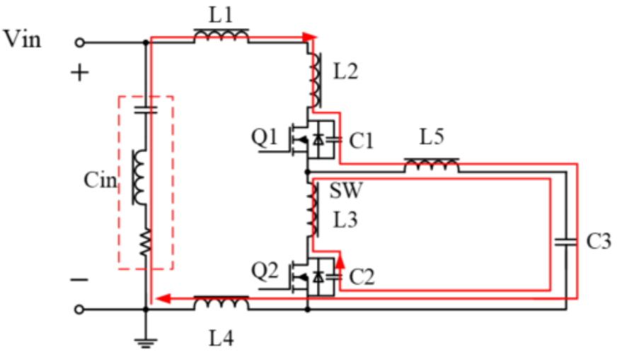
t0时刻,Q1关断时,Q2未开通时,输出电感L5电流可以近似认为不变,此时有两条电流支路为电感L5提供能量,分别为:
Loop1:L1-C1-L5-C3-L4-Cin-L1
Loop2:C2-L3-L5-C3-C2
其中Loop1的电流在减小,Loop2的电流在增加。对于电感L3来说,电感电流突然增加,就会感生出下正上负的电压,因此在SW的下降沿会看到负压。

图16:t0时刻电流流向图
通过仿真,L3分别选择不同的感值,仿真结果如下:
图17:L3分别选择不同的感值仿真结果图
通过仿真结果可知负压的大小跟寄生电感L3相关,且感值越大,负压越负。
同样我们用最小环测试Buck电路上管电压应力时,也会经常看到在上管关断时,VIN-SW出现很大的电压尖峰,这个尖峰过大,同样会损坏上管。
下面我们看一下这个震荡尖峰产生的原因:


图18:VIN-SW电压尖峰
结合VIN-SW电压和电感L1和L3的电流iL1和iL3的仿真波形,根据iL1的过0点,把整个过程可以分为Ⅱ个段:
Ⅰ(t0-t1):t0时刻,Q1关断,电感L1上的能量经过L1-C1-L5-C3-L4-Cin-L1对C1进行充电。iL1电流不断减小,在iL1电流过0时,C1停止充电,此VIN-SW电压到达最高点,此时进入阶段Ⅱ;
Ⅱ(t1-t2):t1时刻,当iL1过0时,由于C1电压大于Vin,因此C1经过C1-L1-Cin-L4-Q2-L3-C1进行放电,直到iL1电流为0,C1停止放电,VIN-SW电压下降到最低点,然后重复Ⅰ和Ⅱ这两个过程,由于线路寄生电阻的存在,最终VIN-SW电压稳定在VIN;
在整个过程中电感L5上的能量经过L5-C3-Q2-L3-L5续流。


图19:VIN-SW、iL1和iL3仿真波形图及各阶段电流流向图
下面同样用仿真的方式看一下L1和L4的感值对Vin-SW尖峰的影响,依旧选取四组不同的电感参数。仿真结果如下:
图20:不同感值下的仿真对比图
由仿真结果可见L1和L4的大小都会影响上管关断时的电压应力,且感值越大,应力也会越大。
下面给大家分享一下不同的电压应力测试点,对实际的测试结果造成的影响。
当我们在实际测试下管电压应力时,由于芯片pin脚不容易点到,很多时候探头的GND会放在Cin cap的GND上,此时测量会引入寄生电感L4的影响。
通过仿真波形可以看到:以Cin cap的负极为GND,SW上升沿尖峰测试会偏小,SW下降沿尖峰会偏大。


图21:电压应力测试点在Cin cap的GND上
当我们在测试上管电压应力时,如果探头的正极放在Cin cap的Vin上,此时测量会引入寄生电感L1的影响。
通过仿真波形可知:此时测出的电压应力会比实际值偏小。


图22:电压应力测试点在Cin cap的Vin上
END
▼
往期精彩回顾
▼
电源小课堂第五季第三话:发现 SW 大小波,应该联想到什么?应排查什么?

