是时候,亮颗猛料!
给电机圈来点“小小的”震撼!
小身材,大力量,群雄逐鹿,脱颖而出!
11月21日,2024年第五届电机控制技术市场表现奖颁奖典礼在深圳成功举办。MPS 超小尺寸全集成的无传感器三相无刷电机驱动器MPQ6634斩获“十大主控芯片奖”!

图注:MPS公司电机控制产品线应用工程部高级主管盛立丞先生领取奖杯
“电机控制技术市场表现奖”评选活动由电子技术领域知名媒体电子发烧友网发起,MPS电机控制产品线应用工程部高级主管盛立丞先生受邀出席领奖。

各类奖项旨在通过业界共同推荐、评选出电机控制行业内市场表现优秀,具有技术和创新能力的企业,以激励电机控制行业相关企业的创新热情,激发企业的创新激情。
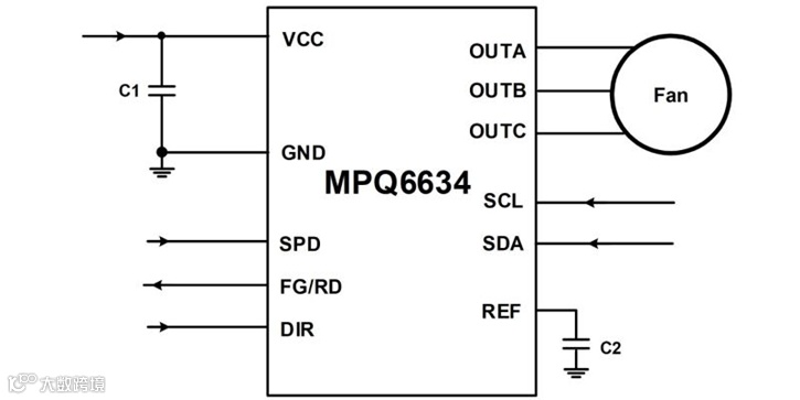
MPQ6634 采用 PWM(pulse width modulation)信号或者模拟电压输入调节电机转速,可选择速度开环控制或者速度闭环控制。同时 MPQ6634 支持电机正转和反转运行。
MPQ6634 集成各种可靠保护。采用可浸润小封装 TQFN12-3mmx4mm。通过 AEC-Q100 等级 1 认证。
图:MPQ6634结构简图
产品特性和优势
内置无传感器 FOC(Field Orientation Control,转子磁场矢量控制)控制算法,无须编程即可实现无传感器的 FOC 控制
内置低内阻功率 MOSFETs ,无须外置 MOSFETs
外置器件少,极小封装,PCB 占板面积小
宽输入电压范围:4.5V至35V
大输出电流 2A 峰值电流
支持速度开环控制和速度闭环控制,无须额外的速度控制芯片实现速度闭环控制
灵活的曲线编程功能,根据不同的应用调节速度曲线,易于平台化
极低的待机电流(<40µA),对电池应用友好
各种保护功能齐全,可靠性高
专用 I²C 接口,方便兼容到各种系统中。
符合 AEC-Q100 等级 1 认证,可浸润极小封装
相关精彩内容


