MPS 近期发布了两款新产品:NovoOne 开关 MPXG2100 系列和 PFC 稳压器 MPG44100 系列,旨在为快速发展的快速充电市场、工业系统和消费电子产品提供高集成度、高性能和经济高效的解决方案,同时支持新国标 GB20943-2025 能耗管理标准,内置第三代半导体的新材料应用设计。

a) 单极反激-MPXG2100全集成方案

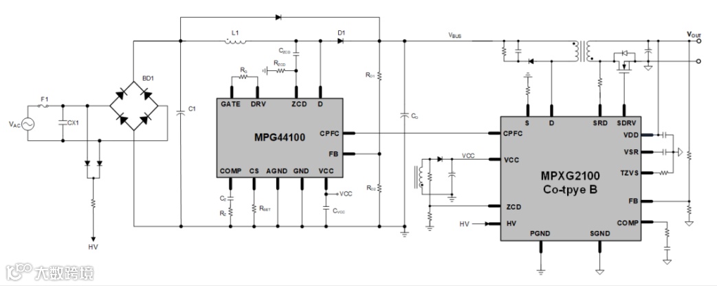
b) 功率因数校正+反激-MPG44100+MPXG2100方案
NovoOne 开关是极高集成度零电压开通反激式稳压器。它将初级反激控制器、氮化镓功率管、隔离电路、同步整流控制器和同步整流硅管,零电压开通控制集成在一个芯片上,使其成为一种超高集成度的解决方案。NovoOne 系列采用无需额外电路的零电压开通控制,显著降低空载待机功耗,和大幅提升满载和轻载效率, 同时缩短市场投放时间和减少物料清单成本。
对于需要功率因数校正电路的电源,MPG44100 与MPXG2100相结合的方案重新定义了大功率系统的高集成度和高效率。这种新方案可以满足所有严格的全球能源标准,最大限度地降低系统复杂性,并大幅削减物料清单总成本。
该方案适用于高端 PD 适配器、笔记本电源、电动工具充电器、TV 电源、音响电源、服务器辅助电源等多种应用场景。
产品优势一:行业领先的效率
功率因数校正调节器 MPG44100 采用无损电流采样,集成氮化镓器件。而反激调节器 MPXG2100 采用自适应零电压开通控制,集成氮化镓器件。对于 140W 通用 PD 电源设计,具备高效率的性能优势:
90Vac 时效率 >93%
230Vac 时效率 >95%
90Vac 下的满载效率和热性能与 PFC+AHB 反激式解决方案相似
产品优势二:极低的待机功耗
通用输入下,单极 MPXG2100 解决方案 <20mW
产品优势三:超高集成度
功率因数校正调节器 MPG44100 将 700V GaN HEMT、功率因数校正控制器,电流采样组合在一个紧凑的芯片中
反激调节器 MPXG2100 集成 700V 氮化镓器件、SRZVS 反激控制器、隔离、同步整流控制、100V 硅管
封装展示
MPXG2100 采用 TSOICW24-18L / SOICW24-18L 封装:

- MPG44100 采用 QFN-27 (7mmx7mm) 封装:
技术资源
MPS 可为客户提供 MPXG2100 系列和 MPG44100 系列的产品数据手册、计算文档、标准评估演示板(可搭配 PD 小板做可调电压 PD 电源)等丰富的技术资源支持。
联系我们
如您对上述方案感兴趣,欢迎点击文末“阅读原文”咨询更多产品详情,获取技术资源支持!

