工程师又来整活了,整大活。
此次整活的模组是我们的新晋之星——Ai-WB1-A1S。
先给大家大概介绍下Ai-WB1-A1S

接下来,让我们进入今天要讲的主题,看下Ai-WB1-A1S是如何整大活的。
物联网中对于物的控制方式,常见的有三种:
· 离线语音控制
· 手机App远程控制
· 天猫精灵在线语音控制
我们的工程师通过Ai-WB1-A1S让这三种控制方式在一个项目上实现。
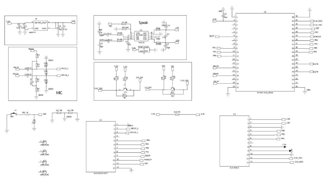
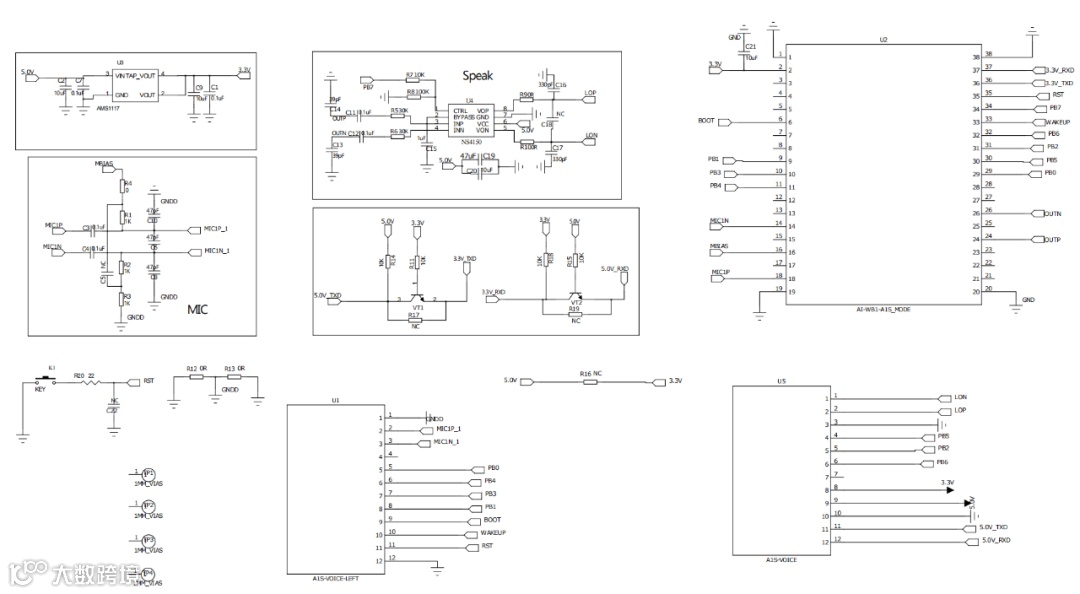
控制主板
Ai-WB1-A1S 模组内部集成了codec 芯片(ES8311),可以实现语音采集,但是音频播放还需要一个功放,所以就有了下面这个开发板。

开发板上集成了功放芯片、MIC和喇叭接口、复位按键,还有LDO。左右两边的2.54mm 插口,可以快速嵌入到产品主板中。
转接板原理图

注:部分元件参数是根据实际情况来调整,所展示的参数不代表最终的参数。
接线与烧录
· 转接板接线
了解两边的排针功能,进行接线。

· 固件烧录
在转接板没通电之前,把BOOT引脚接地。转接板通电后,开始持续打印cccc,就表示模组进入烧录模式。

然后就可以选择固件进行下载。
01
离线语音控制
本项目所定义的离线语音如下图

02
App 控制
(1)云平台产品创建
在创建产品时,按照风扇的品类来创建即可。
· 新建产品

· 功能定义
在定义产品功能时,只需要保留开关功能即可,其他全部删除。

· 人机互交界面设置
配置使用公版App

· 配网方式
选择蓝牙辅助配网

最后填写多语言产品信息即可。
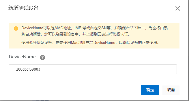
(2)添加设备
添加设备需要提前获取模组的WiFI STA的mac地址,使用指令:

读出来的mac地址需要作为设备名称在云平台添加设备

添加完成,点击发布产品,即可使用。
(3)五元组烧录
五元组指的是设备三元组+Product Secret+Product Id,是设备连接阿里云生活物联网平台的必要参数,获取方式如下:

例如有以下五元组:

使用串口(波特率115200)把以下指令发送到模组:

(4)进入配网
打开云智能App,使用语音指令:“小安小安,快捷配网”,即可让模组进入配网模式。

(5)设备控制
直接在云智能App 在设备控制界面直接点击开关按钮即可。

03
天猫精灵在线语音控制功能
与云智能App同一账号下的天猫精灵音箱,可以在天猫精灵App里参看所有设备。
平台指令:
“天猫精灵,打开风扇”
“天猫精灵,关闭风扇”
以上就是对风扇的三种控制方式,期待后续工程师继续开大!!
想了解更多关于Ai-WB1系列模组相关信息,欢迎文章下方留言~
安信可更多产品信息可点击以下链接查阅:
►►►开发资料:https://docs.ai-thinker.com/
►►►官方教程:安信可科技CSDN
►►►安信可官网:www.ai-thinker.com

