感谢安信可社区的支持,免费领到了安信可的最新产品小安AI - AiPi-PalChatV1 语音开发板。

原贴地址:
【AiPi-PalChatV1语音开发板】开箱、配网、对话
【AiPi-PalChatV1语音开发板】小智 MCP 接入 Home Assistant
目录
一、开箱
01
开箱
介绍了 AiPi-PalChatV1 语音开发板的包装及外观等。
包装
外层防静电袋,保护精密器件在运输途中远离摩擦静电影响;
PP 环保塑料外壳包装,加上内层隔振海绵,确保运输过程中开发板的稳固安全。
开发板
该套件包括开发板、麦克风、扬声器,已连接至相应的快接插头。
02
开发板介绍
AiPi-PalChatV1 是一款接入了小智AI智能体的微型语音交互开发板,专为轻量级智能语音场景设计。
基于安信可 Ai-WB2-12F 模组主控,具备高集成度、高性价比等特性,支持离线语音唤醒与语音打断功能,结合2W/8Ω 扬声器与双供电模式(Type-C + 电池),适用于快速部署语音交互能力的硬件创新场景。
功能特点
离线语音交互
支持离线语音唤醒,解放双手。
支持语音打断,提升交互自然度。
灵活供电模式
Type-C 有线供电,适配常规电源环境。
电池供电设计,满足移动场景需求。
轻量级硬件配置
小尺寸板载设计,易于集成到各类设备中。
2W/8Ω 扬声器提供清晰音效输出。
便捷开发与配置
微信小程序一键配网,简化设备联网流程。
智能体配置可视化,支持自定义音色与场景逻辑。
全新模组连接方案
安信可 Ai-WB2 系列模组,多种尺寸。
低成本快速落地
开箱即用的语音方案,降低开发周期与硬件成本。
高兼容性
支持主流物联网协议,可扩展接入智能家居生态。
技术参数
模块 |
参数详情 |
主控 |
安信可 Ai-WB2-12F 模组(Wi-Fi/BLE 双模) |
唤醒方式 |
离线语音唤醒,语音打断 |
扬声器 |
2W/8Ω 喇叭 |
MIC |
驻极体麦克风,灵敏度:-29dB |
供电 |
Type-C(5V) 或 3.7V 锂电池 |
唤醒词 |
默认:你好小安 |
开发支持 |
SDK 二次开发接口 |
适用场景
智能家居控制
低成本改造传统家居为智能语音交互场景。
教育/儿童玩具
集成到早教机、故事机中,支持离线语音问答与互动内容播放。
工业设备交互
为小型工业设备(如检测仪、控制面板)添加语音指令操作,提升人机交互效率。
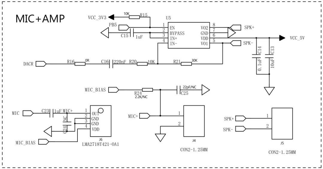
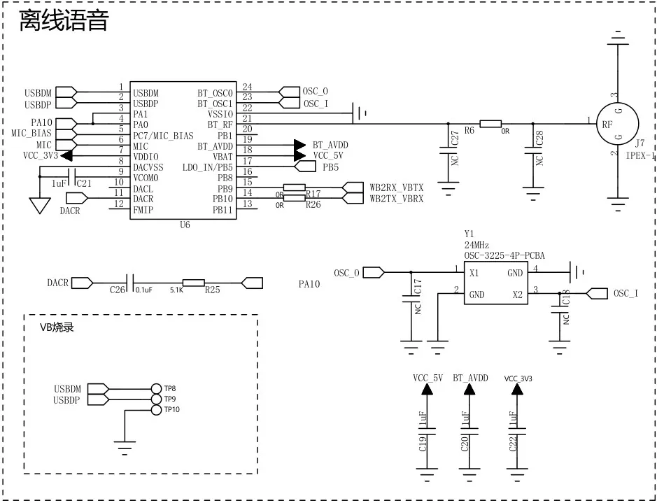
原理图
电源管理
供电
Sound
麦克风
主控
外设
源码及固件详见:
https://gitee.com/Ai-Thinker-Open/xiaoan-ai_wb2
固件上传方案详见:
03
上电及配网
上电
检查麦克风、扬声器、屏幕是否已连接;
使用 Type-C 数据线接入设备的 Type-C 口,打开电源开关,红灯亮起。
播报语音:【 我是你的人工智能语音助手,请对我说,你好小安,开始配网 】
若接入电池,在 Type-C 数据线接入后,蓝色充电指示灯亮起表示正在充电,熄灭表示充满,闪烁表示未插入电池。
配网
首次启动需配置网络连接
对麦克风说:【你好小安】
回复:我在
说:【开始配网】
回复:进入配网模式,请使用安信可小程序或App 进行配网
小程序
打开 安信可 IOT 微信小程序;
选择 AI 硬件智能体 ,点击 添加设备 - 扫描设备 ;
点击连接 BL602_XZ_V1.0_XXXXXXXXXX 设备;
填写 WiFi 名称和密码 - 配置 WiFi
回复:连网中
回复:连网成功
若连接失败,则需重启设备,重新配网
小智 AI 界面
完成设备配网后,开发板会循环播报验证码,如 028030 ,此时需进行小智 AI 配对;注册和登录 小智 AI
网页端,点击 控制台 - 新建智能体 - 输入相应的个性化配置;
点击添加设备 - 输入播报的 6 位数字 - 手动复位设备;
上电之后,播报 联网成功,再唤醒设备。
语音唤醒:你好小安
回复:我在
之后便可进行连续对话。
04
效果
联网后可通过对话调整音量。
彩蛋:可以播放歌曲,音质还不错哦~
05
MCP 介绍
消息上下文协议 (Model Context Protocol, MCP) 是一个开放协议,用于标准化应用程序如何向 LLM 提供上下文。
MCP 为 AI 模型连接不同的数据源和工具提供了标准化的方式。
MCP 可用于构建 AI 驱动的 IDE、增强聊天界面、创建自定义 AI 工作流等场景。它能帮助开发者更好地管理和利用 LLM 的上下文信息。
详见:
06
准备工作
包括 Home Assistant 安装以及 HACS 部署、小智 MCP 接入等流程。
Home Assistant 安装
1.安装 Docker 容器
2.本地下载并部署 EMQX 平台
3.部署 HomeAssistant 智能家居平台
详见:
HACS 部署
在 Docker 安装 HomeAssistant 的基础上,部署 HACS 应用商店。
shell_command服务
复制代码到 HA 配置文件 configuration.yaml
shell_command: update_hacs_china:|- wget -O - https://get.hacs.vip | bash -
重启 HA 使配置生效,在开发者工具中执行动作
再次重启HA使更新后的 HACS 生效
或下载 HACS 至本地,
将其复制到 HA 安装目录 config/custom_components/hacs 路径,重启 HA ,添加集成即可。
参考:
07
小智 MCP 接入 HA
原理
使用小智官方给的示例代码,结合 mcp_proxy,实现小智官方服务器和 Home Assistant 的 MCP Server 打通。
参数
XIAOZHI_MCP_ENDPOINT
小智 MCP 接入点,登录 小智 官方服务器获取;
HA_MCP_ENDPOINT
HA MCP SERVER 地址 ,通过 HA 官方的 mcp_server 集成获取,通过链接 Home Assistant MCP Server 集成 直达安装,列表中选择 Model Context Protocol 并完成配置;
API_ACCESS_TOKEN
长效 API 令牌,访问 Home Assistant 账户配置文件设置,进入 安全 标签,创建长期访问令牌。
详见:
安装
在 Home Assistant 已安装 HACS 的基础上
打开HACS, 点击 Custom repositories
Repository 输入项目地址: https://github.com/c1pher-cn/ha-mcp-for-xiaozhi ;
Category 选择 Integration 。
点击 ADD 添加外部链接,选择 MCP Server for Xiaozhi 并 Download 下载安装该插件;
设置 - 右上角 更多 选项 - 重启 Home Assistant 。
进入HACS,可见 MCP Server for Xiaozhi 已下载和安装。
配置
设置-设备与服务-添加集成-搜索 MCP 安装 MCP Server for Xiaozhi 。
填写小智接入点地址 - 提交 - 添加成功。
访问小智 AI 控制台,查看 MCP 接入点状态,显示 在线 表明 小智与 HA 连接配置成功。
在 设置 - 语音助手 选项下开启 HA 语音助手;
之后可通过 AiPi-PalChatV1 开发板控制 HomeAssistant 平台的设备、访问获取传感器参数等。
详见:
01
补充介绍:小智 MCP 启动器和小智 AI 客户端
介绍下小智 MCP 启动器和小智 AI 客户端,便于设备调试与小智连接 HA 项目的测试。
小智 AI MCP 启动器
参考:
小智 AI 客户端
Python版本的小智ai,可以在没有硬件支持的条件下实现小智 AI 对话功能。
介绍
py-xiaozhi 是一个使用 Python 实现的小智语音客户端,旨在通过代码学习和在没有硬件条件下体验 AI 小智的语音功能。
IoT 功能
py-xiaozhi 提供丰富的 IoT 设备控制功能:
虚拟设备:灯光控制、音量调节、倒计时器等;
物理设备集成:温度传感器、摄像头等;
Home Assistant集成:通过HTTP API接入智能家居系统;
自定义设备扩展:提供完整的设备定义和注册框架。
详见:
业务咨询请联系:18022036575






