
注意
12款活动商品立减15%,且一件包邮(偏远地区除外)。活动商品包含Ai-WB2-12F/07S,Ra-01/01S/01SC/02,BW16,BW20-12F/07S,BW20-12F开发板,Rd-03/03D。
其他非活动商品每满200元,立减20元,满66元包邮(偏远地区除外)。

一、系统概述
设计目标
整体架构框图

二、模块设计规范
电源模块
双电源输入:Type-C(5V)与锂电池(3.7V)自动切换,优先使用 Type-C 供电;
充电管理:TP4054 实现锂电池恒流/恒压充电,最大充电电流 500mA;
升压输出:电池供电时通过升压芯片(如 STI3508C)输出 5V 系统电压;
降压输出:由 5V 降压为 3.3V 给模组和语音芯片供电。
设计要点
TP4054 关键参数:


-
BAT 引脚需接 10μF 以上陶瓷电容
-
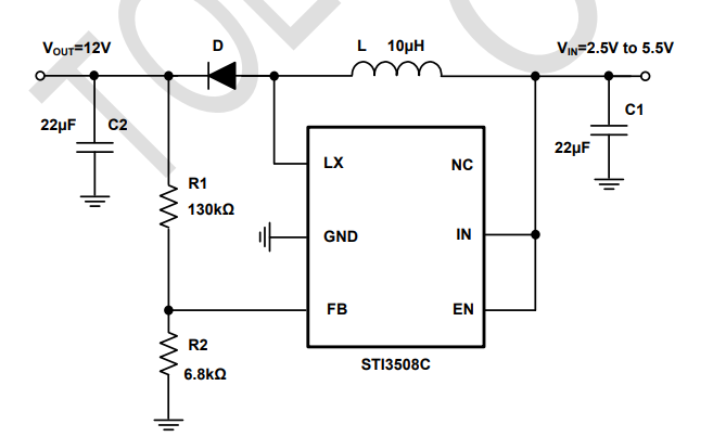
升压电路设计

参考电路

常用电压推荐选型表:

降压电路:为什么有升压还要降压?
答:升压的目的是确保功放芯片在电池供电情况下,能保持供电稳定,从而保持音质一致。降压电路主要是为了给 WiFi 模组和音频芯片供电。
DC/DC 芯片信号:RT8059

推荐电路

电源切换逻辑
Type-C 插入时,通过 MOS 管(如 AO3401)切断电池供电路径。
接口定义
引脚/网络名 |
类型 |
描述 |
USB_5V |
输入 |
Type-C 5V 电源输入 |
BAT+ |
输入/输出 |
锂电池正极(3.7V) |
VCC_5V |
输出 |
系统主电源(5V±5%) |
VCC_3V3 |
输出 |
模组和语音芯片供电电源(3.3V ±5%) |
布局建议
热管理:TP4054 与升压芯片需远离敏感模拟电路,接地散热焊盘充分覆铜;
去耦电容:VCC_5V 和 VCC_3V3 输出端并联 10μF 电解电容 +0.1μF 陶瓷电容。
Ai-WB2-12F 模组
功能描述
提供 Wi-Fi/BLE 双模无线连接,通过 UART 与主控通信;
工作电压:3.3V@500mA 峰值。
设计要点
电源设计:推荐 DC/DC 芯片:RT8059,输入需≥4V,输出 3.3V;
退耦电容:10μF+0.1μF 靠近模组 VCC 引脚。
UART 接口:
LOG 日志
接口:RXD\TXD;
默认波特率:2000000。
离线语音通讯口
接口:IO3(RX)\IO4(TX);
默认波特率:2000000。
天线布局:PCB 天线区域禁止覆铜,周围≥5mm 净空区。
模组接口定义
| 引脚序号 | Pin 引脚名称 | 描述 |
2 |
IO11 |
预留的 I2C 数据引脚:I2C_SDA |
3 |
EN |
模组复位引脚 |
4 |
IO12 |
预留的 I2C 使用引脚:I2C_SCL |
6 |
IO17 |
预留的状态指示灯控制引脚 |
7 |
IO3 |
离线语音芯片的串口 RX 信号 |
8 |
VCC |
3.3V 供电 |
15 |
GND |
电源地 |
16 |
IO4 |
离线语音芯片的串口 TX 信号 |
19 |
IO5 |
预留的 WS2812 数据引脚 |
21 |
RXD |
LOG 串口的 RX 信号 |
22 |
TXD |
LOG 串口的 TX 信号 |
23 |
BOOT |
烧录控制引脚,高电平进入烧录模式 |
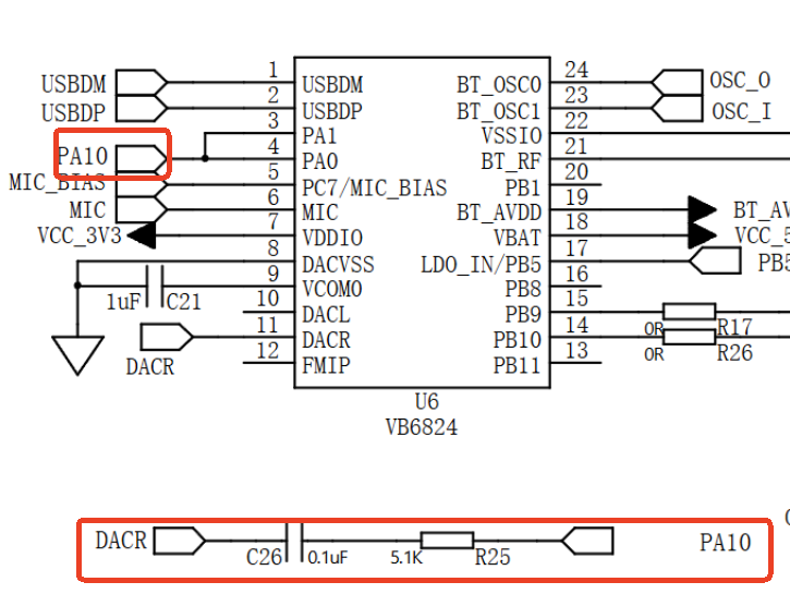
离线语音模块(VB6824+8002A)
功能描述
VB6824 实现语音唤醒词识别与音频编解码,通过 UART 与 Ai-WB2-12F 交互;
8002A 功放驱动 8Ω/2W 喇叭,支持 PWM 输入。
设计要点
音频电路:VB6824 与 8002A 间串联 200nF 隔直电容;
喇叭走线需加粗(≥0.5mm),避免平行于数字信号线。
麦克风设计:
建议使用全向极柱体全向麦克风,灵敏度 -29dB ±3dB;
麦克风电源需 RC 滤波(2.2KΩ+22pF)。
AEC 回声消除:
喇叭输出引脚(DACR)串联 0.1uF 电容和 5.1KΩ电阻接入 PA1 和 PA0;
参考电路:

功放配置:
8002A 放大倍数设置:Avd= 2×(Rf/Ri)(默认 Rf=30K,Ri=10K,放大倍数6倍)。
VB6824 主要接口定义:
| 引脚序号 | 引脚名称 | 描述 |
1 |
USBDM |
烧录与 LOG 引脚 |
2 |
USBDP |
烧录与 LOG 引脚 |
3 |
PA1 |
AEC 回声消除采集引脚 |
4 |
PA0 |
AEC 回声消除采集引脚 |
5 |
PC7/MIC_BIAS |
麦克风驱动引脚 |
6 |
MIC |
MIC 输入接口 |
11 |
DACR |
音频信号输出引脚,输出给音频功放芯片 |
14 |
PB10 |
通讯串口的 RX 信号 |
15 |
PB9 |
通讯串口的 TX 信号 |
17 |
PB5 |
功放控制信号 |
三、调试与测试
电源测试项
| 测试点 | 预期值 | 允许误差 |
TP4054 PROG |
0.5V (500mA) |
±5% |
VCC_5V |
5.0V |
±3% |
DC/DC 输出 |
3.3V |
±2% |
语音模块验证
唤醒测试:距离 30cm,信噪比≥15dB 时唤醒率>95%;音频失真:1KHz 正弦波输出 THD<1%。
微信改版,容易错过最新资讯和福利?
快将“安信可科技”设为星标⭐
可以第一时间接收小安的推送!
▼

新品!24G毫米波雷达模组Rd-03_V2,多项功能全新升级,成本直降20%
24G毫米波雷达模组Rd-03D_V2,可检测人员运动轨迹及数量,单人模式可检测人体存在状态
安信可更多产品信息可进入以下链接查阅:
●开发资料:https://docs.ai-thinker.com/
●官方教程:https://blog.csdn.net/Boantong_
●安信可官网:www.ai-thinker.com
●安信可社区:https://bbs.ai-thinker.com
●业务咨询请联系:18022036575


