
本作品由安信可社区用户
bzhou830制作
原贴地址:【DIY电子作品】电压与电流CC表 基于小安派AiPi-Eye-S1 汇总
01
硬件分析

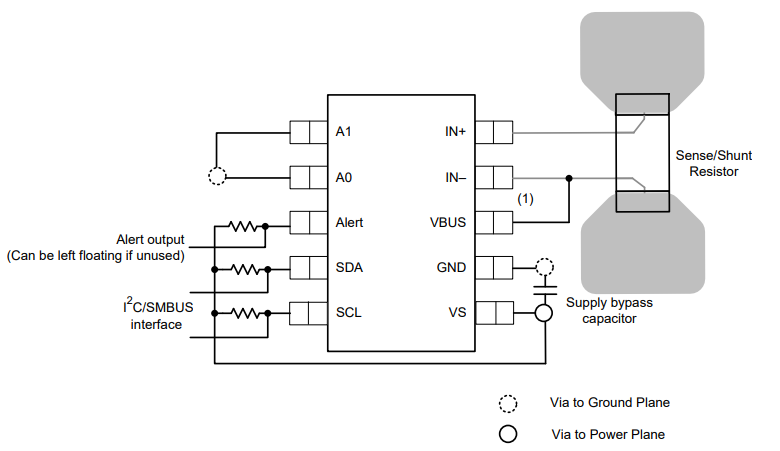
看完控制板,我们再来看看 INA226 的接口电路原理图:

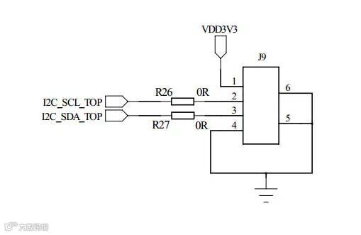
对应 PCB 如下:

看完这个,接线就变得很清晰了。INA226 板子的 iic 接口和小安派连接起来就好了。IN+/IN-/VBS 就留给被测量电路时使用。
02
软件界面
接触了lvgl之后感觉像是打开了新世界的大门,使用lvgl后的界面设计变得真的好看了太多。对比看了下网上的一些 CC 表界面之后,打开 gui guider 添加上几个 label。调一调颜色,编译运行下模拟器。得到如下的界面:

接下来就是把这个界面移植到小安派 S1 上。小安派 S1 的 weather demo 本来就是使用了 lvgl 的。那么为了少点工作量就直接将 weather demo 拿过来
,然后替换掉 demos/240X320_ui 中的目录。编译运行起来:

03
INA226模块
INA226 是一款集成了高精度电流和电压测量功能的数字电流/功率监测芯片。它可以通过 I2C 接口与微控制器或其他设备通信,用于实时监测和测量电流、电压和功率。从 INA226 的 data sheet 中可以看到其典型测量电路如下图,vbus 引脚接上被测量电路的电源 + 端,Vin+/Vin-串联在被测试回路中。地址线 A0/A1 直接接地,因为我们这里的 IIC 上只使用了一片 INA226。

data sheet 中还给出了 layout 的参考方案,这个方案和我们使用的模块布局是比较一致的。

INA226 通过 I2C 接口与主控设备通信,所以我们就需要使用小安派的 IO 和 INA226 的 IIC 将时钟线和数据线连接起来。IIC 通信部分直接参考数据手册中的时序图即可,在 INA226_Init()函数中,写入 Configuration Register 的数据为 0x4527(16 次平均,1.1ms,1.1ms,连续测量分流电压和总线电压,想修改可以参考数据手册寄存器定义表格)。而写入 Calibration Register 的数据需要根据实际电路中的采样电阻阻值以及电流分辨率来设置。因为我们使用的 INA226 模块中使用的采样电阻为 R100(0.1 欧)。
因为 Shunt Voltage Register 的值最大为 0x7FFF,LSB=2.5uV, FSR = 81.92mV。又因为分流电阻阻值为 0.1 欧,所以最大电流为 819.2mA,Maximum Expected Current 的值不能超过 819.2mA。(避免在使用中出现超量程情况)
假设 Current_LSB = 0.02mA,则 Maximum Expected Current = 655.36mA,满足上述条件。则:CAL = 0.00512/(0.02*0.1)*1000 = 2560= 0x0A00。所以写入 Calibration Register 中的数据为 0x0A00。
04
小安派驱动INA226
前面讲到 INA226 通过 IIC 接口和小安派通信。这里为了深入的了解下 IIC 时序,我们直接采用模拟 IIC 的方式来对 INA226 进行驱动,并且使用逻辑分析仪来调试、捕获波形数据来进行深入研究。驱动 INA226 的代码如下:
bsp_ina226.h

bsp_ina226.c

(备注:此截图为部分代码,请移步文首原贴地址,点击part2中查看完整代码。)
烧录代码用逻辑分析仪来看看数据波形,可以从波形上看到 INA226 和小安派通信正常。

这里再放出来一个通信不正常的图,原因就是输入、输出同时设置,出现电气干扰的情况下数据错误的情况。

从串口输出的测量值这时候已经出现:

至此,我们已经成功的驱动了 INA226, 后面讲测量的数据显示在显示器上,接着对外形美化一下就完成了。
05
说明及其他资料
因为小安派 S1 和小安派 DSL 在显示驱动上是兼容的,所以这个 DIY 同样适用于小安派 DSL;小安派S1和小安派 DSL 能使用的IO是不一样的,所以需要适配对应的IO用作IIC接口使用。
产品太多?教程无法快速找到?
安信可产品、教程索引目录
点击菜单快速查看(持续更新中)
☟☟☟
2、【Thinker开发堂】Ra-08基于LoRaWAN协议的Class B模式应用
3、AiPi-Radar-Monitor 雷达检测站(Rd-03D)

开发资料
官方教程
安信可官网





