
国家林业和草原局司局函
科标字〔2021〕29号
关于印发经济林产品领域标准体系和相关工作安排的通知
为贯彻《中华人民共和国标准化法》,加快推进经济林产品领域标准化工作,科技司、发改司组织编制了《经济林产品领域标准体系》(附件1),现印发给你们,请认真组织实施。各标准牵头起草单位要严格按照《经济林产品领域标准体系建设工作安排情况表》(附件2)完成相关工作。
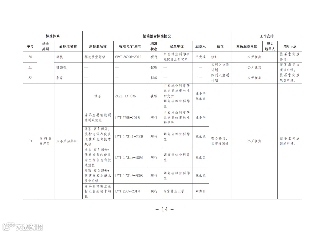
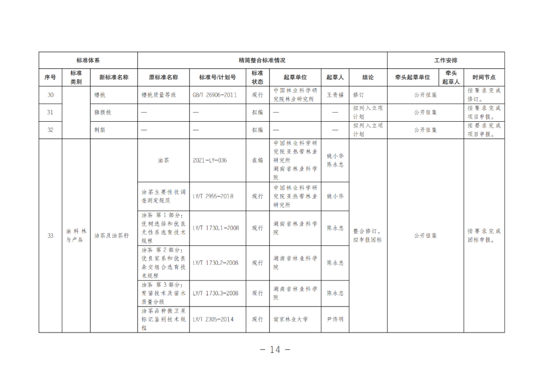
2.经济林产品领域标准体系建设工作安排情况表
国家林业和草原局科技司
国家林业和草原局发改司
2021年8月18日
· 文件展示 ·






















