
来源:医疗器械经销商联盟
编辑:十一酱
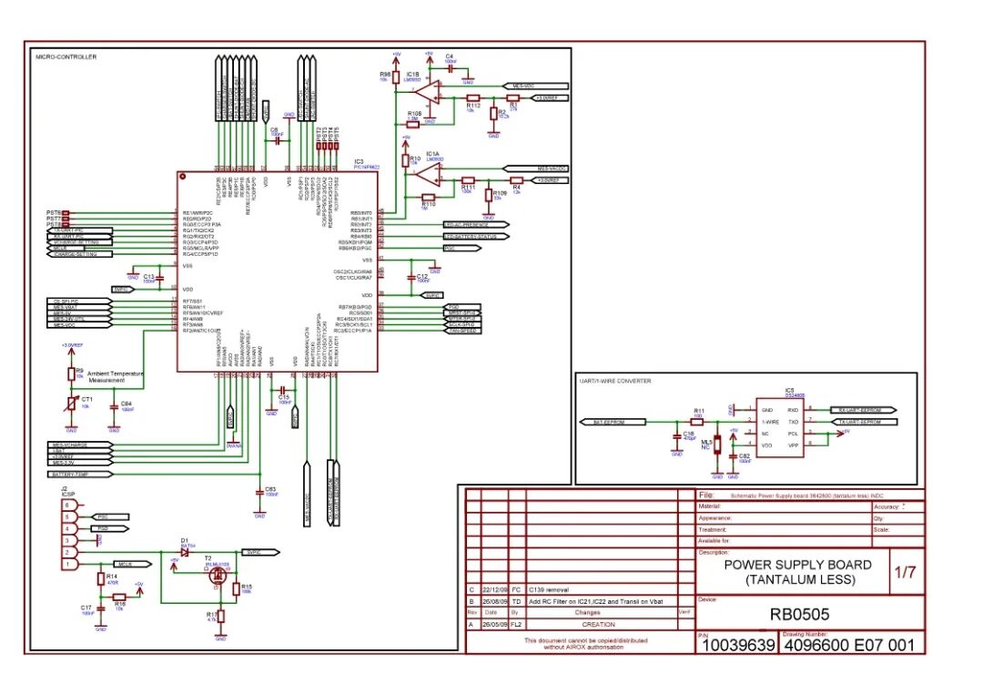
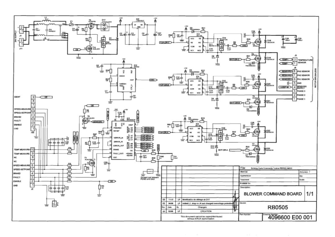
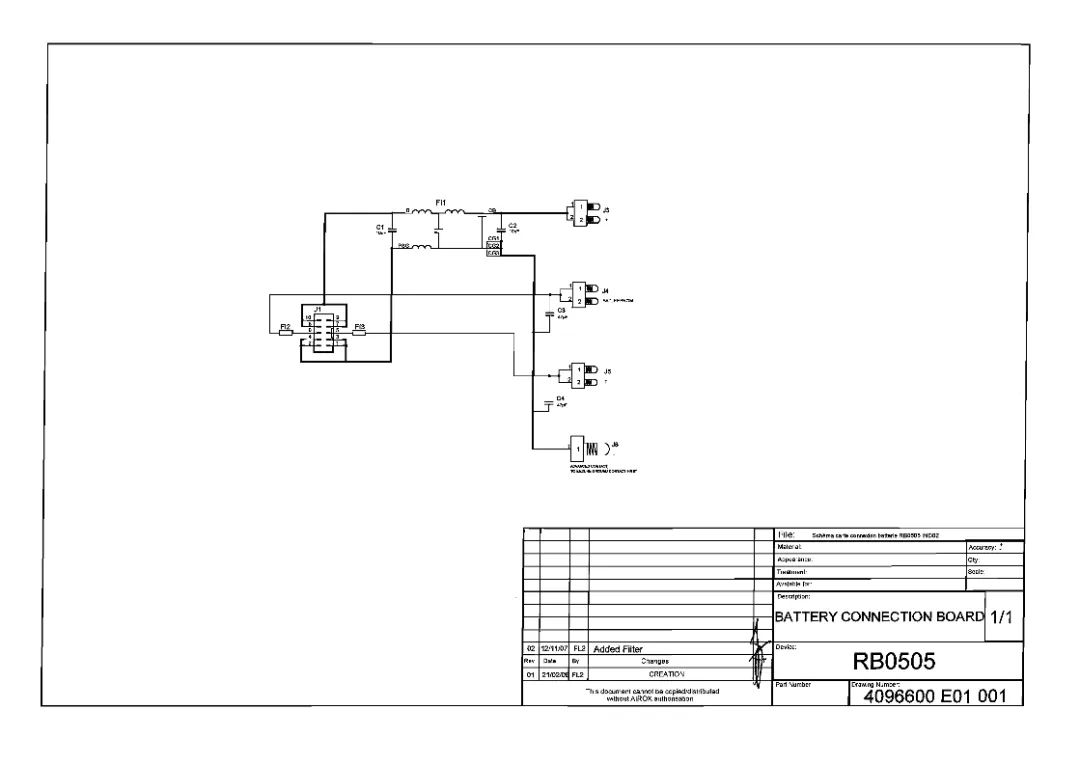
美敦力最新公布呼吸机设计规范,电气原理图、说明书、生产文件、需求文件、许可认证......
大将风度,美敦力最新公布呼吸机设计规范
3月30日,据外媒报道,美敦力最新宣布将公开分享其旗下Puritan Bennett™560(PB 560)呼吸机的设计规范,帮助行业参与者快速评估呼吸机制造方案,应对全球内的新冠肺炎疫情。
据美敦力微创疗法集团执行副总裁鲍勃·怀特称,“美敦力意识到了市场上对于作为治疗COVID-19感染的救生装备呼吸机的紧缺,我们知道这场全球危机需要全球应对。在过去的几周中,我们已经扩大了Puritan Bennett™980呼吸机的生产。通过公开共享PB 560呼吸机的设计信息,我们希望增加呼吸机解决方案的全球生产。”
据悉,本次所公布设计规范的 PB560 是美敦力在2010年推出的呼吸机产品,目前已经在全球35个国家进行了销售。
美敦力官网数据显示,PB 560呼吸机是一种紧凑,轻便的便携式呼吸机,可为成人和儿童提供呼吸道支持。该呼吸机因其技术和设计具有在各种护理环境中使用的能力,它可以在临床环境和家庭中使用,并提供移动呼吸支持。
(PB560)
目前,美敦力已经在其官网上公布了PB560的设计规格,不久后也将提供软件代码和其他信息。后续联盟也会持续关注。
Medtronic PB560呼吸机系统– 1.0版
(电气原理图、说明书、生产文件、需求文件、许可认证)
【篇幅限制,在匠医工后台回复关键词“美敦力”即可获取完整版文件】
众所周知,呼吸机是高端医疗器械,其生产过程中涉及到医学、电子、器械、材料等多方面的精细化组装测试和调节。
随着越来越多的跨界企业加入到转产呼吸机的行列,呼吸机的技术壁垒和生产标准是它们首先需要解决难题。
而美敦力此次分享其旗下呼吸机的成熟标准,也是大大的节省了这些企业的前期规划时间,对提高呼吸机的产量有非常大的帮助。
据报道称,美敦力此举是响应了FDA的号召。与此同时,这无疑也是体现出了一个医疗器械巨头的社会责任感和社会价值。
全球告急,呼吸机缺口惊人
目前,随着海外疫情的不断蔓延,全球对于呼吸机的需求快速增长,一时间呼吸机全球告急。
世界卫生组织3月31日公布的最新数据显示,中国以外新冠肺炎确诊病例达到668345例。
世卫组织每日疫情报告显示,截至欧洲中部时间31日10时(北京时间16时),中国以外新冠肺炎确诊病例较前一日增加57512例,达到668345例;中国以外死亡病例较前一日增加3297例,达到33091例。
全球范围内,新冠肺炎确诊病例较前一日增加57610例,达到750890例;死亡病例较前一日增加3301例,达到36405例。
据外媒报道,这次新冠肺炎疫情,美国医院协会预计将有多达96万美国人需要呼吸机,未来的缺口将达到76万台。有统计称,欧盟呼吸机缺口至少高达2.5万台。据美国《财富》杂志报道,全球范围内,对呼吸机的需求量是目前医疗机构拥有量的10倍。
呼吸机全球紧缺下,海外各国纷纷将目光转向了中国。就在昨日(3月30日)国务院联防联控机制举行的新闻发布会上,工信部负责人介绍,自3月19日以来,我国已经紧急向国外提供了1700多台有创呼吸机。
不仅如此,随着近期国外对于呼吸机的需求不断暴增,目前已经签订了2万台的订单量,同时还有大量国际订单在洽谈中。据消息称,国内一些厂家的订单甚至已经排到了6月份。
扩产支援,械企纷纷伸出援手
事实上,除了美敦力之外,市场上还涌现出了一大批的企业纷纷扩产、转产支援呼吸机的供应。
美敦力
将旗下PB980和PB840呼吸机生产的班次增加到平时的两倍。此外,美敦力还正在与特斯拉洽谈合作生产呼吸机。
GE
旗下呼吸机产量翻了一番,计划今年第二季度末再翻一番以满足全球市场的急切需求。
迈瑞医疗
提前复工复产,加紧组织生产、扩大产能。目前迈瑞的院用有创呼吸机的产量已经大幅提升,每日产量达数十台。
鱼跃医疗
工厂生产设备24小时运行,日极限生产能力提高到700台。截至目前国外的无创呼吸机的出货预计接近 1万台。此外,鱼跃医疗已经确认生产的国外呼吸机订单已经排到了5月中旬。
谊安医疗
紧急排产,已累计交付国际市场超过千余台呼吸机,目前还有几千台呼吸机正在紧急排产中。
特斯拉
正式跨界转产,宣布与美敦力合作生产呼吸机
福特汽车
宣布与GE医疗合作生产呼吸机。此外,福特还正在布局与3M合作开发电动空气净化呼吸器,为医护人员提供呼吸保护
全国呼吸机、CT、监护仪 厂家信息
(附联系方式)
点击下图查看
▼▼▼

点原文,更有料!


